LichtLauscher (akustischer Licht-Detektor) 
So oder ähnlich laufen Dialoge ab, wenn empfindlich Sehende – also Leute, denen der Begriff Perlschur-Effekt etwas sagt – auf Normal-Sehende treffen. Letzteren ist dann auch nicht klar zu machen, wieso man sich durch LED-Rückleuchten bestimmter Autohersteller irritiert fühlt oder wieso man nach einiger Zeit vor einem LCD-Bildschirm mit LED-Backpanel Kopfschmerzen bekommt.
Es setzt sich ja langsam zumindest bei einigen LED-Herstellern die Erkenntnis durch, dass es wirklich empfindliche Menschen gibt, die LED-Flackern wahrnehmen, wie ein Wikipedia-Artikel und z.B. die Design-Tipps der Firma Richtek zeigen. Dieses Dokument brachte den Autor dann auch auf die Idee, einen alternativen Mess-Ansatz zu probieren. Anstatt mit z.B. schnell vor einer Lichtquelle bewegten Fingern per Stroboskop-Effekt die Flacker-Frequenz abzuschätzen zu wollen (sieht – gelinde gesagt – gewöhnungsbedürftig aus) oder mit einem Photosensor mitsamt Oszilloskop durch die Gegend zu laufen, wäre es völlig ausreichend, die (Rest-)Welligkeit des Lichtes hörbar zu machen.
Was gebraucht wird, ist ein einfacher "Lichtwellenempfänger". Konzepte dafür gibt es schon seit Jahrzehnten, wie man in diversen Schaltungssammlungen nachlesen kann. Die Schaltung sollte aber möglichst einfach aufzubauen sein. Im Prinzip kombiniert man dazu nur ein paar Standard-Komponenten:
Das (Taschenlampen-)Gehäuse wurde gewählt, weil es stabil ist
und die Reflektoröffnung ideal ist, um den Lautsprecher
aufzunehmen.
Außerdem sind Batteriehalter und Ein/Ausschalter integriert.
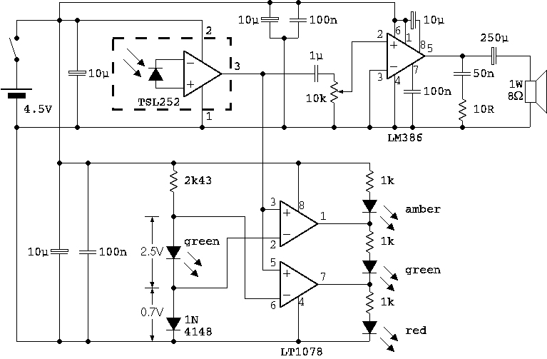
Die Schaltung des Prototypen ist aufgrund der Verwendung eines fertigen
Verstärkermoduls (weitgehend LM386-Standardbeschaltung
gemäß Datenblatt) recht übersichtlich aufgebaut:
Auf die Pegelanzeige, die Auskunft darüber gibt, ob der Ausgang des
Lichtsensors im Arbeitsbereich (0,2 V bis 3,3 V) liegt,
wurde erstmal verzichtet – allein schon aus Platzgründen.
Außerdem sollte ja erstmal die Machbarkeit des Konzeptes
bewiesen werden.
Bauteileliste:
Da der 1. Prototyp gut funktioniert hat, soll nun alles in einem
Gehäuse Platz finden und auf Fertigmodule verzichtet werden,
daher ist ein diskreter Aufbau auf Laborkarte angesagt.
Die Verwendung (eines Teils) einer Microprozessor-Universalkarte
bedingt zwar eine nicht optimale Platzausnutzung, aber alles passt,
ohne allzuviele (eigentlich keine) Leiterbahnen unterbrechen zu
müssen.
Anmerkung:
Die Pegelanzeige schaltet bei festen Spannungswerten, besser wäre
es, wenn die Übersteuerung (rote LED) relativ zur
Versorgungsspannung angezeigt würde, da die maximale
Ausgangsspannung des TSL252 ca. 1,2 V unter Versorgungsspannung
liegt.
An Bauteilen kommen, abgesehen vom TSL252, nur Standardkomponenten,
die gerade verfügbar waren, zum Einsatz.
Bauteileliste:
Das 100 Hz-Brummen alter Leuchtstoffröhren und Glüh- und Halogenlampen, das harte 200–300 Hz-Rechteck-Summen billiger LED-Straßenlampen und schlecht eingestellter LCD-Bildschirme, das hohe Pfeifen "besserer" LED-Lampen (die wirklich guten hört man nicht), das Rattern von LED-7-Segment-Anzeigen, die Frequenzunterschiede von LED basierten KFZ-Tagfahrleuchten verschiedener Hersteller (besonders "hörenswert", wenn man an einem Stau auf der Gegenspur entlang fährt!) – kurzum, unsere Umgebung ist lichttechnisch gesehen voller Töne, die entdeckt werden möchten.
Ein Gehäuse, mit dem man auf die zu untersuchende Lichtquelle "zielen" kann, wäre praktisch, vielleicht sogar mit einfacher Optik. Ein kleinerer Aufbau der Schaltung mittels geätzter Platine und vielleicht sogar SMD-Bestückung würde die Gehäuseauswahl flexibler gestalten. Eine automatische Verstärkungsregelung des Lichtsensors könnte verhindern, dass dieser bei hellem Umgebungslicht in Sättigung geht, alternativ könnte man eine mechanische Blende einbauen oder ein transparentes LCD-Mini-Panel als automatisch einstellbares Graufilter. Optional wäre auch ein IR-Filter denkbar, das z.B. bei Glühlampen die nicht sichtbaren Wellenlängenbereiche unterdrückt. Ein Kopfhöreranschluss wäre sicherlich sinnvoll.
R1 Widerstand 0207, 1k
R2 Widerstand 0207, 1k
R3 Widerstand 0207, 2k43
R4 Widerstand 0207, 1k
R5 Widerstand 0207, 10R
C1 Tantal-Elko 2,5mm / 4,5 mm, 10 μF / 16 V
C2 Keramik 2,5mm, 100nF
C3 Keramik RM5, 1 μF
C4 Tantal-Elko 2,5mm / 4,5 mm, 10 μF / 16 V
C5 Keramik 2,5mm, 100nF
C6 Keramik 2,5mm, 50nF
C7 Keramik 2,5mm, 100nF
C8 Tantal-Elko 2,5mm / 4,5 mm, 10 μF / 16 V
C9 Elko 6,5 x 15,5 mm, 250 μF/ 16 V
C10 Tantal-Elko 2,5mm / 4,5 mm, 10 μF / 16 V
D1 Diode, 1N4148 100V/0,2A/4nS
D2 LED 3mm, grün
D3 LED 3mm, gelb
D4 LED 3mm, rot
D5 LED 3mm, grün
P1 Poti 4mm, 10k log
IC1 DIL8, LT1078
IC2 DIL8, LM386
IC3 TSL252
- Stiftleiste, 2-polig
- Stiftleiste, 2-polig
- Stiftleiste, 1-polig
- Stiftleiste, 1-polig
- Stiftleiste, 1-polig
- Sockelleiste, 3-polig