
Der Tchibo Lügendetektor

Letzte Woche habe ich beim Einkaufen im Supermarkt in der
Tchibo-Ecke vorbeigeschaut, ob da wieder irgendwas zum Basteln liegt.
Im Letzten Jahr gab es ja mein UKW-Radio. Und diesmal waren da sogar
mehrere Bausätze. Der Lügendetektor hat mich besonders
interessiert.
https://www.tchibo.de/bausatz-luegendetektor-p400144109.html
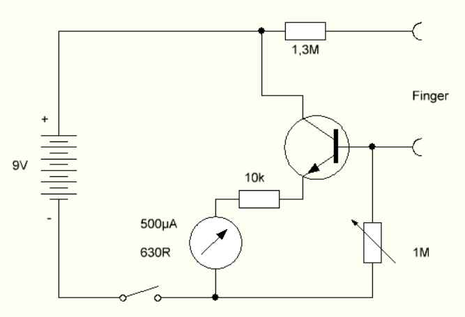
Auf der Platine findet man ein Poti und einen Transistor. Dessen
Anschlüsse E, B und C sind nur zur Verwirrung der Konkurrenz
aufgedruckt, denn sie stimmen nicht. Tatsächlich handelt es sich um
einen NPN-Transistor mit dem Kollektor in der Mitte.
Das Messwerk habe ich ausgemessen. Es hat einen Strombereich bis 500 µA und einen Innenwiderstand von 630 Ohm.
Zwei Drähte der Platine soll man durch die Anschlussösen stecken
und verdrillen. Sowas lässt spätere Wackelkontakte erwarten. Also habe
ich die Kabel angelötet.
Die Fingerkontakte bestehen aus zwei blank polierten Metallplatten.
Sie sind magnetisch, es dürfte sich um Edelstahl handeln. Ich habe
versucht, etwas anzulöten, aber wie zu erwarten war, funktioniert das
nicht. Deshalb habe ich mich an die Anleitung gehalten und die Platten
mit der doppelseitigen Klebefolie befestigt, wobei die Kabelenden mit
eingeklemmt werden. Der Kontakt wirkt recht stabil.
Die Montage im zweiteiligen Kartongehäuse erfordert einiges an
Geschick. Aber ich habe es einigermaßen hinbekommen. Auf der Seite des
Messgeräts schaut die Potiachse raus. Auf der anderen Seite sitzt der
Delinquent und soll seine Finger auf die Metallkontakte halten.
Beim ersten Test hat sich gezeigt, dass das Poti sehr feinfühlig
eingestellt werden muss, um eine mittlere Zeigerposition zu erreichen.
Ich habe dann versucht, intensiv an die peinlichsten Momente meines
Lebens zu denken. Und tatsächlich stieg der Zeigerausschlag etwas. Es
funktioniert also. Allerdings ist die Empfindlichkeit recht gering. Das
Poti steht nahe bei Null, und der Hautwiderstand ist wesentlich kleiner
als der Längswiderstand mit 1,3 M.
Mit einer kleinen Änderung kann man die Empfindlichkeit steigern.
Ein zusätzlicher Widerstand von 10 k in Reihe zum Messwerk legt den
Emitter bei Mittelstellung 250 µA auf 2,5 V hoch. Der interessante
Bereich liegt also weiter in der Mitte. Das Poti wird daher höher
eingestellt, und kleine Unterschiede werden deutlicher sichtbar.
Eine weitere Verbesserung betrifft die Fingerkontakte. Mit blanken
Drähten, die locker um zwei Finger gewickelt werden, wird die
Berührungsfläche geringer, der Hautwiderstand kommt mehr in Richtung 1
M. Und die Kontakte sind weniger empfindlich gegen geringe Bewegungen
der Hand. Mit diesen beiden Änderungen ist der Lügendetektor so
präzise, dass sogar das FBI schon neidisch wird.