LED-Ringblinker für Li-Akkus          

von René Wukasch                        
Elektronik-Labor  Bastelecke  Projekte  Notizen


 

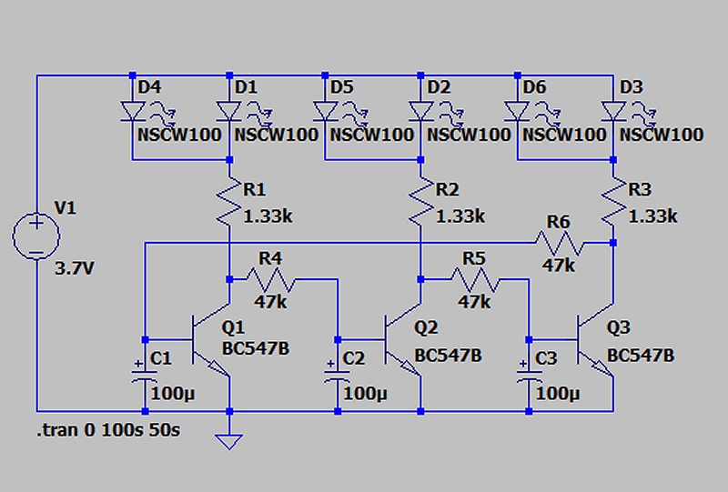
Zuerst wurde der Ringblinker (vgl. https://www.b-kainka.de/bastel151.html) auf LiIon-Akku 3,7V umgestellt. Dazu mussten wegen der fehlenden Spannungsreserve die LED aus den Emitterzweigen entfernt werden, und stattdessen wurden einfach je zwei im Kollektorkreis parallelgeschaltet:
 

   
Hier das Simulationsergebnis:
 
 
 
Das Ergebnis hat mir nicht so sehr gefallen, weil die LED nie verlöschen. Gemäß Simulation bekommen sie ja mindestens noch 80µA, die noch für eine deutliche Helligkeit ausreichen.
 
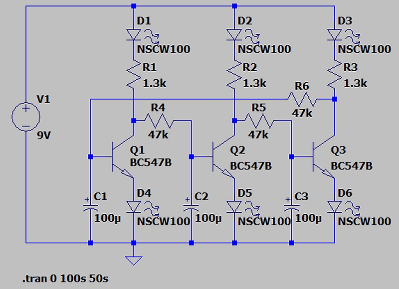
2. Daher habe ich den Blinker mit eingefügten Dioden modifiziert.
 

 
Das Ergebnis gefällt mir besser (sie gehen fast aus), aber es ist Geschmackssache
 

 
Hier die Simulation
 
 
 
Der minimale Strom ist auf ca. 30µA gesunken und die Kurven verlaufen steiler, der Effekt gefällt mir besser, er erinnert an Bühnenspots in großen Hallen und Theatern.
 
3. Schlussendlich habe ich noch die Originalschaltung aufgebaut, allerdings mit reichlich 6V aus einem Bleiakku gespeist:

 

Zwischen 9V-Betrieb am Labor-NT und 6V-Akkubetrieb gab es bis auf die Helligkeit der LED keine signifikanten Unterschiede. Die LED sind hier im "Aus-Zustand" noch heller als bei der 3,7V-Variante.
 


Hier die Simulation, die mit 6V im Gegensatz zur Praxis nicht funktioniert:
 
 
 
Die langen Einschwingzeiten aus den Simulationen fielen in der Praxis in allen 3 Fällen viel kürzer aus.
 
Ich habe verschiedene Transistoren getestet, mit BC546C konnte ich die Koppelwiderstände bis auf 150kOhm erhöhen, die Blinkfrequenz wurde mir dann für einen schönen Effekt zu langsam. Schlussendlich habe ich SS216D (Schalttransistoren) mit Stromverstärkungen > 200 aus DDR-Beständen eingebaut, von denen ich eine ganze Tüte habe. Als Dioden wurden SAY40 ebenso aus DDR-Beständen vertan.

 
 
 
 
 
Hier der Link zu meinen Videos:
https://1drv.ms/f/s!AkVNu4pX6kUgjlB09_3HBuMSNFKj?e=qznLNT

 


 

Elektronik-Labor  Bastelecke  Projekte  Notizen