LED-Lampen-Ausfälle und Messungen
von Bernd, DL3NDW
Mir sind vier gleichartige LED-Lampen mit G9-Sockel und je 59 SMD-5050-LEDs in
die Hände gefallen. Diese Lampen sind nach ca. einem Jahr Betriebszeit innerhalb weniger Wochen
ausgefallen. Das hat mich dann doch sehr interessiert. Bei den Lampen sind manche LEDs
komplett, bei manchen auch nur eine oder zwei der drei in einem 5050-Gehäuse
integrierten Einzel-LEDs ausgefallen.
Neben dem Ausfalltyp "interner Kurzschluss in der SMD-LED", bei der
die anderen, alle in Reihe geschalteten LEDs noch leuchten, gibt es auch den
Ausfalltyp "SMD-LED hochohmig, alles dunkel". Betrachtet man die LEDs
genauer, so kann man erkennen, dass offenbar einige LEDs zu heiß wurden.
Die LED mit dem Lotklecks hat übrigens noch mit allen drei Einzel-LEDs
geleuchtet. An einer mangelnden Belüftung dürfte es bei dem lebensgefährlichen
offenen Aufbau ohne isolierende Abdeckung jedenfalls nicht gelegen haben.
Nun war es an der Zeit, die Lampe zu sezieren. Die runde Platine mit
den neun
LEDS kann abgelötet werden. Dann sind die zehn Streifen zu je fünf LEDs
dran. Bei einigen LEDs sind bereits Veränderungen sichtbar. Die
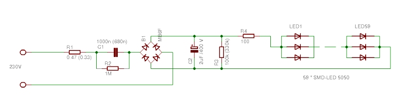
Stromversorgung
erfolgt über die übliche Brückengleichrichter-Schaltung mit kapazitiver
Strombegrenzung.
Die Werte in Klammern stehen auf der Platine als Aufdruck, die Werte davor sind
verbaut.
Um die Ursachenforschung zur Ausfallursache weiterbetreiben zu können, muss
eine funktionierende LED-Lampe her. Deshalb wurden nacheinander alle vier
Exemplare zerlegt und die einzelnen Streifen mit einem Netzteil gespeist und
selektiert,
Aus den vier ursprünglichen Lampen konnten dann gerade soviele intakte
Streifen
gewonnen werden, dass es für eine komplette Lampe reicht. Für einige
Messungen wurde die entsprechende Anzahl an Streifen zunächst auf
dem Labortisch zusammengelötet.
Am oberen Bildrand liegt die Strommesszange mit 10 Windungen des zu messenden
Leiters. Gespeist über einen Stell-Trenn-Trafo wird Spannung und Strom an der
LED-Serienschaltung gemessen. Abgebildet sind die Ergebnisse bei 230 V
Wechselspannung am Netzteileingang und bei +10% (253 V).
230 V

253 V
An dieser Stelle wird ein Blick in die Datenblätter zu den SMD5050-LEDs
notwendig. Je nach Hersteller vertragen die 5050 unterschiedlichen Strom.
Produkte namhafter Marken sind mit 180 mA DC und 230 mA Peak angegeben. Wenn
man davon ausgehen darf, dass in derartigen LED-Lampen, wie sie hier vorliegen,
eher preiswerte Exemplare verbaut sind, schaut es schon anders aus: 3*20 mA DC
und 3*100 mA Peak stehen in einem Datenblatt. Der Peak-Strom ist i.d.R. mit
einem Duty-Cycle von 1/10 bei einer Wiederholfrequenz von 1 kHz definiert. Bei
pulsierendem Gleichstrom mit 100 Hz müssen dessen Stromspitzen dann dem
DC-Grenzwert der LED entsprechen. Für die Heranziehung des Peak-Wertes sind die
100Hz-Halbwellen viel zu lang. Dies bedeutet, dass eine SMD-5050LED mit 3*20 mA
Strombelastbarkeit in dieser Beschaltung bei 230V Netzspannung gerade am Limit
betrieben wird.
Wie aus dem Oszillogramm abzulesen ist, beträgt der Strom in
der Spitze 60 mA ("MAX-P"). Bei der maximal im Toleranzbereich der
230V-Versorgung zulässigen Spannung von 230V + 10%, also 253 V, beträgt der
Strom schon 72.8 mA. Kurzzeitige Überspannungen der Netzspannung, wie sie durch
Schalthandlungen immer auftreten können, können LED-Lampen in dieser
Dimensionierung dann für immer das Licht ausblasen. Fällt nun eine der drei
Einzel-LEDs einer 5050 aus, so verteilt sich der Strom auf die verbliebenen
zwei Einzel-LEDs. Dann ist es vermutlich nur noch eine Frage der Zeit, bis eine
weitere ausfällt. Exemplarstreuungen sind der Langzeitstabilität ebenfalls
nicht zuträglich, Auf den Bildern sind die unterschiedlichen Helligkeiten der
einzelnen LEDs gut zu sehen. Bei den Messungen konnte dann noch ein Ausfall
beobachtet werden. Die abgebildete Zusammenschaltung der 10 Streifen und der
Scheibe funktionierte zunächst. Nach den Messungen ist dann bei reduziertem
Strom ein Defekt eines LED-Elementes sichtbar geworden.
Nach einer Abkühlphase hat die 5050 dann wieder mit allen drei Elementen
geleuchtet. Dieser Effekt zusammen dem Betrieb an der Strombelastungsgrenze der 5050 dürfte
für die hohe Ausfallquote ursächlich sein. Für die zeitlich nahe
zusammenliegenden Ausfälle der vier Lampen können auch kurzzeitige Überspannungen
aus dem Stromnetz Ursache gewesen sein.
Mit einem anderen LED-Streifen wurde dann eine komplette LED zusammengebaut.
Betrieben wiederum am Stell-Trenn-Trafo durfte die LED-Lampe dann ihre
Leuchtkraft entfalten - fürs Foto allerdings nur gedimmt.
Jetzt folgt das Standard-Messprogramm, das ich immer durchführe, wenn ich ein
Exemplar eines potentiell meine HF-Umgebung verseuchenden Verbrauchers in die
Hände bekomme. Als erstes werden über eine Netznachbildung (LISN) die leitungsgeführten
Störungen gemessen. Die verwendete Eigenbau-LISN entspricht mit der Impedanz
von 150 Ohm einer veralteten Norm. Beim nutzbaren Frequenzbereich von 0.15 - 30
MHz sind dann allerdings die Ableitströme gegen den Schutzleiter so gering,
dass man diese LISN auch ohne Trenntrafo an FI-geschützten Stromkreisen
betreiben kann. Die Prüflinge sind normalerweise auch unproblematisch gegenüber
Gefahr durch Berührungen. Diese LED-Lampe ist da eher eine Ausnahme.
Wie bei einem klassischen Netzteil auf Gleichrichter-Elko-Basis zu erwarten,
sind HF-Störungen über die Anschlussleitungen nicht vorhanden.
Ganz anders sieht das bei den Verhältnissen im NF-Bereich aus. Hierzu wird die
Lampe über einen ohmschen Messadapter betrieben. Mit diesem kann dann Spannung
und Strom gemessen werden.
Zwar gibt es für diese kleinen LED-Lampen meines Wissens keine einzuhaltenden
Grenzwerte, aber das Netz belasten sie mit ihren oberwellenhaltigen Strömen
schon. 53% Verzerrungen bei überwiegend ungeraden Harmonischen werden erzeugt. Ursächlich
hierfür ist der für diese Gleichrichterschaĺtung typische Stromverlauf.
Dieser setzt im Nulldurchgang der Spannung schlagartig ein und geht dann im
Spannungsmaximum fast gegen Null. Eine LED-Lampe mit einem derartigen Oberwellengehalt mag sich noch nicht
störend auswirken. Wenn sich aber die LED-Technik in der Beleuchtung weiter
verbreitet, wird sind in Summe einiges an Oberwellen im Stromnetz bewegen.
Nach Abschluss der Messung gibt es jede Menge Elektroschrott und ein
Exemplar
einer weiteren LED-Lampe für mein Kuriositätenkabinett. Einsetzen ließe
sich diese unisolierte und in keinster Weise berührgeschützte
LED-Lampe nur in geschlossenen Leuchten. Dann sieht man auch das
CE-Zeichen
nicht mehr... Die Lichtfarbe ist aber nicht unangenehm.
Elektronik-Labor Bastelecke Projekte Notizen