
Kürbisbeleuchtung mit Mikrocontroller

https://www.franzis.de/maker/technik-fuer-kinder/geolino-das-halloween-kuerbis-beleuchtungsset-franzis
Das Franzis/Geolino Halloween Kürbis-Beleuchtungsset ist
mir ins Labor geflattert. Darin findet man eine kleine Platine und neun
große 10mm-LEDs mit internem Widerstand sowie die zugehörigen Kabel.
Alles wird aus drei AA-Batterien versorgt. In der Anleitung wird
beschrieben, wie man alles in seinen Kürbis einbauen kann, um optimale
Effekte zu erzielen. Über zwei Taster auf der Platine kann man die
Beleuchtung ein- oder ausschalten sowie verschiedene Blinkmuster und
Geschwindigkeiten einstellen. Insgesamt gibt es 15 Blinkmuster und acht
Geschwindigkeiten.
Beim ersten Test hat mich das weiche Blinken der LEDs begeistert.
Mit dem Oszilloskop sieht man schnell, dass hier PWM-Signale verwendet
werden. Die ganze Sache interessiert mich besonders deshalb, weil der
Autor und Entwickler Martin Müller hier erstmalig einen
8051-kompatiblen Controller N76E003 von Nuvoton eingesetzt hat, mit dem
ich auch gerade arbeite. Das kleine Platinchen besteht fast nur aus
Steckverbindern. Der winzige Mikrocontroller liegt ganz unscheinbar
dazwischen.
Auf der Rückseite erkennt man fünf kleine Kontaktpunkte. Das ist
die Programmierschnittstelle für den Controller. Wenn Halloween erst
mal vorbei ist, habe ich die Lizenz zum Programmieren! Es ist nicht
schwer, eine ganz andere Anwendung mit der Platine zu realisieren.

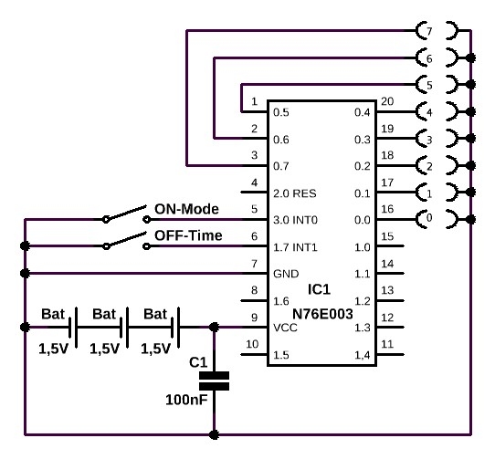
Martin war so nett, mir den Schaltplan zu schicken. Damit kann man
leicht erkennen, dass die LEDs am Port0 liegen und die Schalter an den
Interrupt-Eingängen. Interessant ist auch die minimale externe
Beschaltung. Ein Bypass-Kondensator, sonst nichts! Die LEDs besitzen
übrigens einen internen Vorwiderstand, deshalb dürfen sie direkt an die
Ports gelegt werden.
Siehe auch: Nuvoton-Controller