Roboter-IR-Steuerung

Elektronik-Labor  Bastelecke  Projekte  Notizen




www.elo-web.de/elektronik-lernpakete/jugendprogramm/die-grosse-baubox-roboter-selber-bauen-erleben

Letztens habe ich mal in einem Spielzeuggeschäft ein Modell gesehen, das man mit einem Smartphone steuern konnte. Aber wie genau? Ich konnte mich gerade noch bremsen, es zu kaufen um es dann zu untersuchen. Aber inzwischen hat Franzis etwas ähnliches, einen Roboter, den man autonom benutzen kann, der aber auch auf ein Smartphone reagiert. Dieses Teil konnte ich dann mal genauer unter die Lupe nehmen. Zuerst war ich überrascht. Es kommt mit nur einem Motor aus, und wie geht denn hier die Lenkung?

Handbuch gelesen, Robbi ausprobiert, soweit alles klar. Das Vorderrad hat eine Spezialaufhängung. Bei Vorwärtsfahrt steht es gerade, im Rückwärtsgang stellt es sich etwas schräg. Der Motor muss einfach nur vor und zurück gesteuert werden. Immer wenn der Robbi auf ein Hindernis zufährt, erkennt er dies und fährt ein Stück zurück.  Dabei ändert er etwas die Richtung. Und tatsächlich fährt er auf diese Weise lange hin und her, ohne irgendwo steckenzubleiben.




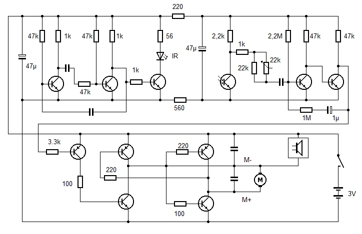
Und wie funktioniert das nun mit der Steuerung? Ein Blick auf die Platine bringt wieder ein Überraschung: Nur diskrete Halbleiter, und kein Anzeichen von Hochfrequenz.  Um es genauer zu untersuchen blieb nichts anderes als die Schaltung abzuzeichnen. Reverse Ingeneering, andere nennen es Industrie-Spionage.



So, jetzt wird es klarer. Eine modulierte Reflexlichtschranke! Man sieht praktisch überall bekannte Grundschaltungen, die einfach sehr geschickt zusammengesetzt sind. Ein Multivibrator steuert die IR-Diode.  Das reflektierte Signal triggert einen Monoflop, wobei man die Empfindlichkeit einstellen kann. Der Monoflop steuert den Motortreiber und schaltet den Motor jeweils kurz in den Rückwärtsgang. Der Brückentreiber ist sehr trickreich, eine Schaltung, die man sich merken sollte. Sehr effektiv bei geringem Aufwand.

Und was kann ein Smartphone dabei ausrichten? Es muss ebenfalls ein moduliertes IR-Signal aussenden, z.B. IrDA oder ein RC5-Signal. Momentmal, dann ist es ja ganz egal, welche IR-Quelle man nimmt. Ein Test mit der Fernbedienung vom Radio bestätigt es. Der IR-Empfänger des Robbis sieht keinen Unterschied. Ob es nun ein reflektiertes Signal der eigenen IR-Diode oder ein Signal der Fernbedienung ist, in beiden Fällen legt er den gekruvten Rückwärtsgang ein. Und mit etwas Geschick kann man damit den Robbi steuern.


Elektronik-Labor  Bastelecke  Projekte  Notizen