Micro:bit Schaltungsanalyse     

           
Elektronik-Labor   Projekte   Microbit 

 


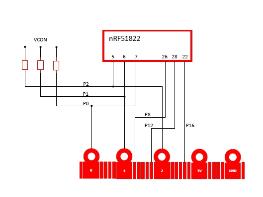
Wolfgang schrieb mir, dass er sich die Arbeit gemacht und den Micro:bit analysiert hat. Dazu wurden alle Bauteile abgelötet und der Lötstopplack abgeschliffen. Zum Vorschein kommt eine zweiseitige Platine, wo man eher Multilayer vermutet hätte. Alle Bauteile können nun zugeordnet werden. Und alle wesentlichen Schaltungsblöcke wurden analysiert.



Viele Ergebnisse der ersten Experimente wurden damit bestätigt. Herzlichen Dank, Wolfgang!

Download: Reengineering%20PCB%20Micro_Bit%20V095.pdf (Update mit Schaltplan, 18 MB)

Micro:bit ist auf dem aufsteigenden Ast. Viele haben schon bemerkt, wie vielseitig und nützlich dieses System ist. Ich bin immer wieder neu überrascht, wie gut diese Entwicklung gelungen ist. Stromsparend, sicher und leicht zu programmieren. Wenn der Micro:bit auch für den Einsatz in Schulen entwickelt wurde, in meinem Labor findet er auch seinen Platz!


Elektronik-Labor   Projekte   Microbit