
Elektronik-Baukasten 1:70 von Quelle-Universum aus den 1970er Jahren
von Klaus Leder

Bei einer Auktion wurde ein Elektronik-Baukasten aus den 1970ger Jahren
des Versandhauses Quelle angeboten. Über den „Elektronik-Baukasten 1:70
Universum“ findet man im Internet nur wenige Informationen. Im
Schaltpult sind ein Schiebeschalter, eine Glühlampe, Drehko,
Potentiometer, Messinstrument (300 µA), Lautsprecher und 4
Anschlussklemmen eingebaut. Als Experimentierfeld dient eine
transparente Aufbauplatte mit 82 Klemmfedern und fest eingebauten
Bauelementen, unter die man Verdrahtungspläne für 70 Versuche legen
kann.
Die Bauelemente werden von den Klemmfedern eingeklemmt. Um Verbindungen
herzustellen, werden die Federkontakte etwas zur Seite gedrückt und die
verzinnten Litzenenden zwischen die Federwindungen eingeschoben.
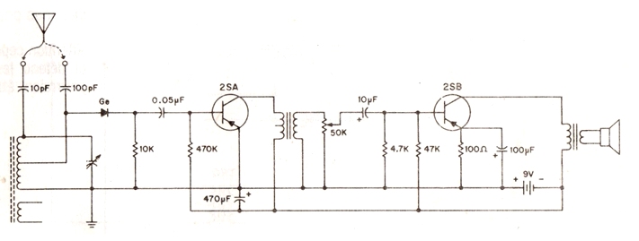
Auf der Aufbauplatte sind die Transistoren 2SA52 und 2SB56, eine
Ferritantenne, 2 Trafos, 1 Relais, eine Drossel, eine Germaniumdiode, 8
Widerstände, 7 Kondensatoren sowie 2 Batteriehalterungen übersichtlich
angebracht. Verzinnte dünne Litzen unterschiedlicher Länge, ein
Morsetaster und ein Kristallohrhörer gehören zur Ausstattung. Die
Handhabung bei diesem Experimentier-System interessierte mich.
Das Paket wurde sehr sorgfältig verpackt zugesandt. Alle Verdrahtungspläne und eine 24seitige Anleitung waren vorhanden.
Bei der ersten Sichtung gab es eine Enttäuschung: Sämtliche Klemmfedern
waren stark korrodiert, die Metalloxidschicht machte Kontakte
unmöglich.
Da ich noch Klemmfedern der Fa. K. Winkler (Pocking) in der Bastelkiste
hatte, wurden alle Zugfedern durch Druckfedern mit Haarnadelöse
ersetzt, an die die Bauelemente auf der Rückseite der Aufbauplatte
angelötet wurden.
Die Verdrahtung nach den Aufbauplänen erwies sich als wenig
praxistauglich, da die eingezeichneten Verbindungen durch die darüber
montierten Bauelemente und Litzen teilweise verdeckt werden.
Das System hat einen geringen Lerneffekt, da weder der Aufbauplan noch
die Anleitung Schaltpläne enthalten. In der Anleitung werden nur kurze
Informationen zur Schaltung vermittelt. Notwendig wäre es gewesen, in
der kurzen Anleitung einen Schaltplan abzudrucken und die Knotenpunkte
auf den Aufbauplänen durchzunummerieren, um eine korrekte und rasche
Versuchsdurchführung sicherzustellen.
Mit Hilfe des Schaltplans und des Aufbauplans aus einem anderen
Experimentierkasten („150 in 1 Electronic Project Kit von Science
Fair“) baute ich die Schaltung des Versuchs 117 mit dem
Quelle-Universum-Baukasten auf.
Diese erprobte und effektive Schaltung funktionierte jedoch zunächst
nicht. Bei der Fehlersuche konnte ich einen defekten
HF-Germaniumtransistor 2SA52 als Ursache identifizieren. Nach dem
Ersatz durch einen anderen antiken 2SA52 von Toshiba konnten abends bei
angeschlossener Drahtantenne und Erde mehrere Mittelwellensender in
Zimmerlautstärke gut empfangen werden.
Es ist erstaunlich, wie leistungsfähig die Schaltungen mit nur zwei
Germaniumtransistoren und Übertragern aus den 1970er Jahren waren. Die
in der Herstellung aufwendigen Schaltpulte aus Kunststoff sind
japanischer Herkunft und wurden meist in Taiwan für den amerikanischen
und europäischen Markt produziert. Die Experimentierkästen rechneten
sich nur bei einem weltweiten Absatz. Ein Preisschild auf dem
Kastendeckel zeigt einen damaligen Preis von 69,00 DM an.
Die zahlreichen Baukästen aus Asien mit fixierten Bauelementen und
nummerierten Kontaktklemmen ermöglichten einen raschen Aufbau; die
Schaltungen blieben aber aufgrund der Kreuz-und-quer-Verdrahtung und
des dabei entstehenden „Drahtverhaus“ sehr unübersichtlich.
Die Elektronik-Experimentierkästen der 1970er und 1980er
Jahre unterschieden sich in ihren Verbindungssystemen, die einerseits
sicher und schnell handhabbar sein, andererseits aber auch einen
Überblick über die Schaltung ermöglichen sollten. Die Baukästen von
Philips/Schuco waren mit ähnlichen Klemmfedern ausgestattet wie die
heutigen Winkler-Klemmen. Mit originalen Industriebauelementen konnten
Schaltungen meist schaltplangetreu verwirklicht werden. Ein gewichtiger
Nachteil bestand jedoch in dem dafür benötigten Zeitaufwand. Kosmos
ermöglichte mit seinem „Kosmotronik-System“ dagegen einen raschen,
übersichtlichen Aufbau, auch, wenn oft viele Drahtbrücken notwendig
waren. Die Fa. Busch hatte Baukästen entwickelt, bei denen die
Bauelemente als Bausteine auf einer Lochplatte angeordnet und mit
Litzen verbunden werden konnten. Dieses System ermöglichte einen guten
Überblick über die Schaltungen. Kritisiert wurden die Verbindungen der
Litzen mit Ösen und Kunststoffstöpseln, doch diese Technik stellte
sichere und wenig korrosionsanfällige Kontakte her.
Heute sind die praktischen Breadboards für einfache Elektronikversuche
die Methode der Wahl. Aufgrund der Kleinheit der Kontaktschienen und
der inzwischen immer dünner gewordenen Anschlussdrähte der Bauelemente
entstehen aber auch hier bei Bastlern Anfangsschwierigkeiten.
Der Rückblick auf einen 50 Jahre alten Elektronik-Experimentierkasten
zeigt die Veränderungen der Versuchsmaterialien, der Versuchsthemen und
der Lebenswelt der damaligen Schülerinnen und Schüler auf. Die mit
Smartphones ausgerüsteten Enkel werden darüber staunen, dass damals die
bastelnden Jugendlichen etwas hatten, was ihnen heute abhandengekommen
ist – Zeit.
s. a.
90 Jahre Radio-und Elektronikbaukästen – vom Kristalldetektor zum DSP-Empfänger
Alte
Experimentierkästen in neuer
Funktion