Das Ultraschall-Ei        


Elektronik-Labor  Literatur  Projekte  Lernpakete  

       
www.conrad.de/de/lernpaket-makerfactory-ultraschall-ei-15051-ab-14-jahre-1891589.html


Auch bei Conrad war der Osterhase fleißig, und deshalb gibt es in der Maker Factory drei Technik-Eier. Das Ultraschall-Ei wurde von Matin Müller entwickelt. Ich war gespannt auf die Experimente und habe gleich einmal den letzten Versuch aufgebaut, einen Abstandswarner.  





Eine stabile Holzplatte trägt die kompakte Platine, auf der die einzelnen Versuche mit den bewährten Kunststoff-Stopfen  aufgebaut werden. Ich war erstaunt, wie gut man so einen Stopfen gleichzeitig als Stecker für einen Kontakt der Platine und als Buchse für einen Ultraschallwandler einsetzen kann. Alles lässt sich stabil und kontaktsicher aufbauen. Und daher war es auch nicht verwunderlich, dass der Versuch auf Anhieb funktioniert hat. Mit dem Poti stellt man die richtige Empfindlichkeit ein. Bei Annäherung eines Gegenstands geht dann die rote LED an.



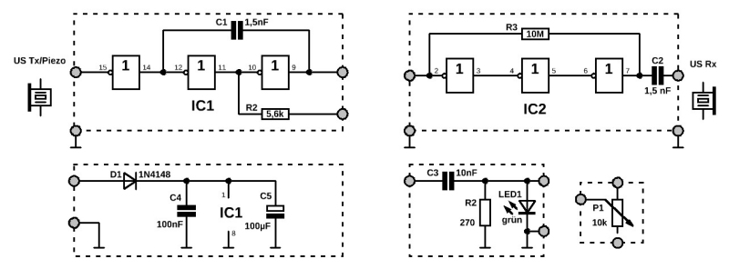
Auf der Rückseite sieht man  ein  einzelnes IC, einen sechsfachen CMOS-Inverter CD4049. Dazu kommen nur wenige Widerstände und Kondensatoren sowie eine Diode.  Ganz  erstaunlich, welche Vielfalt verschiedener Experimente damit möglich ist. Ich war natürlich neugierig, wie das alles funktioniert und habe Martin Müller nach dem Schaltplan der Platine gefragt. Er hat ihn mir freundlicherweise geschickt und für die Veröffentlichung freigegeben.  


Drei Inverter bilden einen einstallbaten Oszillator, der mit dem Poti auf die Resonanzfrequenz der Ultraschall-Wandler eingestellt werden kann. Die drei anderen Inverter sind als gegengekoppelter Verstärker geschaltet und diesen beim Abstandswarner zur Verstärkung der Mikrofonsignale, die dann an den Ultraschall-Sender gelegt werden. Bei großer Nähe kommt es zu einer akustischen Rückkopplung. Das entstehende Signal wird von der LED angezeigt.


Ein interessanter Versuch zum Ultraschallsender verwendet die Oszillator-Baugruppe auf der Platine, deren Frequenz mit dem Poti auf Resonanz eingestellt wird. Die vom Mikrofon aufgenommene Spannung reicht dann sogar aus, um die grüne LED leuchten zu lassen. Wichtig ist, dass man die Anschlüsse gleichzeitig mit dem Finger berührt, weil sich das Mikrofon sonst soweit auflädt, dass die LED gesperrt wird. Wer diesen Versuch verbessern will, muss nur eine zweite LED antiparallel anschließen. dann werden beide Richtungen des im Mikrofon erzeugten Wechselstroms ausgenutzt. Es reicht auch eine normale Si-Diode 1N4148, mit der die Helligkeit der grünen LED stark ansteigt.



Siehe auch: 

www.conrad.de/de/lernpaket-makerfactory-solar-ei-15046-ab-14-jahre-1891588.html

www.conrad.de/de/lernpaket-makerfactory-raspberry-pi-ei-15043-ab-14-jahre-1891587.html



Elektronik-Labor  Literatur  Projekte  Lernpakete