

Der Selbstbau dieses Radios verspricht schnelle Erfolgserlebnisse und bringt Einblicke in die Elektronik. Untersuchen Sie die Funktion der einzelnen Bauteile und bauen Sie eine allmählich wachsende Schaltung. Mit dem fertigen UKW-Radio hören Sie Ihre lokalen UKW-FM-Sender mit gutem Klang und hoher Lautstärke.
Das FM-Radio ist einfach aufzubauen und bietet dennoch viele Möglichkeiten. Es gibt zahlreiche Varianten und Optionen. Experimentieren Sie mit verschiedenen Schaltungen und unterschiedlichen Antennen und empfangen Sie nahe und fernere Sender.
Viel Spaß mit dem Radiobausatz!
Inhalt
1 Die Bauteile
2 Einbau des Verstärkers
3 Ein Tongenerator
4 Der verbesserte Verstärker
5 Das einfachste Radio
Die Radio-Platine besitzt zwei Anschlüsse für Tastschalter, Up (aufwärts suchen) und Dn (Down, abwärts suchen). Ein kurzer Druck auf den Up-Taster bewirkt, dass jeweils der Sender auf der nächst höheren Frequenz gesucht wird. Wenn Sie bereits den letzten Sender gehört hatten, beginnt die Suche wieder bei der tiefsten Frequenz. Ein kurzer Druck auf den Dn-Taster startet entsprechend eine Suche in Gegenrichtung. Abwechselndes Betätigen von Up und Dn wechselt immer wieder zwischen zwei Stationen.
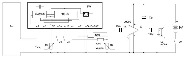
Die Radioplatine liefert eigentlich ein Stereo-Signal an den Ausgängen L und R. Weil aber nur ein Lautsprecher vorhanden ist, werden der linke und der rechte Kanal über zwei Widerstände mit jeweils 100 kΩ zusammenaddiert.



Zusätzlich zum Suchlauf haben Sie die
Möglichkeit, Ihre Wunschsender zu speichern. Wenn Sie mit der Up- oder Dn-Taste
einen Sender gefunden haben, den sie gerne hören, drücken Sie noch einmal
länger auf den Taster. Nach ca. einer Sekunde hören Sie einen Piepton, und
diese Station wird gespeichert. In gleicher Weise können Sie weitere
Wunschsender mit einem kurzen Tastendruck suchen und mit einem langen Druck speichern.
Wenn Sie zum Beispiel drei Sender gespeichert haben und keine weiteren mehr
hinzufügen wollen, schalten Sie das Radio aus und wieder ein. Weil es dazu
noch keinen Schalter gibt, muss man zum Ausschalten den Batterieclip abziehen.
Alternativ kann auch der kurze Verbindungsdraht an der Minusleitung
herausgezogen werden. Später wird an dieser Stelle der Hauptschalter eingefügt.
Mit dem Neueinschalten verhalten sich die beiden Taster anders. Sie starten nun keinen Suchlauf mehr, sondern wählen nur die gespeicherten Frequenzen aus. Mit Up und Dn können Sie vorwärts und rückwärts durch Ihre eigene Liste der Wunschsender suchen, alle anderen Sender im UKW-Bereich bleiben ausgeblendet.
Noch angenehmer sind die gespeicherten Frequenzen, wenn das Radio später in sein Gehäuse eingebaut wird und dann mit dem Poti abgestimmt werden kann. Es gibt dann nämlich keine leeren Kanäle mehr auf der Skala, also kein lästiges Rauschen zwischen den Stationen wie bei älteren UKW-Radios.
Wenn Sie alle verfügbaren Stationen speichern wollen, verwenden Sie den Automatik-Suchlauf. Halten Sie beim Einschalten die Up-Taste gedrückt. Dann werden automatisch in einem Takt von vier Sekunden alle Sender zwischen 87,5 MHz und 108 MHz gesucht, hörbar gemacht und gespeichert. Am Ende bleibt der erste Sender eingeschaltet.
Mit dieser vollständigen Liste verhält sich das Radio nach dem nächsten Start ähnlich wie ganz zu Anfang. Allerdings ist die Senderwahl wesentlich schneller, weil kein Suchlauf mehr gestartet werden muss, sondern die Frequenzen aus der Liste gewählt werden. Der wesentliche Vorteil zeigt sich aber erst mit der Poti-Abstimmung und dem Einbau ins Gehäuse.
Um die gespeicherten Stationen zu löschen und das Radio in den Grundzustand zu versetzen, halten Sie beide Schalter, Up und Dn gedrückt und schalten das Radio ein. Sie hören einen kurzen Piepton, und der Speicher wird gelöscht. Danach bleibt das Radio still. Sie müssen es noch einmal neu einschalten. Dann können Sie wieder die Up- und Dn-Taste mit kurzer Betätigung zum Suchlauf und mit längerem Druck zum Speichern Ihrer Wunschsender verwenden.
7 Einbau in das Gehäuse
Im Bausatz gibt es zwei Potentiometer (Potis). Eines davon ist für die Einstellung der Lautstärke vorgesehen und hat einen Schaltkontakt zum Ein- und Ausschalten des Radios. Das zweite Poti dient zur Senderwahl. Montieren Sie beide Potis mit ihren Unterlegscheiben und den Überwurfmuttern in das Radiogehäuse. Eine kleine Blechlasche am Poti passt gerade in ein seitlich angebrachtes Loch und verhindert ein Verdrehen. Schieben Sie den Lautsprecher in die vorgesehene Halterung. Der Lautsprecher kann mit etwas Klebstoff zusätzlich gesichert werden.
Kleben Sie dann die Steckplatine zwischen die Potis und den Lautsprecher. Sie hat dazu eine doppelseitige Klebefolie, die mit einer Schutzfolie abgedeckt ist. Ermitteln Sie zunächst die optimale Position der Steckplatine. Entfernen Sie dann die Schutzfolie und kleben Sie die Steckplatine ein. Achtung, die Position muss beim ersten Versuch stimmen und ist dann nur noch zu schwer korrigieren.

Schließen Sie das Lautstärkepoti wie im Aufbauplan an und beachten Sie dabei die Farben der Anschlusskabel. Verwenden Sie auch den Schalter des Potis. Er wird in die Minusleitung der Batterie gelegt, wo bisher schon ein Widerstand und später ein Draht eingebaut waren. Das andere Poti dient zur Frequenzwahl. Setzten Sie am Ende die beiden Drehknöpfe auf die Achsen der Potis. Stecken Sie die Batterie an den Clip und testen Sie das fertige Radio.



Mit dem Anschluss der Potis erreichen Sie, dass das Radio zugeklappt werden kann und von außen zu bedienen ist. Der kleine Lautsprecher erreicht dann einen mehr Lautstärke und einen angenehmeren Klang. Stellen sie eine Station ein. Ein einmal eingestellter Sender erscheint auch nach einem neuen Einschalten des Radios wieder.
Die Antenne besteht nun aus einer möglichst großen Drahtschleife, die zwischen A und GND angeschlossen wird. Verwenden Sie dafür einen ganzen Meter Draht. Führen Sie den Antennendraht durch die beiden dafür vorgesehenen Löcher, sodass die Antennenschleife außerhalb des Gehäuses liegt. Der Draht sollte an beiden Seiten verdrillt werden, sodass die Antenne stabil gehalten wird und nicht aus den Steckboard rutschen kann.
Die vorher schon gespeicherten Sender verteilen sich nun gleichmäßig über die Frequenz-Skala des oberen Potis. Anders als bei älteren UKW-Radios entfällt das starke Rauschen zwischen den Stationen. Außerdem konnten Sie festlegen, welche Stationen Sie hören wollen. Oft hat man ja nur zwei der drei Sender, die man immer wieder gerne hört. Die Abstimmung ist dann ganz bequem, das mühselige Suchen der genauen Einstellung ist nicht mehr nötig.
Ihre Sender-Liste können Sie nach wie vor ändern. Klappen Sie dazu das Gehäuse auf, um an die Tastschalter zu gelangen. Löschen Sie die alte Liste, indem Sie Up und Dn beim Einschalten gedrückt halten. Beim nächsten Einschalten können Sie dann wie bisher mit den Tastern Stationen suchen und speichern. Oder Sie schalten das Radio bei gedrückter-Up-Taste ein und starten damit einem vollständigen Suchlauf mit Speicherung aller verfügbaren Sender. Wenn auf diese Weise zehn Sender gefunden werden, nehmen sie beim nächsten Einschalten einen kleineren Bereich auf dem Abstimmpoti ein, sind aber immer noch leicht einzustellen.
Es gibt nun noch eine weitere Möglichkeit, Wunschsender zu suchen. Diesmal wird das Abstimm-Poti dazu verwendet. Schalten Sie das Radio bei gedrückter Dn-Taste neu ein. Nun können Sie jeden Kanal im UKW-Bereich einstellen. Da ein Kanalraster von 100 kHz besteht, gibt es zwischen 87,5 MHz und 108 MHz über 200 Kanäle, von denen jeder nur einen Bereich von etwas über einem Grad auf der Skala belegt. Das Poti muss also sehr langsam und feinfühlig bedient werden, um die vorhandenen Stationen zu finden. Bei stärkeren Stationen hört man auch noch auf den Nachbar-Kanälen ein schwaches Signal. Man muss dann die Frequenz sehr genau einstellen, bis das Signal laut und klar erscheint. Ein Vorteil dieser Abstimm-Methode ist, dass Sie auch entferntere Sender mit schwachen Signalen empfangen können, die bei einem automatischen Suchlauf nicht hörbar werden.
Und auch die Speicherung der Stationen ist nun möglich. Wenn Sie einen Wunschsender gefunden haben und lange eingestellt lassen, hören Sie nach zehn Sekunden einen Piepton, und diese Frequenz wird gespeichert. Mit dieser Methode können Sie auch schwache Stationen speichern. Und Sie können die Reihenfolge der Stationen Ihren Wünschen anpassen. Wenn Ihr wichtigster Sender in der Mitte oder am oberen Rand des UKW-Bereichs liegt, können Sie ihn trotzdem an die erste Position setzen, indem Sie ihn zuerst speichern. Beim nächsten Einschalten des Radios finden Sie ihn dann ganz bei Linksdrehung des Frequenz-Potis.
Manchmal werden schwächere Stationen nur mit hörbarem Rauschen empfangen. Dann können Sie versuchen, das Radio oder die Antenne zu drehen, um den Empfang zu verbessern. Testen Sie auch unterschiedliche Aufstellorte für das Radio. In manchen Gebäuden schirmen die Wände die UKW-Signale teilweise ab. Dann kann eine Position nahe am Fenster bessere Ergebnisse liefern. Testen Sie auch den Empfang im Freien.
8 Das Reiseradio
Wenn man mit dem Radio auf Reisen gehen will, sind die vorprogrammierten Stationen nicht mehr hilfreich, weil an andern Orten ganz andere Stationen mit ganz anderen Frequenzen zu empfangen sind. Dann ist ein traditionelles Radio besser, das jeden beliebigen Kanal empfängt. Heute hier, morgen da, und überall werden andere Frequenzen verwendet. Auf die Speicherung der Stationen kann man dann verzichten.
Verbinden Sie den Dn-Anschluss mit einem Draht nach Minus. Die Schalter werden nicht gebraucht, der Up-Anschluss bleibt frei. Damit verhält sich das Radio wie ein ganz normales analoges UKW-Radio. Man findet auf den leeren Kanälen nur ein starkes Rauschen und muss die Frequenzen der gewünschten Stationen mit dem Frequenz-Poti sehr genau einstellen.
Die Antenne kann als einfacher Draht angeschlossen werden, der nicht unbedingt nach außen geführt werden muss. Für ausreichend starke Sender reicht es auch, den Antennendraht ins Gehäuse zu legen. Alle Ortssender können klar empfangen werden, und das Radio bleibt kompakt und gut transportabel mit gut geschützter Antenne. Bei vielen älteren Radios sieht man abgeknickte Antennen, aber hier kann so etwas nicht passieren.



8 Fehlersuche
Beim Aufbau des Radios kann auch einmal ein Fehler passieren, der vielleicht nicht ganz einfach zu finden ist. Geben Sie in dem Fall nicht auf, sondern nehmen Sie die Herausforderung an. Wenn das Radio nicht funktioniert, überprüfen Sie zunächst alle Verbindungen. Vergleichen Sie Draht für Draht Ihren Aufbau mit der Aufbauzeichnung und dem Aufbaufoto. Überprüfen Sie, ob alle Drähte fest sitzen. Die häufigsten Fehler sind:
Achten Sie darauf, ob ein Einschaltknacken zu hören ist. Weil der Drehschalter am Lautstärkeregler selbst ein Geräusch erzeugt, kann es sinnvoll sein, den Schalter eingeschaltet zu lassen und die Batterie an den Clip zu halten. Falls dabei kein Knacken zu hören ist, muss sich die Fehlersuche zuerst auf Verbindungs- oder Kontaktprobleme im Bereich der Batterie, des Verstärkers und des Lautsprechers konzentrieren.
Achten Sie darauf, ob der Verstärker oder ein anderes Bauteil heiß wird, was auf einen Anschlussfehler hinweisen würde. Bewegen Sie einzelne Drähte, um Kontaktprobleme aufzuspüren. Wenn bei der leichten Berührung eines Drahtes oder eines Bauteils kratzende Geräusche auftreten, weist dies auf einen schlechten Kontakt hin.
Wenn keinerlei Geräusch aus dem Lautsprecher kommt, fällt der Verdacht auf den Lautsprecher, den Verstärker und den Lautstärkeregler. Widerholen Sie dann die ersten Versuche mit dem Lautsprecherverstärker oder führen Sie die folgenden Tests durch:
Für die weitere Fehlersuche kann ein Voltmeter nützlich sein. Mit etwas Geschick kann aber auch der Verstärker für eine grobe Spannungsprüfung eingesetzt werden. Ziehen Sie dazu den braunen Potianschluss heraus und verwenden ihn als Messkabel. Das Lautstärkepoti sollte in mittlerer Stellung oder leiser stehen. Wenn Sie dann mit dem braunen Kabel einen Punkt der Schaltung berühren, entsteht ein Knacken, dessen Lautstärke ein Maß für die Spannung ist. Testen Sie auch die volle Betriebsspannung (9 V, sehr laut) und die Minusleitung (GND, 0 V, kein Geräusch). Die weiteren Tests sollten folgendes zeigen:

Wenn Sie an einem Messpunkt eine deutliche Abweichung feststellen, liegt in diesem Bereich wahrscheinlich der Fehler, also meist ein Kontaktproblem, ein verwechseltes Bauteil oder eine falsche Verbindung. In seltenen Fällen kann auch ein Bauteil defekt sein. Insbesondere können der Lautsprecher, das Verstärker-IC und die UKW-Platine durch fehlerhaftes Anschließen oder eine zu hohe Spannung beschädigt werden. Beim Lautsprecher oder an den Potis können die Anschlusskontakte beschädigt sein. An den Potis und am Schalter können Kontaktprobleme auftreten.
10 Technische Hintergründe
Übliche analoge UKW-Radios verwenden eine Zwischenfrequenz von 10,7 MHz. Die Empfangsfrequenz wird dabei zunächst auf die Zwischenfrequenz umgesetzt und danach analog gefiltert, verstärkt und demoduliert. Dieses Radio arbeitet digital. Der Radiobaustein CL6017S enthält einen digitalen Signalprozessor (DSP). Die Antennensignale werden zuerst auf eine tiefere Frequenz umgesetzt und dann mit einem Analog-Digital-Wandler digitalisiert. Der DSP übernimmt dann die digitale Filterung, die Demodulation des FM-Signals und die Dekodierung des Stereo-Signals. Das Blockschaltbild zeigt den inneren Aufbau des CL6017S.

Die digitale Signalverarbeitung dauert etwas länger als die analoge Verarbeitung in einem traditionellen Radio. Man kann das beobachten, wenn man ein analoges Radio auf denselben Sender einstellt. Die Klänge aus dem DSP-Radio kommen einen kurzen Moment später.
Der Radiobaustein CL6017S besitzt keine Anschlüsse für Bedienelemente, sondern wird durch einen Mikrocontroller über die beiden Leitungen SDIO und SCLK gesteuert. Über diese Verbindung werden neue Empfangsfrequenzen eingestellt, Suchläufe gestartet und gefundene Frequenzen ausgelesen. Der Mikrocontroller ist ein PGS134 mit internem EEROM und AD-Wandler. Mit dem AD-Wandler wird die Stellung des Tune-Potis gemessen, und Stationen werden im EEPROM gespeichert. Die Bedienung des Radios wird durch ein internes Programm im Mikrocontroller bestimmt.
Befestigung der Knöpfe

Die Drehknöpfe werden einfach auf die geriffelten Achsen der Potis
geschoben. Ich musste mich erst an die neue Bauform gewöhnen. Zuerst saßen sie zu
locker, weil ich sie nicht weit genug auf die Achse gepresst hatte, auch aus
Sorge, das Gehäuse einzudrücken. Aber man kann einfach auf der Innenseite das
Poti gegenhalten. Zum Vergleich zeigt das Foto den Abstimmknopf korrekt aufpresst
aber den Lautstärkeknopf zu locker aufgesteckt.






Meinen alten Schulkameraden Jürgen hat es nach Sidney verschlagen. Das neue Radio hat seinen Weg bis dahin gefunden.
Zusammen mit seinen beiden Enkelkindern hat er die englische Version
des Wavy aufgebaut. Die Kinder waren hoch motiviert. Das englische
Radio verwendet das ältere Gehäusedesign. Ein weiterer Unterschied ist,
dass die Programmierung eigener Wunschsender im Handbuch nicht
beschrieben wird. Am Ende hat man das "Reise-Radio". Für andere
europäische Länder hat Franzis aber das deute Handbuch ins Englische
übersetzt und zum Download angeboten. https://transfer.franzis.de/67226-1_Radio_Instructions.pdf
