


|
Seite |
Zeile |
Befehl |
Daten |
Kommentar |
|
0 |
00 |
9 |
4 |
JMP 04 |
|
|
01 |
5 |
9 |
PWM=A ; UP – Ausgabe PWM |
|
|
02 |
2 |
6 |
Warte 100ms |
|
|
03 |
E |
0 |
RET |
|
|
04 |
1 |
8 |
LEDs 1000 ; Flur |
|
|
05 |
2 |
C |
Warte 10s |
|
|
06 |
1 |
4 |
LEDs 0100 ; Küche |
|
|
07 |
2 |
C |
Warte 10s |
|
|
08 |
1 |
6 |
LEDs 0110 ; Küche+WoZi |
|
|
09 |
2 |
C |
Warte 10s |
|
|
0A |
1 |
2 |
LEDs 0010 ; nur WoZi |
|
|
0B |
2 |
C |
Warte 10s |
|
|
0C |
4 |
3 |
A=3; Fernseh-Simulation (20 PWM-Durchläufe) |
|
|
0D |
5 |
3 |
D=A ; 4 Durchläufe mit D |
|
|
0E |
4 |
4 |
A=4 |
|
|
0F |
5 |
2 |
C=A; 5 Durchläufe mit C |
|
1 |
10 |
4 |
A |
A=10 |
|
|
11 |
8 |
0 |
Seite 0 |
|
|
12 |
D |
1 |
Call 01 ; Ausgabe PWM |
|
|
13 |
4 |
3 |
A=3 |
|
|
14 |
D |
1 |
Call 01 ; Ausgabe PWM |
|
|
15 |
4 |
C |
A=12 |
|
|
16 |
D |
1 |
Call 01 ; Ausgabe PWM |
|
|
17 |
4 |
2 |
A=2 |
|
|
18 |
D |
1 |
Call 01 ; Ausgabe PWM |
|
|
19 |
4 |
8 |
A=8 |
|
|
1A |
D |
1 |
Call 01 ; Ausgabe PWM |
|
|
1B |
4 |
5 |
A=5 |
|
|
1C |
D |
1 |
Call 01 ; Ausgabe PWM |
|
|
1D |
4 |
7 |
A=7 |
|
|
1E |
D |
1 |
Call 01 ; Ausgabe PWM |
|
|
1F |
4 |
1 |
A=1 |
|
2 |
20 |
D |
1 |
Call 01 ; Ausgabe PWM |
|
|
21 |
4 |
9 |
A=9 |
|
|
22 |
D |
1 |
Call 01 ; Ausgabe PWM |
|
|
23 |
4 |
B |
A=11 |
|
|
24 |
D |
1 |
Call 01 ; Ausgabe PWM |
|
|
25 |
4 |
0 |
A=0 |
|
|
26 |
D |
1 |
Call 01 ; Ausgabe PWM |
|
|
27 |
4 |
4 |
A=4 |
|
|
28 |
D |
1 |
Call 01 ; Ausgabe PWM |
|
|
29 |
8 |
1 |
Seite 1 |
|
|
2A |
A |
0 |
C=C-1 + JMP 10 |
|
|
2B |
8 |
0 |
Seite 0 |
|
|
2C |
B |
E |
D=D-1 + JMP 0E |
|
|
2D |
4 |
0 |
A=0 |
|
|
2E |
5 |
9 |
PWM=A; Fernseher aus |
|
|
2F |
2 |
C |
Warte 10s |
|
3 |
30 |
1 |
8 |
LEDs 1000 ; Flur |
|
|
31 |
2 |
A |
Warte 2s |
|
|
32 |
1 |
1 |
LEDs 0001 ; SZi |
|
|
33 |
2 |
B |
Warte 5s |
|
|
34 |
1 |
0 |
LEDs 0000 ; alle Lichter aus! |
|
|
35 |
2 |
D |
Warte 20s |
|
|
36 |
1 |
1 |
LEDs 0001 ; SZi („Durst! Noch
mal raus!“) |
|
|
37 |
2 |
A |
Warte 2s |
|
|
38 |
1 |
9 |
LEDs 1001 ; Flur + SZi |
|
|
39 |
2 |
A |
Warte 2s |
|
|
3A |
1 |
D |
LEDs 1101 ; Flur, Küche + SZi |
|
|
3B |
2 |
B |
Warte 5s |
|
|
3C |
1 |
9 |
LEDs 1001 ; Flur + SZi |
|
|
3D |
2 |
B |
Warte 5s |
|
|
3E |
1 |
1 |
LEDs 0001 ; SZi |
|
|
3F |
2 |
A |
Warte 2s |
|
4 |
40 |
1 |
0 |
LEDs 0000 ; alle Lichter aus! |
|
|
41 |
2 |
F |
Warte 60s |
|
|
42 |
1 |
1 |
LEDs 0001 ; SZi („noch mal auf
Toilette!“) |
|
|
43 |
2 |
B |
Warte 5s |
|
|
44 |
1 |
9 |
LEDs 1001 ; Flur + SZi |
|
|
45 |
2 |
B |
Warte 5s |
|
|
46 |
1 |
1 |
LEDs 0001 ; SZi |
|
|
47 |
2 |
A |
Warte 2s |
|
|
48 |
1 |
0 |
LEDs 0000 ; alle Lichter aus! („endlich Ruhe“) |
|
|
49 |
2 |
F |
Warte 5*60s |
|
|
4A |
2 |
F |
|
|
|
4B |
2 |
F |
|
|
|
4C |
2 |
F |
|
|
|
4D |
2 |
F |
|
|
|
4E |
8 |
0 |
Seite 0 |
|
|
4F |
9 |
4 |
JMP04 |
|
5 |
50 |
F |
F |
Programmende |

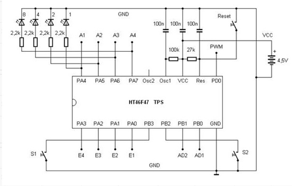
Realisiertes
Schaltmodul mit Test-LEDs