
Das Elektronik-Experiment der Woche
Hier
werden Kennlinien unbekannter Bauteile aufgenommen, die identifiziert
werden sollen. Die Aufgabe bleibt durch die begrenzte Bauteile-Auswahl
auf der Platine überschaubar. Im wöchentlichen Turnus sollen neue
Messungen folgen. Machen Sie mit! Tauschen Sie Erfahrungen aus. Wie
haben Sie das Bauteil erkannt? Jeder kann dazu beitragen, das
Grundlagenverständnis vieler zu fördern.
2.6.17:
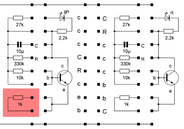
Messung 1Welches
Bauteil wird hier untersucht? Ich bitte um Lösungsvorschläge am
besten als Kommentar in Youtube oder per Email an mich. Zu einfach? Ja,
das stimmt vielleicht in diesem Fall, wenn man schon über Erfahrungen verfügt.
Aber es wird noch schwierig genug...
Die LösungViele
haben die richtige Lösung gefunden. Danke fürs Mitmachen! Untersucht
wurde der 1-k-Widerstand unten links. Deshalb ergibt sich eine Gerade.
Toleranzen und die Gründe für das Ende der Kennlinie bei 2,5 V wurden
in den Youtube-Kommentaren sehr gut herausgearbeitet. Es sind nur 2,5
V, weil im Kennlinienschreiber ein zweiter Widerstand mit ebenfalls 1 k
in Reihe liegt.
Die Beschriftung der Funktionstaste mit y =
PWM-ADC2 nennt formal den Spannungsabfall an diesem Hilfswiderstand.
Eigentlich hätte ich /1k dazuschreiben müssen, damit es ein Strom ist.
Weil es gerade 1 k ist, wird aus dem Spannungsabfall 1 V der Strom 1
mA. Deshalb reichte es, im Diagramm die Einheit auszutauschen.
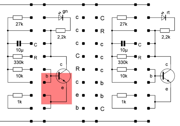
9.6.17: Messung 2

Wer erkennt dieses Bauteil? Es befindet sich ebenfalls auf der Schaltungsplatine.
LösungGemessen
wurde die BE-Diode des linken NPN-Transistors. Der rechte Transistor
häät natürlich das gleiche Ergebnis geliebert, ebenso eine Messung der
BC-Diode. 0,7 V bei 1 mA ist typische für SI-Dioden und
Si-Transistoren.
16.6.17:
Messung 3
Was wird hier gemessen? Ein kleinr Tipp: Ein Vergleich mit Messung 2 zeigt einen kleinen und entscheidenden Unterschied.
LösungGemessen
wurde der NPN-Transistor mit direkter Verbindung zwischen Basis und
Collektor, also E-BC. Beim vorigen Versuch hatte die Messung an E-B 100
mV mehr ergeben. Wegen der Stromverstärkung des Transistors ist
diesmal der Basisstrom deutlich kleiner und die Basis-Emitterspannung
etwas kleiner.
Unter
den Lösungskommentaren hat mich einer ins Grübeln gebracht. Wäre das
Ergebnis mit einem invertierten Transistor und einer direkten
Verbindung E-B anders gewesen? Ich habe es mit einem Digitalmultimeter
in Stellung Diodenmessung überprüft. Es zeigt die Diodenspannung bei
ungefähr einem Milliampere. Ergebnis der reinen Diodenmessungen: E-B:
656 mV, C-B: 656 mV, kein Unterschied. Und als "Transistordiode" E-BC:
549 mV und C-BE: 549, kein Unterschied. Fazit, man kann mit dieser
Messung nicht erkennen, ob der Transistor invertiert war.
23.6.17:
Messung 4

Wer erkennt, was hier gemessen wurde?
Die LösungGemessen
wurde an einer Basis-Emitter-Diodenstrecke parallel zu einem Widerstand
1 k. Bis 0,5 V ist die Diode noch praktisch stromlos, sodass der
Widerstand allein die Kennlinie bestimmt. Daher die Gerade am Anfang.
Bei größeren Strömen bestimmt überwiegend die Diode die Kennlinie. Am
Endpunkt bei 745 mV fließen 0,745 mA durch den Widerstand, aber
ca. 3,5 mA durch die Diode.
30.6.17:
Messung 5

Dies
ist das vorläufig letzte Rätsel zu einem Zweipol. Wer bisher bei jedem
Versuch mit überlegt hat, wird leicht herausfinden, welche Bauteile
hier beteiligt waren. Nach einer etwas längeren Sommerpause soll es
dann im Herbst mit Vierpolmessungen weiter gehen.
Die LösungGemessen
wurde an einer Basis-Emitter-Diodenstrecke in Reihe zu einem Widerstand 1 k.
Bis 0,5 V ist die Diode noch praktisch stromlos, insgesamt fließt kein
Strom. Bei größeren Strömen wird die Diode leitend, aber der Strom wird
durch den Widerstand begrenzt. Die Steigung im rechten Teil der Kennlinie
beträgt 1 mA/V. Daran zeigt sich der der Widerstand mit 1 kOhm.