


Burkhard
Kainka:
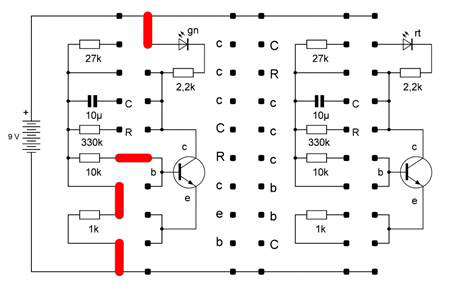
Im normalen Betrieb eines NPN-Transistors
liegt eine positive Spannung am Kollektor. Die BC-Diode sperrt. Der Versuch
kann mit dem linken Transistor leicht aufgebaut werden, wenn man den Emitter
frei lässt. Wie erwartet fließt kein Strom, die LED bleibt aus.

Wir haben uns beide gefragt, warum die Simulation ein halbes Millivolt am Kollektor sieht. Wenn die Betriebsspannung vollständig sowohl an der Strecke LED1 - Emitter als auch an der Strecke LED1 – R3 abfällt, dann bleibt doch eigentlich für die 0,5 mV kein Platz mehr „in der Reihe“? Dazu kommt, dass das simulierte Voltmeter eigentlich unendlich hochohmig ist. In der Realität würde ein Voltmeter wahrscheinlich deutlich weniger als 9 V anzeigen, weil die Durchbruchspannung der BE-Diode meist bei 7 ...8V liegt.
Ergebnisse in LTspice von Jürgen Heisig
LTSpice zeigt diesen Effekt nicht, allerdings steigt die Emitterspannung in ca.
30 Sekunden auf 20mV an. Erst mal erleichtert habe ich dann auch den Rest der
Schaltung gecheckt - oh Schreck! An der LED fällt ca. 1 Volt ab - ohne Strom
Solche Effekte liegen nach meiner Erfahrung immer an den Modellen. Ein
"offener" Anschluss oder auch ein Relaiskontakt oder Schalter ist für
die Simulation wohl unmöglich - mit "unendlich" kann man nicht gut
rechnen ...
Simulationen von Relaiskontakten sind daher z.B. NIE wirklich spannungsfrei und
daher auch nicht wirklich ein Abbild der Realität. Überhaupt: wenn man eine Schaltung simuliert, deren Funktion man noch nicht
durchschaut muss man vorsichtig sein. Man sollte zumindest die Plausibilität
der Simulationsergebnisse überprüfen können oder man läuft in viele Fallen ...
BK: Vermutlich kennen die SPICE-Modelle den theoretischen Sperrstrom
der Transistoren, der in der Ausgabe auf null abgerundet wird. Aber er lädt anscheinend
in der Simulation die Basis-Emitter Kapazität ganz langsam auf. Wenn es bei der
LED ähnlich ist, hat die LED-Kennlinie vermutlich beim Transistor-Sperrstrom
gerade 1 V. In Wirklichkeit ist alles anders. Schon die Ionen in der Luft
können mehr Strom auf einen Draht bringen als den Transistor-Sperrstrom. Und
die LED wird sich durch das Umgebungslicht wesentlich stärker aufladen.