


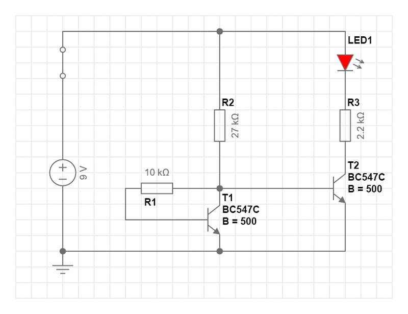
Burkhard Kainka:
Mit
einem Basiswiderstand kann das Gleichgewicht des Stromspiegels leicht verändert
werden. Etwas mehr Strom erreicht man mit einem Widerstand von 10 Kiloohm
zwischen Basis und Kollektor des linken Transistors. Der geringe Basisstrom
verursacht einen kleinen Spannungsabfall, der die Kollektorspannung erhöht.
Damit ist die Basisspannung des rechten Transistors geringfügig höher und der
Kollektorstrom steigt an. Dieses Verfahren der Arbeitspunkt-Einstellung wird
weiter unten in Kap 10.3 beim Aufbau einer Blinkschaltung angewandt.
In den
Gegenkopplungszweig an T1 wird ein 10-Kiloohm-Widerstand (R1) eingefügt. Durch
den Spannungsabfall an R1 reduziert sich die Basis-Emitter-Spannung UBE
für den Transistor, der Widerstand der Strecke UCE erhöht sich und
damit die Kollektorspannung von T1.
Da das Kollektorpotenzial
von T1 das Basispotenzial von T2 bildet, ergibt sich durch das Einfügen von R1 auch
ein höheres Basispotenzial für T2 - und dadurch ein höherer Kollektorstrom
durch T2 - als ohne diesen Widerstand.

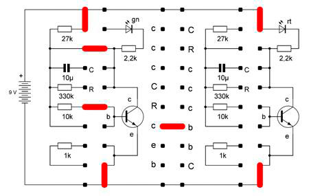
Zum Vergleich die
Schaltung mit überbrücktem Widerstand R1:

Die Basis-Emitter-Spannung UBE von
T1 ist ohne Spannungsabfall an R1 nun höher, damit sinken das
Kollektorpotenzial von T1 und zugleich das verbundene Basispotenzial von T2. Als
Folge fließt ein geringerer Kollektorstrom durch T2 als mit R1.