


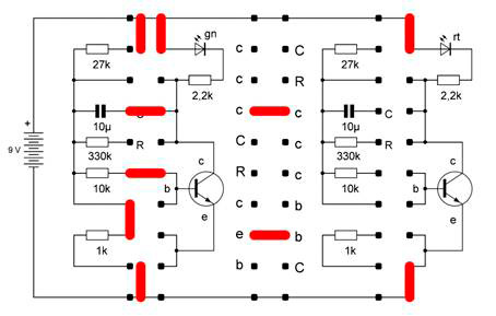
Burkhard Kainka:
Diese
Lampe erleichtert den Übergang vom Tag zur Nacht, weil sie nicht nur sehr
langsam dunkler wird, sondern am Ende auch noch die Farbe verändert. Nach dem
Start mit der oberen Steckbrücke leuchten beide LEDs mit voller Helligkeit.
Nach dem Öffnen des Kontakts wird das Licht ganz langsam dunkler. Nach etwa
einer Stunde geht zuerst die grüne LED ganz aus. Die rote LED leuchtet dann
noch lange nach und wird dabei immer schwächer. Das rote Restlicht reicht aus,
um die Lampe auch bei völliger Dunkelheit leicht zu finden. Dann reicht eine
leichte Berührung mit dem Finger, um das Licht wieder etwas heller zu stellen.
Umgekehrt kann man mit dem unteren Jumper das Licht ohne Verzögerung
abschalten.

Das Bild zeigt den zeitlichen Ablauf von
vier Aktionen:
1.
Schalter S1 und Schalter S2 offen: Die
Betriebsspannung von 9 Volt fällt zur Gänze an den Kollektor-/Emitterstrecken
von T1 und T2 ab. Beide Transistoren sperren, da über R3 kein Basisstrom in die
Darlington-Schaltung fließt. Ohne daraus resultierenden Kollektorstrom bleiben
auch die beiden LEDs dunkel.
2.
S1 geschlossen, S2 offen: Der
Kondensator C1 lädt nun über S1. Durch den Stromteiler mit R3 wird die Basis
von T1 ansteigend mit Basisstrom versorgt. Beide Transistoren schalten durch,
die Kollektor-/Emitterspannungen sinken und folgen dabei umgekehrt proportional
dem Spannungsanstieg an C1, Kollektorstrom fließt, beide LEDs leuchten.
3.
S1 offen, S2 offen: Die Basis von T1 sowie
C1 werden von der Betriebsspannung abgekoppelt. C1 entlädt nun über R3 und T1.
Durch die empfindliche Darlington-Schaltung steigen die Kollektor-/Emitterspannungen
von T1 und T2 nur langsam an. Somit fließt für den Betrieb beider LEDs länger
ausreichend Kollektorstrom durch beide Transistoren, die LEDs dimmen stark
verzögert ab.
4.
S1 offen, S2 geschlossen: C1 wird über
S2 nach Masse kurzgeschlossen. Damit wird die Basis von T1 nicht mehr mit Strom
versorgt. Die Kollektor-/Emitterspannungskurve (Spannung steigt an) folgt
wieder umgekehrt der Kondensator-Spannungskurve (Spannung nimmt
ab). Als Ergebnis dimmen beide LEDs rasch ab.