

Hinweis:
C1 wurde für die Schaltungssimulation von ursprünglich 10 uF auf 1 nF geändert. Durch den damit rascheren Ablauf der Schaltvorgänge kann der Spannungsverlauf am Kondensator besser gezeigt werden.

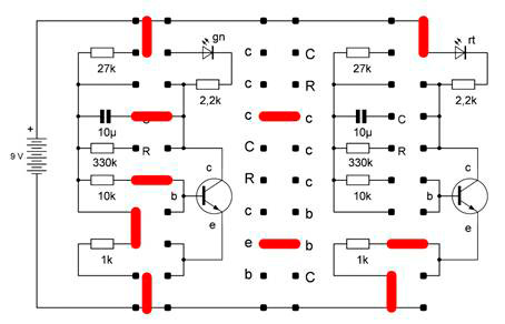
Burkhard Kainka:
Wenn
man den Integrator mit einer Darlington-Schaltung aufbaut, ändert sich die
Helligkeit nur noch so langsam, dass sie als konstant empfunden wird. Durch
Berühren der Kontakte kann man nun jede beliebige Helligkeit einstellen.
Alternativ kann man auch Jumper verwenden, um die Lampe schnell an- oder
auszuschalten. Und wenn man mal das Ausschalten vergisst, ist das auch nicht
schlimm. Es dauert dann etwa eine Stunde, bis das Licht von allein ausgeht oder
nur noch so schwach leuchtet, dass der Stromverbrauch keine Rolle mehr spielt.
Die
Darlington-Schaltung bekommt einen zusätzlichen Emitterwiderstand, um die
Änderungsgeschwindigkeit beim Abdunkeln zu erhöhen. Weil die
Basis-Emitterspannung der Darlingtonschaltung nur etwa 1,2 V beträgt, fließt
beim Berühren des unteren Kontakts nur ein sehr kleiner Strom, während beim
Aufdimmen mit dem oberen Kontakt mehr Strom fließt. Mit dem Emitterwiderstand
wird die Eingangsspannung angehoben, sodass sie etwas mehr in die Mitte
gelangt. So gleichen sich die Geschwindigkeiten etwas an.

Das Bild zeigt den zeitlichen Ablauf von fünf Aktionen.