


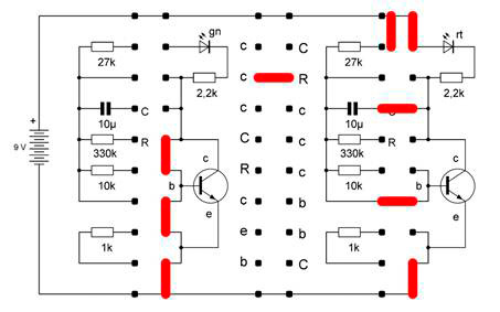
Burkhard Kainka:
Bei
den bisher gebauten Nachlaufsteuerungen war auch nach sehr langer Zeit immer
noch eine Resthelligkeit vorhanden. Wenn man möchte, dass die Lampe irgendwann
ganz ausgeht, muss ein zusätzlicher Entladewiderstand eingebaut werden. Er
sorgt dafür, dass die Basisspannung schließlich deutlich unter 0,6 V absinkt,
sodass der Transistor völlig sperrt. Zusammen mit dem Entladewiderstand von 330
kΩ erreicht man eine Nachleuchtdauer von etwa 5 s. Am Ende dauert es nur eine
Sekunde, bis das Licht völlig ausgeht.

Verlauf
der Kollektor-Emitterspannung ohne Entladewiderstand R2

Die Kollektor-Emitterspannung (ohne
Entladewiderstand R2) steigt nach Öffnen des Schalters S1 langsamer an …
Verlauf
der Kollektor-Emitterspannung mit Entladewiderstand R2

…. als mit Entladewiderstand R2.
Mit Entladewiderstand R2 dimmt die LED
rascher ab, da ein Teil des Basisstroms aus dem Kondensator C1 über R2 nach
Masse abfließt.
Der Kollektorstrom sinkt dabei umgekehrt
zur steigenden Kollektor-Emitterspannung:
Verlauf
der Kollektor-Emitterspannung und des Kollektorstroms ohne Entladewiderstand R2

Verlauf
der Kollektor-Emitterspannung und des Kollektorstroms mit Entladewiderstand R2
