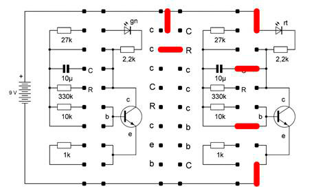
7.1 Gutenacht-Licht   

von Andreas Thaler

Elektronik-Labor  Projekte  Lernpakete  Grundschaltungen

 

Beschreibung der Schaltung

Burkhard Kainka:

Die Lampe soll nach dem Ausschalten noch lange nachleuchten und dann ganz allmählich schwächer werden. Lange Zeiten erreicht man, wenn der Kondensator zwischen Basis und Kollektor eingebaut wird. Eine solche Schaltung nennt man einen Integrator, weil die Ausgangsspannung sich mit dem Eingangsstrom und der Zeit ändert. Ein größerer Strom oder eine längere Zeit ergibt also eine größere Änderung der Ausgangsspannung. Beim Einschalten des Basisstroms ändert sich die LED-Helligkeit langsam und erreicht erst nach einigen Sekunden ihr Maximum.

Öffnet man den Schalter, sorgt nur noch der geringe Basisstrom für eine Änderung der Kondensatorspannung. Und die Änderung der Kollektorspannung wirkt der schnellen Entladung entgegen. Während nämlich die Basisspannung geringfügig sinkt, steigt die Kollektorspannung stark an. Die Änderung wird dadurch verlangsamt. Die Schaltung arbeitet so wie ein wesentlich größerer Kondensator zwischen Basis und Emitter.

 


Schaltungssimulation mit EveryCircuit

 

Schaltung mit Kondensator

 

 

Verlauf der Kollektor-Emitterspannung (UCE) nach Ein- und Ausschalten der Basisspannung.

Nach dem Einschalten teilt sich die Basisspannung auf den Kondensator und die Basis des Transistors auf. Der Kondensator lädt, damit fällt an ihm zunehmend weniger Spannung ab und die Spannung an der Basis des Transistors steigt. Nachdem der Kondensator seine größtmögliche Spannung erreicht hat, schaltet der Transistor maximal durch.

Wird die Basisspannung ausgeschaltet, versorgt der Kondensator die Basis mit Spannung. Der Kondensator entlädt sich, damit wird auch die Basisspannung stetig kleiner und UCE nimmt zu.

 

 

Werte der Schaltung nach vollständiger Ladung des Kondensators. UCE liegt auf Minimalwert, der Transistor schaltet voll durch, die LED leuchtet mit maximaler Helligkeit.

 

 

Werte der Schaltung nach Abschalten der Basisspannung. Der Kondensator entlädt über die Basis des Transistors, UCE nimmt stetig zu während die LED langsam abdimmt.


 

 

Schaltung ohne Kondensator

 

 

(Hinweis B. Kainka: Die Spannungsspitze nach dem Ausschalten scheint mir ein Fehler des Simulators zu sein. Jedenfalls will mir keine Erklärung dazu einfallen. Falls jemand es mit einer anderen Software testen will, wäre ich auf das Ergebnis gespannt. Ob LTSpice wohl ein anderes Ergebnis zeigen würde?)


Der Transistor wird nun als Schalter ohne Verzögerung angesteuert.

Vor dem Einschalten der Basisspannung entspricht UCE der Betriebsspannung.

Nach dem Einschalten schaltet der Transistor sofort durch, UCE fällt auf einen Minimalwert.

Durch das Ausschalten der Basisspannung fällt die gesamte Betriebsspannung an der Kollektor-Emitterstrecke ab, UCE entspricht somit wieder der Betriebsspannung.


 

Die Werte der Schaltung nach dem Einschalten der Basisspannung.

Hier ist auch zu sehen, dass die Werte der Schaltungsversion mit Kondensator entsprechen, nachdem dieser voll geladen ist. Der Kondensator lässt nach dem Aufladen keinen weiteren Strom passieren, damit fließt der Basisstrom vollständig in die Basis des Transistors und schaltet diesen voll durch.

 

 

Und die Werte nach dem Abschalten der Basisspannung. Der Transistor sperrt sofort, es fließt kein Strom in der Schaltung, die LED ist dunkel.



Vergleich mit LTSpice von Jürgen Heisig


Ich habe es mal mit LTSPice versucht. Da gibt es auch eine kleine Spitze, aber nicht so ausgeprägt. Möglicherweise spielen hier Kapazitäten im Transistor eine Rolle. Viel eher vermute ich aber ein Problem in der Simu. Immer, wenn man mechanische Taster/Schalter simulieren will, gibt es Probleme. Die LTSpice-Modelle, die ich für einen "Switch" finden konnte, sind alle mangelhaft und führen oft zu grob falschen Ergebnissen. Sie sind nicht wirklich potentialfrei.


Eine getaktete Spannungsquelle funktioniert auch nicht, da die nach Gnd und nicht nach Unendlich schaltet. Mit einer Ausnahme: ich konnte ein Relais-Modell finden, bei dem ich Einfluss auf den "Off"-Widerstand habe. Wenn ich den auf Maximum einstelle, verhält der Kontakt sich auch wie ein Kontakt - na ja fast, s.o.

Nebenbei scheint die abgebildete Simu den Startmoment nicht zu berücksichtigen -  jedenfalls fehlt die Stromspitze am Anfamg, wenn der Elko erstmalig aufgeladen wird.