

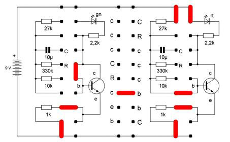
Hinweis:
Der im Schaltbild angegebene
Stromverstärkungsfaktor B = 500/100 entspricht nicht der realen
Stromverstärkung der beiden Transistoren BC547C. Um einen Temperaturanstieg in
der nachfolgenden Simulation nachbilden zu können, wird für beide Transistoren jedoch
ein unterschiedlicher Stromverstärkungsfaktor angenommen.

Burkhard Kainka:
Ein
weiterer Transistor im Spannungsteiler kompensiert den Temperatureinfluss.
Unter der Voraussetzung, dass beide Transistoren die gleiche Temperatur
haben, hebt sich der Einfluss weitgehend auf. Bei höheren Temperaturen
würde die Basisspannung absinken, die Emitterspannung aber fast unverändert
bleiben.
Während
der Temperatureinfluss ohnehin recht gering ist, hat sich der Arbeitspunkt
jetzt insgesamt auf 0,3 mA verschoben. Und er ist weiterhin stark von der
Batteriespannung abhängig.
Da in EveryCircuit die Temperatur von
Bauteilen nicht nachgestellt werden kann, wird in zwei Simulationen ein
unterschiedlicher Stromverstärkungsfaktor B für beide Transistoren angenommen:
a)
B = 100 für beide Transistoren
b)
B = 500 für beide Transistoren
Stromverstärkungsfaktor
B = 100

Stromverstärkungsfaktor
B = 500

Ergebnis:
Trotz eines fünf Mal höheren
Stromverstärkungsfaktors (B = 100 auf B = 500) erhöht sich der Laststrom nur geringfügig
um 5 uA.
Zum Vergleich die bereits besprochene Schaltung
6.2
(„Arbeitspunkt-Stabilisierung“), die im Basisspannungsteiler statt dem
Transistor mit Gegenkopplung einen 10-Kiloohm-Widerstand aufweist:
Stromverstärkungsfaktor
B = 100

Stromverstärkungsfaktor
B = 500

Ergebnis:
Hier bewirkt der fünf Mal höhere
Stromverstärkungsfaktor B eine Laststromänderung von 1,72 mA auf 1,84 mA, also eine
Differenz von 0,12 mA.
Das ist ein deutlicher Unterschied zu den nur
5 uA Laststromerhöhung in der „temperatorkompensierten“ Schaltung mit
Transistor und Gegenkopplung im Basisspannungsteiler.
Anmerkung B.K.: Die Simulation zeigt
anschaulich, dass sehr unterschiedliche Transistoren praktisch zum selben Ergebnis
führen, solange beide gleich sind. In beiden Fällen beträgt die
Basis-Emitterspannung 697 mV. Bei einer höheren Temperatur würde sie bei beiden
Transistoren geringer. Aber auch dieser Einfluss würde sich aufheben, der Strom
bliebe praktisch gleich.