


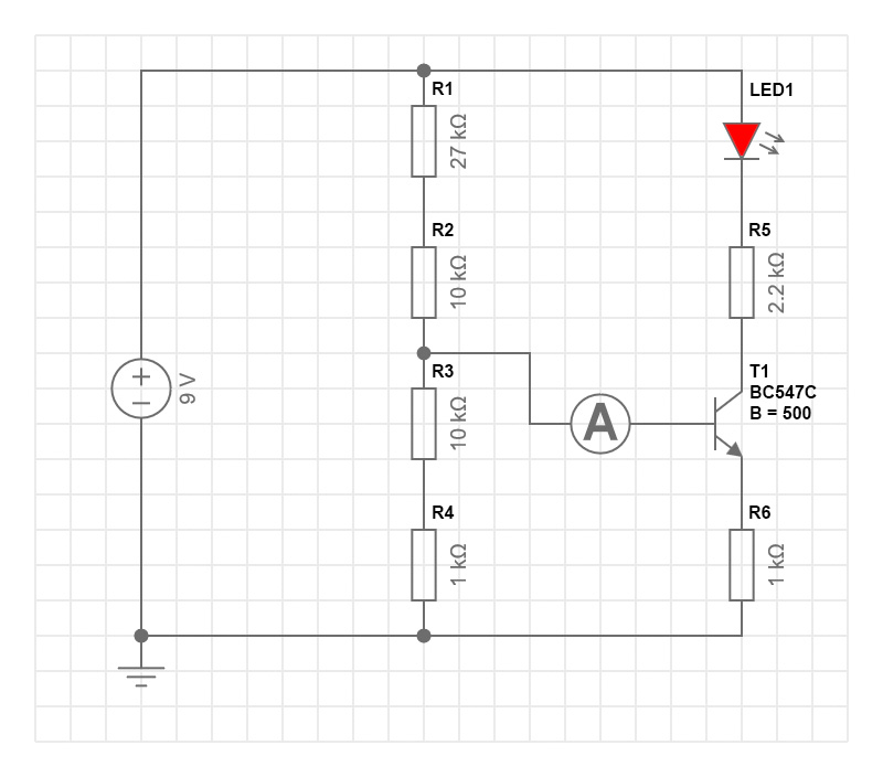
Burkhard Kainka:
Für
viele Aufgaben ist ein mittlerer Arbeitspunkt wichtig, sodass man den Strom in
beide Richtungen gleich weit aussteuern kann. Dafür ist es erforderlich, den
Strom gegenüber der letzten Schaltung (s. 6.2 Arbeitspunkt-Stabilisierung) noch etwas zu reduzieren. In diesem Fall
ist das möglich, indem ein weiterer Widerstand in den Spannungsteiler
eingesetzt wird. Die Basisspannung beträgt nun nur noch 2 V und der
Arbeitspunkt wird auf 1,4 mA stabilisiert. Dabei findet man eine
Kollektorspannung im Bereich von 4,5 V, also gerade bei der halben
Betriebsspannung.

Durch Hinzufügen von R2 mit 10 Kiloohm
fließt weniger Strom durch den Basisspannungsteiler, gebildet aus R1, R2, R3
und R4.
Die Ausgangsspannung des Spannungsteilers von
2,04 Volt lässt einen Basisstrom von 2,62 uA durch die Basis-Emitterstrecke von
T1 fließen. T1 schaltet mit einem Kollektorstrom von 1,31 mA durch
(Arbeitspunkt).
Die Kollektorspannung UC beträgt gegenüber Masse 4,57 Volt und entspricht
somit fast genau der halben Betriebsspannung (4,5 Volt).
Der Kollektorstrom IC ergibt sich aus der Verstärkung des Basisstroms IB mit B = 500:
IC = IB * B
IC = 2,62*10-6 A * 500
IC = 1,31*10-3 A = 1,31 mA
Mit einem Laststrom von 1,31 mA sollte die
rote LED auf dem Steckbrett schwach leuchten.