
Wenn man
mit Schuhen auf einem Teppich oder auf einem Kunststoffboden herumschlurft,
kann man sich leicht mal so weit elektrisch aufladen, dass die Entladung an
einer Türklinke richtig weh tut. Der Körper erreicht dabei Spannungen von
einigen tausend Volt. Jeder kennt auch Versuche, bei denen ein Kamm oder ein
Lineal an einem Tuch gerieben wird und sich dabei elektrisch auflädt. Dabei
entstehen elektrische Kräfte, mit denen man Papierschnipsel bewegen kann.
Elektrische Aufladungen gibt es immer und überall, aber meist bemerkt man sie
nicht, weil sie zu klein sind. Mit zwei Transistoren kann man sie aber leicht
nachweisen.
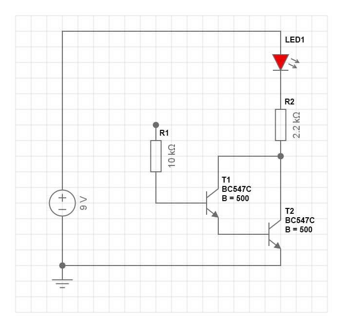
Der
Versuch verwendet wieder eine Darlington-Schaltung, mit der sich kleinste
Ströme verstärken lassen. Der Eingang ist aber nirgendwo angeschlossen. Wenn
nun eine elektrische Kraft auf einen Draht oder die Kupferbahn der Platine
wirkt, werden Elektronen angezogen oder abgestoßen. Elektrische Kräfte
verschieben also elektrische Ladungen. Dadurch entsteht ein winziger Strom, der
durch die Darlington-Schaltung verstärkt und mit der LED angezeigt wird.
Zum Test
kann man nun einfach eine Hand annähern und wieder zurückziehen. Wenn die LED
beim Annähern aufleuchtet, war der eigene Körper positiv aufgeladen. Wenn sie
beim Zurückziehen der Hand aufleuchtet, war man negativ geladen. Man kann aber
auch die ganze Platine in die Hand nehmen und umhergehen. Oft wird dann die LED
bei jedem Schritt einmal aufleuchten.
Auch
elektrische Wechselfelder in der Nähe von Netzkabeln können nachgewiesen
werden. Bei einem starken Wechselfeld leuchtet die LED scheinbar dauerhaft.
Aber wenn man genauer hinsieht, erkennt man ein schnelles Flackern. Die LED
geht 50mal in der Sekunde an und aus. Die Empfindlichkeit der Schaltung kann
sehr einfach erhöht werden, indem man den Minuspol berührt.
Die
Ähnlichkeit mit dem Berührungssensor aus dem vorigen Versuch fällt jedem gleich
auf. Und tatsächlich kann man die LED auch durch Berühren von zwei Kontakten
einschalten. Man muss auch gar nicht so genau treffen. Es reicht, wenn man von
oben auf die Kontakte auf der Plus-Seite fasst.
Erste Begegnung mit
Wechselspannungen
Als ich vor einigen Monaten die Beschreibung zu
dieser Schaltung las und den Versuch auf dem Steckbrett aufgebaut hatte, war
ich sehr zufrieden. Ich hatte den elektronischen Hintergrund soweit verstanden,
alles funktionierte wie beschrieben, ein Erfolgserlebnis stellte sich
unmittelbar ein. Ich protokollierte den Versuch und widmete mich dem nächsten
Experiment aus den „Grundschaltungen“.
Nun stehe ich vor der Aufgabe, diese Schaltung
im Schaltungssimulator aufzubauen und vorzustellen. Nur finden sich in
EveryCircuit unter all den virtuellen Bauteilen leider keine Hand und auch kein
Finger, mit denen ein elektrisches Feld simuliert werden könnte. Und wenn ich
die Schaltung am iPhone aktiviere und mit ihr umhergehe, passiert auch nichts
mit der LED, sie bleibt dunkel.
Was also tun?
Nach einigen erfolglosen Überlegungen und
Ansätzen gab ich meine Versuche auf und fragte Burkhard Kainka, wie ich die Schaltung
im Simulator nachbilden könnte. Seine Antwort kam rasch und sie rüttelte mich sanft
auf:
„Gerade
habe ich mal geschaut, was die Folgekapitel bringen. Das wird nicht leicht zu
simulieren. Die elektrischen Felder im Versuch 5.2 ‚Elektrofeldsensor‘ können
Sie mit einem Sinusgenerator mit 1 Hz/50 V und einem Kondensator mit ein paar
Picofarad zum Eingang simulieren.“
Uh, jetzt musste ich mich doch mit dem Thema
Wechselspannungen beschäftigen, das ich bisher peinlich gemieden hatte!
Zu kompliziert erschienen mir die
verschiedenen Spannungskurven und das seltsame Verhalten von Kondensatoren und anderen
elektronischen Bauteilen in diesem Hin und Her der Elektronenströme. Zu meinem
Glück stellte sich rasch heraus, dass alles nur halb so schlimm ist mit den
unsteten Spannungen und Strömen. Und dass sich Kondensatoren (und Spulen) unter
Wechselspannung eigentlich sehr nützlich verhalten, zB können sie dem
Wechselstrom Widerstand entgegensetzen. Und das Schöne daran: Auch der
kapazitive Widerstand eines Kondensators kann in den vertrauten Ohm angegeben
werden ;-) Mehr dazu unten.
Hier nun
die modifizierte Schaltung nach Angabe von Burkhard Kainka
Hinzugekommen zur Originalschaltung ist eine Wechselspannungsquelle 1 Hz/USS = 100 V, die über einen Kondensator mit 3 pF an den Basiswiderstand einer Darlington-Schaltung angeschlossen ist.

Wofür stehen nun die Wechselspannungsquelle
und der Kondensator? Wie kann damit ein elektrisches Feld simuliert werden, das
– verstärkt über die Darlington-Schaltung – die LED zum Aufleuchten bringt?
Dazu Burkhard Kainka:
„Wenn ich
meine Füße bewege, entstehen Spannungen von ca. 100 V bis 1000 V, in erster
Näherung sinusförmig. Um meinen Körper herum bildet sich dann ein elektrisches
Feld, das bei einer Änderung eine Ladungsverschiebung auf einem Draht erzeugt.
Draht und ich bilden einen Kondensator von rund 1 pF. Die Wechselspannung des
Körpers hat die Frequenz der Fußbewegung, also ca. 1 Hz. Mit dem Oszilloskop
und Teiler 10 : 1 kann man das direkt beobachten, aber es bleiben nur ein paar Millivolt
übrig. Der Verschiebungsstrom kann bei 10 nA liegen. Interessant wird, ob
die Simulation auch den ersten Durchbruch der Basis erkennt.“
Gehen wir es an.
Das virtuelle Oszilloskop im Simulator misst
drei Potentiale gegen Masse:
·
ORANGE: Pluspol der Wechselspannungsquelle 1
Hz/100 USS
·
GRÜN: Spannung an der Basis von T1
·
VIOLETT:
Eingang Kollektor T2

Die Wechselspannungsquelle erzeugt eine
sinusförmige Spannungskurve mit den beiden Scheitelwerten in der Höhe von
jeweils 50 V (ORANGE). Diese Spannung liegt an
der Reihenschaltung C1, R1, sowie den beiden Basis-Emitterstrecken von T1 und
T2. Diese vier Bauteile/Strecken bilden zusammen einen sogenannten „Scheinwiderstand“ oder auch „Impedanz“. Dabei fällt am Kondensator die meiste
Spannung ab.
Der Scheinwiderstand einer
Reihenschaltung aus Kondensator und Widerstand kann nach der Formel
Z2 = R2 + XC2
berechnet werden, wobei R für den ohmschen Widerstand und XC für den
sogenannten „kapazitiven Blindwiderstand“ des Kondensators steht. Beide
zusammen ergeben den Scheinwiderstand Z.
Liegt an einem Kondensator eine
Wechselspannung an, so wird der Kondensator periodisch, der jeweiligen Frequenz
folgend, ge- und entladen. Dabei verhält sich der Kondensator wie ein Widerstand.
Zur Berechnung des Scheinwiderstandes
nehme ich einmal mehr Electronics Engineering ToolKIT PRO (eine App für iOS) zur Hilfe.
Nach Eingabe von ohmschem Widerstand
(10 KOhm), Kapazität (3 pF) und Frequenz (1 Hz) ergibt sich als
Scheinwiderstand Z (Impedanz) ein beachtlicher Wert von 53,05 GOhm:


Unberücksichtigt dabei ist der Gesamtwiderstand der beiden
Basis-Emitterstrecken von T1 und T2, der vermutlich aber wenig zusätzlich
beitragen wird.
Wechselspannungskurven und ihre Deutung
Das virtuelle Oszilloskop zeigt, dass
an der Basis von T1 (GRÜN) nur eine
verhältnismäßig kleine Plusspannung anliegt und in Gegenrichtung eine bedeutend
größere Negativspannung.
Diese Verteilung ergibt sich aus der
Diodenstrecke Basis – Emitter. Die Diode lässt Strom von der Anode (Plus) nach
der Kathode (Minus) durch, jedoch nicht umgekehrt, wobei die jeweilige Durchbruchspannung ausschlaggebend ist, ab der die Diode
dann doch wieder stärker leitet.
EveryCircuit arbeitet mit generischen
Bauteilen, die durch Eingabe einiger Werte angepasst werden können. Da die
Durchbruchspannung der Emitter-Basisstrecke weder bekannt ist noch eingegeben
werden kann, geht das Programm für diese Schaltung von einem negativen
Spannungsabfall in der Höhe von ca. 25 Volt aus.
Sobald die Spannung an der Basis in den
Plusbereich kommt (max. 1,21 V), schaltet T1 nach Überschreiten der
Schwellspannung an der Basis-Emitterstrecke durch. Der Kollektorstrom von T2
wird zu einem Teil zum Kollektorstrom von T1, der den Basisstrom von T1
verstärkt. Der Emitterstrom (Basisstrom plus Kollektorstrom) von T1 wiederum
bildet den Basisstrom von T2, der T2 durchschaltet und auf den Kollektorstrom
von T2 verstärkt wird.
Der Augenblick des Durchschaltens
beider Transistoren ist sehr kurz, nur in diesem Moment lässt der
Kollektorstrom von T2 die in Reihe geschaltete LED kurz aufblitzen. Die
positiven Amplituden der Basisspannung von T1 verlaufen folglich synchron mit
den Kollektorstromspitzen von T2 (ROT). Interessant
dabei ist, dass die Stromspitzen immer kleiner werden.
Dazu Burkhard Kainka:
„Die Stromspitzen werden in Folge immer kleiner, weil der Kondensator
sich in der Simulation immer weiter negativ auflädt. In der Realität stellt
sich irgendwann ein Gleichgewicht ein, weil ab -8 Volt ein Gegenstrom fließt.“

Was zeigt die
Spannungskurve am Kollektoreingang von T2?

Auf jeden Fall ein Phänomen, denn die Amplitude (Spannungskurve VIOLETT) erreicht 16,1 Volt bei einer
Speisespannung von nur 9 Volt. Und das ist nicht erklärbar, denn selbst bei
einer hochohmigen Kollektor-Emitterstrecke kann nur maximal die Höhe der
Speisespannung abfallen.
Irrt hier die Simulation?
Dazu wieder Burkhard Kainka:
„Ich habe es
vermutet: Die Simulation kennt den ersten Durchbruch der Basis-Emitter-Diode
nicht, die Basisspannung sinkt bis -25 Volt, in der Realität jedoch nur bis -8
Volt. Deshalb weichen die Ergebnisse etwas von der Realität ab. Aber der
Anstieg der Kollektorspannung kurz vor der Leitungsphase ist reell.“
Mit einem
echten Oszi sehe ich am Eingang eine Begrenzung zwischen +1,5 Volt und ca. -18
Volt (erster Durchbruch der Basis-Emitter-Strecken). Wenn es das nicht gäbe,
würde sich der Eingangskondensator so weit negativ aufladen, dass alles
sperrt. Am Kollektor wäre die höchste Spannung UB – Uled
und die kleinste nahe Null.“
Daher lasse ich einmal die in der Simulation angezeigten
Spannungswerte unberücksichtigt und sehe mir nur den Verlauf der beiden
Spannungskurven (Spannung am Kollektoreingang VIOLETT
und Basisspannung T1 GRÜN) an.
Hier ist zu sehen, dass mit kleiner werdender negativer
Basisspannung die Spannung am Kollektorwiderstand zunimmt (VIOLETT). Die Ursache dafür liegt in der Kapazität
der Basis-Kollektor-Diode.
Burkhard Kainka hat diesen Vorgang untersucht und in seinem
Labortagebuch unter „AC-gesteuerter Transistor“ protokolliert.
„Mit Wechselspannungen wird mehr möglich aber
es wird auch komplizierter“ ist mein erster Gedanke. Und es stimmt. Es müssen
neue Begriffe, Zusammenhänge und Formeln verstanden werden. Durch die
Polaritätsumkehr fließt Strom nun auch in Gegenrichtung, was man beim
Gleichstrom natürlich nicht berücksichtigen muss. Sperrspannungen bei
Halbleitern wie Dioden und Transistoren werden plötzlich ein Thema,
Datenblätter müssen neu gelesen werden. Und es kommen Scheinwiderstände dazu,
die eine ohmsche und eine kapazitive/induktive Komponente haben. Frequenzen
spielen eine Rolle und damit die Zeit, in der eine Periode abläuft.
Kurz – es kommt Bewegung in die bis dahin so
beschauliche Steckbrettlandschaft!
Auf jeden Fall lohnt sich der Lernaufwand.
Versteht man die Grundlagen der Wechselspannung, so eröffnen sich
Anwendungsgebiete im Nieder- und Hochfrequenzbereich: Audioschaltungen mit
Verstärkern und Mikrofonen als Wechselspannungsgeneratoren, Radioempfänger oder
Funktechnik. Und nicht zuletzt versteht man auch die Netzspannung zu Hause besser,
nämlich als reine Sinuskurve mit einer Frequenz von 50 Hertz und einem
Effektivwert in der Höhe von 230 Volt. Damit kommt man weiter zum Thema Schaltnetzteile
und Transformatoren, die sich uA. in Haushaltsgeräten finden, Schaltpläne dazu
werden verständlicher usw. …
Allerdings: Finger weg von der Netzspannung,
wenn man zwar interessiert aber Laie ist! Die Elektronik soll Hobby bleiben und
gegebenenfalls nicht zu einer Frage von Leben und Gesundheit werden.
Vielen Dank an Burkhard Kainka für die fachliche
Unterstützung bei diesem Beitrag!
***
Eine sehr gut verständliche Einführung in das
Thema Wechselspannung (aber nicht nur) habe ich in
Elementare
Elektronik, Klaus Beuth und Olaf Beuth, Vogel Fachbuch, 2013
gefunden. Hier wird uA. auch das Thema
Scheinwiderstand erörtert.