
Eine
Lampe soll sofort angehen, wenn man sie einschaltet, aber noch einige Zeit
nachleuchten, wenn man sie ausschaltet. Solche Lampen gibt es im Auto, damit
man noch in Ruhe abschließen kann. Aber auch für eine Nachttischlampe kann so
eine Nachlaufsteuerung nützlich sein.
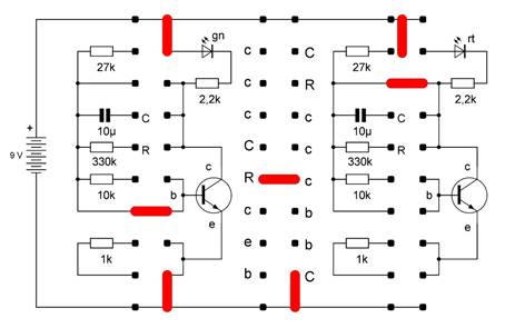
Die Schaltung verwendet einen Ladekondensator und einen Transistor mit einem hochohmigen Basiswiderstand von 330 kΩ. Dank der hohen Verstärkung des Transistors wird er bei geschlossenem Schalter noch voll eingeschaltet. Öffnet man den Schalter, fließt weiterhin Basisstrom, weil der Kondensator noch geladen ist. Nach einigen Sekunden sinkt die Kondensatorspannung allerdings merklich ab, sodass der Steuerstrom geringer wird und die LED schwächer leuchtet. Je kleiner allerdings der Basisstrom wird, desto geringer wird auch die Entladung. Die weitere Entladung wird also noch langsamer. Auch nach sehr langer Zeit ist immer noch ein schwaches Restleuchten der LED zu erkennen.
Messung
Wann beginnt die Abnahme des LED-Stroms? Das verrät eine Messung der
Kollektorspannung. Sobald sie nach etwas drei Sekunden beginnt
anzusteigen, verringert sich der Strom durch die LED. Man kann auch
messen, wie groß zu diesem Zeitpunkt die Kondensatorspannung ist. Erst wenn die
Spannung am Kondensator unter etwa 2 Volt sinkt, wird die LED dunkler.
Eine
Spannung wird grundsätzlich zwischen zwei Punkten einer Schaltung gemessen.
Wenn von der „Spannung am Kollektor“ die Rede ist, ist das eigentlich nicht
korrekt. Gemeint ist dann „die Spannung zwischen Kollektor und Masse“, wobei mit
Masse der gemeinsame Bezugspunkt der Schaltung gemeint ist, in diesem Fall der
Minuspol der Betriebsspannung, den man an allen sechs Stiftkontakten in der
unteren Reihe findet. Oft ist es sinnvoll, das Minuskabel eines
Spannungsmessgeräts dauerhaft mit dem Minuspol der Schaltung zu verbinden. Für
eine Messung muss dann nur noch der Pluspol an einen Messpunkt gehalten werden.
Stromfluss
durch R1

Die Kurve
im oberen Teil des virtuellen Oszilloskops zeigt den Stromverlauf durch
Widerstand R1 (violett markiert):
Die Abschnitte
1 und 2 zeigen die jeweiligen Stellungen von Schalter S1 und ihre
Auswirkung auf den Stromfluss:
1.
Schalter S1 geschlossen: Der Kondensator
C1 lädt über den Widerstand R1 und bildet mit R2 einen Stromteiler. Die Kurve
zeigt die typische Exponentialkurve eines Kondensators beim Ladevorgang – der
Ladestrom nimmt mit zunehmender Ladung ab. Sobald C1 geladen ist und sperrt,
fließt nur mehr Strom über R2, der als Basisstrom den Transistor T1
durchschaltet. Das ist der Grund, warum die Stromkurve in der Abbildung nicht
auf 0 Ampere fällt. Die LED leuchtet gedimmt auf.
2.
Schalter S1 offen: Sobald S1 geöffnet
wird, fließt kein Strom mehr durch R1. Jetzt fällt die Stromkurve auf 0 Ampere.
Stromfluss
durch R2

1.
S1 geschlossen: Der Stromfluss durch R2
nimmt exponentiell zu. Der Kurvenverlauf wird durch den Ladevorgang von C1
bestimmt. Sperrt C1 nach vollständiger Ladung, fließt der maximale Basisstrom.
2.
S2 geöffnet: Nun übernimmt der
Kondensator die Versorgung des Transistors mit Basisstrom und entlädt über R2
in einer langgestreckten Exponentialkurve. Der Entladevorgang dauert über den
330-Kiloohm-Widerstand einige Sekunden, der zugehörige Basisstrom schaltet den
Transistor durch, bis der Stromfluss dafür zu gering geworden ist. Die LED wird
kontinuierlich gedimmt und verlischt.
Stromfluss
durch R3

·
S1 geschlossen: Der Stromfluss durch R3
(Vorwiderstand der LED am Kollektor von T1) steigt rasch an. Dabei erreicht der
Strom erst nach einem Sekundenbruchteil sein Maximum.
Dies kann durch
den Ladevorgang
beim Kondensator erklärt werden, dessen Spannung schnell ansteigt.
Sobald der Kondensator auseichend geladen ist, fließt genügend
Basisstrom und der Transistor schaltet durch..
·
S2 geöffnet: Nun übernimmt der Kondensator
die Versorgung der Basis von T1. Der Kollektorstrom – und damit der Strom durch
LED1 - nimmt exponentiell ab.
Stromfluss
durch R1 und R2

S1
geschlossen: Hier nochmals der Stromfluss durch R1
und R2, diesmal gemeinsam betrachtet.
Zu Beginn fließt fast nur Strom in den
Kondensator. Sobald C1 auf seine maximale Ladung zugeht, beginnt der Stromfluss
durch R2. Dort, wo die Stromkurve von R1 (violett) auf
die Stromkurve von R2 (grün)
trifft, endet der Ladevorgang des Kondensators. C1 sperrt und es fließt
nur mehr Strom durch R2.
Stromfluss
durch R1, R2 und R3

Zum Abschluss in der Übersicht der
Stromfluss durch alle drei Widerstände:
Grün:
R1
Orange: R2
Rot: R3
S1
geschlossen: Durch die LED fließt ein maximaler Kollektorstrom
von ca. 3 mA. Die LED leuchtet gedimmt auf.
S2
geöffnet: Die LED leuchtet nach und verlöscht
gedimmt.
Es ist hier auch schön zu sehen, dass ein
im Verhältnis geringer Basisstrom einen hohen Laststrom schalten kann. Das
erklärt auch die längere Nachleuchtdauer der LED, die mit dem exponentiell
geringer werdenden Basisstrom aus C1 erzielt werden kann.
Zur parallelen Messung der
Spannungsverläufe in einer realen Schaltung (die Spannungskurven sollten im Verlauf
den Stromkurven entsprechen) würde man ein Oszilloskop mit mindestens drei
Kanälen benötigen.
Der Nachleuchteffekt sowie das Dimmen der
LED beim Ein- und Ausschalten konnten in der Simulation dargestellt werden.
Ebenso, dass ein im Verhältnis geringer
Basisstrom einen hohen Laststrom schalten kann. In der Simulation wurde für den
Transistor eine Verstärkung B = 500 angenommen. Das entspricht in etwa der
Verstärkung des in der realen Schaltung zum Einsatz kommenden Kleinsignaltransistors
BC547C.
Die Simulation bietet komfortabel am
Rechner einen Einblick in das Verhalten der Schaltung. Es kann mit
verschiedenen Bauteilewerten experimentiert werden, Spannungs- und
Stromverläufe werden übersichtlich durch das virtuelle Oszilloskop dargestellt.
Die auf dem Steckboard aufgebaute Schaltung
wird sich dennoch in Details abweichend verhalten, da es sich in dieser
Simulation um eine ideale Schaltung handelt (ohne Bauteilwerte-Schwankungen,
die Verstärkung des Transistors streut nicht innerhalb einer bestimmten Bandbreite,
die Umgebungstemperatur der realen Schaltung ist nicht berücksichtigt etc.).
Daher gilt wieder einmal mehr: Nur die
reale Schaltung ist maßgeblich.