
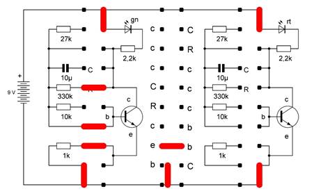
Diese Schaltung von Burkhard Kainka gleicht
weitgehend der Schaltung 3.5 Gekoppelte Schalter. Der Unterschied besteht darin, dass
die Basis von T1 nicht direkt über den Pluspol der Spannungsversorgung, sondern
über den Kollektor von T1 mit Strom versorgt wird.
Wenn
S1 geschlossen ist, befindet sich die Alarmanlage
im Bereitschaftsmodus. Die Basis-Emitter-Strecke von T1 wird nach Masse kurzgeschlossen.
Die grüne LED sollte schwach leuchten, obwohl sie einen Ersatzvorwiderstand von
332 kOhm nachgeschaltet hat, was einen relativ geringen LED-Strom bedeutet. T1
wird nicht durchgeschaltet, damit auch nicht T2, da T1 ohne Basisstrom sperrt
und folglich ohne Emitterstrom keine Spannung an R3 abfällt. Ohne Basis-Emitter-Spannung
(gebildet durch den Spannungsabfall an R3) kann T2 nicht durchschalten. Die
rote LED bleibt dunkel.
Bei
geöffnetem S1 fließt Strom über die
Basis-Emitter-Strecke von T1 – der Transistor sollte (bei angenommenem
Verstärkungsfaktor B = 500) trotz hohem Ersatzvorwiderstand durchschalten und
die grüne LED leuchten. Der Emitterstrom von T1 teilt sich auf: Über R3 nach
Masse und über die Basis-Emitter-Strecke von T2. T2 sollte durchschalten und
die rote LED leuchten.
Da die Schaltung weitgehend der Schaltung
3.5 entspricht,
siehe die Berechnungen dort.
Interessant ist die Verbindung des
Kollektors von T1 mit seiner Basis über R2. Basis- und Kollektorstrom sollten
sich gemäß Verstärkungsfaktor B = IC/IB von selbst einstellen.
Als Verstärkunsfaktor wird in der anschließenden Schaltungssimulation ebenfalls
B = 500 angenommen. Das bedeutet, dass der Kollektorstrom 500 mal größer als
der Basisstrom ausfallen sollte.
Schalter
geschlossen

B = 500 für beide Transistoren
Der Spannungsabfall an LED1 (grün) liegt
mit 1,29 Volt deutlich unter der angenommenen Flussspannung von 2,0 Volt, die
LED bleibt daher dunkel. Beide Transistoren sperren, damit leuchtet auch LED2
(rot) nicht.
Schalter
geöffnet

B = 500 für beide Transistoren
Der Kollektorstrom von T1 ist in der
Simulation 500mal größer als sein Basisstrom.
An T1 ist UBC = 2,06 Volt. Der
Transistor schaltet aufgrund seines geringen Basisstroms nicht voll durch.
Der Spannungabfall an der LED1 (grün) liegt
mit 1,76 Volt unter der angenommenen Flusspannung von 2,0 Volt. Damit bleibt
die LED in der Simulation dunkel.
An R3 und damit an der Strecke UBE T2
fallen 770 mV ab. Der daraus resultierende Basisstrom IB T2 = 1,24
mA schaltet T2 voll durch. Die rote LED leuchtet.
Schalter
geschlossen

Die Schaltung wird auf dem Experimentier-Steckboard
EXSB1 von ELV aufgebaut. S1 wird über den Schalter S3 rechts unten im Bild
realisiert.
Beide LEDs bleiben dunkel.
Schalter geöffnet

Beide LEDs leuchten.
Spannungen
|
|
Simulation Schalter geschlossen (V) |
Simulation Schalter |
Messung Schalter geschlossen (V) |
Messung Schalter geöffnet (V) |
|
UCE T1 |
7,65 |
2,06 |
7,04 |
2,25 |
|
UCE T2 |
9,00 |
0,05 |
7,31 |
0,02 |
|
UBE T1 |
0,00 |
0,74 |
0,00 |
0,65 |
|
UBE T2 |
0,00 |
0,77 |
0,00 |
0,73 |
|
ULED1 |
1,29 |
1,76 |
1,66 |
1,92 |
|
ULED2 |
0,00 |
1,63 |
0,00 |
1,89 |
|
UR1 |
0,06 |
4,41 |
0,05 |
3,85 |
|
UR2 |
7,65 |
1,32 |
7,05 |
1,56 |
|
UR3 |
0,00 |
0,77 |
0,00 |
0,73 |
|
UR4 |
0,00 |
7,32 |
0,00 |
6,84 |
Ströme
|
|
Simulation Schalter geschlossen (mA) |
Simulation Schalter |
Messung/Berechnung Schalter |
Messung/Berechnung Schalter |
|
IC T1 |
0,02 |
2,01 |
0,02 (berechnet)1 |
1,75 (berechnet)4 |
|
IC T2 |
0,00 |
3,33 |
0,00 (berechnet)2 |
3,11 (berechnet)5 |
|
IB T1 |
0,00 |
0,004 |
0,02 (berechnet)3 |
0,005 (berechnet)6 |
|
IB T2 |
0,00 |
1,24 |
0,00 |
0,89 |
Verstärkungsfaktor
B für T1 (Schalter geöffnet)
B = IC T1/IB1
B = 1,75*10-3 A/0,005*10-3 A
B = 350
Verstärkungsfaktor
B für T2 (Schalter geöffnet)
B = IC T2/IB2
B = 3,11*10-3 A/0,89*10-3 A
B ~ 3,49
Ein höherer Verstärkungsfaktor ist wegen
der Strombegrenzung durch LED2 und R4 nicht möglich.
___
1 I =
U/R => IC T1 = UR1/R1 => IC T1 = 0,05 V/2,2*103
Ohm = 22,73 uA
2 I =
U/R => IC T2 = UR4/R4 => IC T1 = 0,00 V/2,2*103
Ohm = 0,00 A
3 I =
U/R => IB T1 = UR2/R2 => IB T1 = 7,05 V/330*103
Ohm = 21,36 uA
4 I =
U/R => IC T1 = UR1/R1 => IC T1 = 3,85 V/2,2*103
Ohm = 1,75 mA
5 I =
U/R => IC T2 = UR4/R4 => IC T1 = 6,84 V/2,2*103
Ohm = 3,11 mA
6 I =
U/R => IB T1 = UR2/R2 => IB T1 = 1,56
V/330*103 Ohm = 4,73 uA
Die simulierten und gemessenen Spannungs-
und Stromwerte gehen auch diesmal wieder gut zusammen.
Einen Mess-Ausreißer gibt es bei „Schalter
geschlossen“ mit UCE T2, s. Tabelle (rot). An T2 müsste bei IB
T2 = 0 Ampere die volle Eingangsspannung in der Höhe von 9 Volt abfallen,
da der Transistor ohne Basisstrom sperrt und damit den größten Widerstand in
der Reihenschaltung mit LED2 und R4 bildet. Dennoch fallen bei IB = 0
Ampere laut Messung mit dem Multimeter nur 7,31 Volt ab.
Die Erklärung dafür ist, dass UCE T2
hochohmig ist und daher bei der Spannungsmessung der Innenwiderstand des
Multimeters mit 10 MOhm relevant wird (Parallelschaltung, Stromabfluss über das
Multimeter, Einbruch der Spannung am gemessenen Widerstand = UCE).
Ansonsten gilt im Wesentlichen das für 3.5
Gesagte.
Bei nichtlinearen Schaltungen wird die Handberechung/Schätzung
schwierig, es lohnt sich daher die Simulation der Schaltung. Erst die Messung
zeigt die tatsächlichen Werte einer vorliegenden Schaltung, die bei Bedarf
schaltungstechnisch geändert/angepasst werden können.
In der Praxis würde es ausreichen, die
Dimensionierung der Schaltung nach Erfahrungswerten vorzunehmen und die
Schaltung dann anzupassen.
(Kommentar B.K: Es gibt einen wichtigen
Unterschied zwischen Versuch 3.5 und Versuch 3.6. Bei 3.5 schaltet der erste
Transistor tatsächlich voll durch. Aber bei 3.6 habe ich einen relativ großen
Widerstand mit 330 K zwischen B und C gelegt. Damit schaltet der Transistor T1 nur
noch „halb“ durch, während T2 voll durchgesteuert wird. Der eigentliche Grund
liegt aber im ausgeschalteten Betrieb. Dann fließen nur noch 23 µA durch die
LED, was eine lange Batterielebensdauer bedeutet. Auf dem Foto ist die grüne
LED zwar aus, aber das liegt an der starken Beleuchtung. Bei schwacher
Beleuchtung wie in einem finsteren Schaltschrank würde man die LED klar
erkennen. Die LED im Lernpaket ist auch bei normaler Zimmerbeleuchtung noch
klar zu sehen.)