
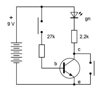
Diese Schaltung entspricht der aus 3.1
„Transistor-Schalter“ , die wir bereits besprochen haben. Hinzugekommen
ist eine Überbrückung des Transistors, die als Schalter ausgeführt ist.
Jetzt geht es darum herauszufinden, ob der Transistor - den wir
hier wieder als Schalter für die LED einsetzen - gleich gut wie ein „echter“
Schalter leitet. Es könnte ja sein, dass der Transistor weniger Kollektorstrom
durchlässt, da in seinem Inneren komplizierte Halbleiterprozesse ablaufen. Und
damit als Halbleiterbauteil wesentlich komplexer aufgebaut ist als ein
einfacher Schalter, der nur zwei Leitungen miteinander verbindet.
Damit der Transistor voll durchschaltet, also den maximalen
Kollektorstrom (abhängig von der vorgeschalteten Last) durchlässt, muss sein
Basisstrom ausreichend groß sein. Wie wir bereits bei der Besprechung von 3.1
„Transistor-Schalter“ festgestellt haben, ist das in dieser
Schaltung der Fall.
Wie stellen den Transistor
außer Dienst
Nun möchten wir ermitteln, ob mehr Kollektorstrom durch die LED
fließt, wenn wir den Transistor quasi außer Dienst stellen. Dazu unterbrechen
wir den Basisstrom (linker Schalter im Schaltbild offen) und überbrücken am
Steckbrett den Transistor mit einem Steckkabel als Schalter. Dabei gehen wir
davon aus, dass die Kollektor-/Emitterstrecke des Transistors
ohne Basisstrom hochohmig ist, also kein Kollektorstrom fließt. Wir werden das
im Anschluss überprüfen. Mit dem Steckkabel ist die LED in Reihe mit ihrem
2,2-Kiloohm-Vorwiderstand direkt an Masse angeschlossen.
Wir nehmen folgende Messungen mit dem Multimeter (Amperemeter)
vor:
1. Emitterstrom
bei durchgeschaltetem Transistor. Der
Emitterstrom ergibt sich aus Kollektorstrom plus Basisstrom. Der Kollektorstrom
kann daher nach der folgenden Gleichung berechnet werden:
IC
= IE - IB (Kollektorstrom = Emitterstrom – Basisstrom).
2. Basisstrom bei durchgeschaltetem Transistor
3. Laststrom1
durch die LED plus Vorwiderstand bei überbrücktem und vom Basisstrom getrennten
Transistor. Würden wir den Basisstrom nicht abschalten, könnte es sein,
dass trotz der Überbrückung (der Schalter ist niederohmig) doch ein geringer Kollektorstrom
durch den Transistor fließt und das würde das Ergebnis verfälschen. Wir wollen
ja nur den Schalter belasten, ohne dafür den Transistor vom Steckbrett zu
nehmen. Daher müssen wir den Transistor ganz vom Basisstrom trennen.
4. Emitterstrom
bei offenem Basisschalter. Wir hatten zuvor angenommen, dass die
Kollektor-/Emitterstrecke des Transistors ohne Basisstrom hochohmig ist, also
kein Kollektorstrom fließt. Das überprüfen wir jetzt. Insgesamt soll kein
Emitterstrom fließen.
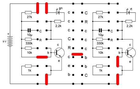
Wir könnten es uns natürlich einfacher machen und die bereits in
3.1 „Transistor-Schalter“ ermittelten Messwerte übernehmen. Da aber gleiche Schaltungen selten auch
idente Messwerte aufweisen (unterschiedliche Bauteile mit zwar gleichen
Nennwerten aber ungleichen realen Werten, Messfehler, Kontaktprobleme am
Steckbrett etc.), messen wir die frisch gesteckte Schaltung neu durch.
Ebenso verzichten wir auf die Ermittlung der jeweiligen Ströme
durch Spannungsmessungen an den
Widerständen, da wir nur ihre Nennwerte aber nicht ihre realen
Widerstandswerte kennen. Dafür müssten wir die Widerstände ausbauen und mit dem
Multimeter (Widerstandsmessung) die tatsächlichen Widerstandswerte ermitteln. Diesen
Aufwand möchten wir vermeiden und ermitteln daher die tatsächlichen Ströme mit
einer Amperemessung direkt in der Schaltung.
Wie auch in den vorangegangenen Versuchen simulieren wir die
Schaltung mit dem Schaltungssimulator EveryCircuit. Damit bekommen wir bereits einen
ersten Hinweis, ob unsere Annahmen stimmen.
Transistor durchgeschaltet und nicht überbrückt: Der
Kollektorstrom beträgt 3,24 mA. Zusammen mit dem Basisstrom in der Höhe von
0,305 uA ergibt das 3,54 mA als Emitterstrom. Am Transistor sehen wir einen
Spannungsabfall von 73,2 mV. Das bedeutet, dass die Kollektor-/Emitterstrecke
Transistor - obwohl voll durchgeschaltet - einen geringen Widerstand aufweist
(s. dazu auch 3.1 „Transistor-Schalter“ ).

Transistor nicht durchgeschaltet und überbrückt: Der
Laststrom beträgt 3,27 mA. Am (idealen) Schalter zur Überbrückung fallen 0 Volt
ab, dh. der Schalter weist keinen Widerstand auf. Durch den Transistor fließen
weder ein Basis- noch ein Kollektorstrom.

Transistor nicht durchgeschaltet und nicht überbrückt: Der
Transistor ist ohne Basisstrom hochohmig, die gesamte Eingangsspannung in der
Höhe von 9 Volt fällt an seiner Kollektor-/Emitterstrecke ab. Es fließt kein Kollektorstrom
und insgesamt kein Emitterstrom.

Alle gemessenen Werte in der Übersicht:
|
Transistor |
simulierte Werte (mA) |
gemessene Werte (mA) |
|
durchgeschaltet:
IE |
3,540 |
3,520 |
|
durchgeschaltet:
IB |
0,305 |
0,306 |
|
durchgeschaltet:
IC = IE - IB |
3,235 |
(berechnet) 3,214 |
|
überbrückt: IL |
3,270 |
3,230 |
|
nicht
durchgeschaltet: IE |
0 |
0 |
IE: Emitterstrom; IB: Basisstrom; IC:
Kollektorstrom; IL: Laststrom
Ob voll durchgeschalteter Transistor oder herkömmlicher Schalter
- beide eignen sich für das Schalten gleich gut, wie unsere Messergebnisse
bestätigen. Auch wenn am Transistor – trotz voller Durchschaltung – ein
geringer Spannungabfall an der Kollektor-/Emitterstrecke auftritt (und damit
geringfügig weniger Kollektorstrom durch die LED fließt als bei der
Überbrückung): Der Unterschied ist gering und wirkt sich auf das Leuchten der
LED nicht sichtbar aus.
Wo sinnvoll beziehungsweise erforderlich, können wir den
Transistor daher ruhigen Gewissens als vollwertigen Schalter einsetzen.
Zusätzlich erhalten wir dadurch den Vorteil, den Basisstrom schaltungstechnisch
beeinflussen zu können, zum Beispiel durch einen LDR (light dependent
resistor), der den Basisstrom durch Lichteinfall erhöht oder verringert. Damit
ließe sich unsere LED je nach Lichtverhhältnissen an oder ausschalten bzw.
dimmen.
Messung Emitterstrom - Transistor durchgeschaltet und nicht
überbrückt:


Messung Basisstrom - Transistor durchgeschaltet und nicht
überbrückt:


Messung Laststrom - Transistor nicht durchgeschaltet und
überbrückt:


Messung Emitterstrom - Transistor nicht durchgeschaltet und
nicht überbrückt:


1 Da wir den Transistor überbrücken, fließt damit kein
Kollektorstrom mehr. Daher die Bezeichnung „Laststrom“.