
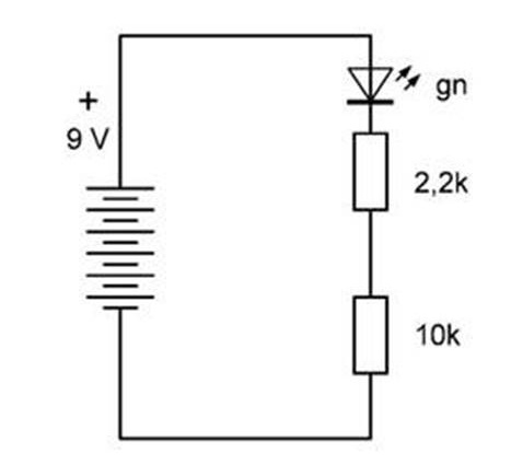
Zur Schaltung „Die LED im Stromkreis“ von Burkhard Kainka
(Besprechung siehe hier)
kommt jetzt ein 10-Kiloohm-Widerstand dazu, der in Reihe mit der LED und dem
2,2-Kiloohm-Widerstand liegt.
Das bedeutet, dass der Strom nun insgesamt ein größeres Hindernis
zu überwinden hat, das aus der LED und den beiden Widerständen gebildet wird.
Da jedoch die dafür zur Verfügung stehende Spannung (Kraft) mit 9 Volt gleich
bleibt, wird die Stromstärke durch den zusätzlichen 10-Kiloohm-Widerstand
verringert. Das Ohm‘sche Gesetz zeigt den Zusammenhang:
U = R * I
I = U/R
Je größer der Widerstand R ist, desto kleiner wird der Strom I
bei gegebener Spannung U.
Dass Schaltungen mit LEDs als Halbleiter und ihrer „krummen
Spannungs-/Stromkurve“ nur schwer zu berechnen sind, haben wir unter anderem hier
besprochen. Daher sehen wir uns als nächsten Schritt die Schaltung gleich in
der Simulation an. Aber bevor wir das machen, überlegen wir uns doch vorher
kurz gemeinsam, was wir in etwa an Gesamtstrom und Spannungen in der Schaltung
zu erwarten haben.
Tatsächlicher und idealer Strom durch die LED
Zunächst ist es interessant zu sehen, dass die LED mit ihren
beiden kräftigen Vorwiderständen recht wenig Strom erhalten erhalten wird.
Das „recht wenig“ bezieht sich auf die 20 mA Stromstärke, die
üblicher Weise für LEDs als Zielstrom in Datenblättern zu finden sind.
Mit der Formel zur Berechnung des Vorwiderstandes für eine LED
bei gegebener Spannung und Zielstromstärke können wir für unsere Schaltung den
Vorwiderstand berechnen, der für die LED ideal wäre. „Ideal“ bedeutet
maximale Helligkeit bei geringstmöglicher Belastung. Damit haben wir einen
Vergleich und bekommen auch ein Gefühl dafür, was eine LED so an Strom zum
Leuchten braucht.
RV = (UE
- UF)/ILED
Vorwiderstand =
(Eingangsspannung - Vorwärtsspannung)/LED-Strom
Gegebene Eingangsspannung UE: 9 V
Zielstromstärke: 20 mA
Vorwärtsspannung UF: 1,97 V (ermittelt mit dem
Bauteiletester in einem anderen
Versuch)
RV =
351,5 Ohm ~ 352 Ohm
Rges = 12200 Ohm = 12,2 kOhm
Das heißt, dass wir vom Idealwert 352 Ohm ein ganz schönes Stück
weit entfernt sind. Es wird daher spannend, ob bei dem zu erwartenden geringen
Strom die LED überhaupt leuchten wird.
Spannungsverteilung in der Reihenschaltung
Die zweite Sache, die wir uns überlegen sollten, ist die
Spannungsverteilung in der Reihenschaltung, die aus der LED plus zwei
Vorwiderständen gebildet wird. Da in einer Reihenschaltung am größten Widerstand die meiste
Spannung abfällt (die Spannung als Kraft muss dort mehr arbeiten, wo der
größere Widerstand ist), sollte dieser Effekt am 10-Kiloohm-Widerstand zu
beobachten sein. Der 2,2-Kiloohm-Widerstand ist ja kleiner und bei der LED gehen
wir davon aus, dass sie am wenigsten Widerstand aufweist.
Warum sollte das so sein?
Sehen wir uns das gleich in der Schaltungssimulation mit EveryCircuit an.
Hier das Bild für unsere aktuelle Schaltung:

Und hier zum Vergleich das Bild für die Schaltung mit „idealem“ Vorwiderstand:

Wir sehen, dass
Das ist am Steckbrett rasch gemacht. Die Anode der LED kommt an den Pluspol der stabilisierten Spannungsversorgung (Labornetzgerät), es folgen der 2,2-Kiloohm- und der 10-Kiloohmwiderstand, dessen Ausgang den Minuspol kontaktiert.

Und tatsächlich, die LED leuchtet! Wenn auch nur schwach, aber am
Foto zu sehen. Messen wir jetzt mit dem Multimeter die Spannungsabfälle an der
LED und den beiden Widerständen und stellen wir die Werte denen aus der
Simulation gegenüber. Als Ergebnisse haben wir:
|
Bauteile |
Spannungsabfälle gemessen (V) |
Spannungsabfälle simuliert (V) |
|
LEDgrün |
1,87 |
1,61 |
|
2,2k-Widerstand |
1,29 |
1,33 |
|
10k-Widerstand |
5,83 |
6,06 |
Alles im grünen Bereich, die Abweichungen tatsächliche
Messerwerte zu simulierten Werten sind gering und daher in der Praxis zu
vernachlässigen.
Wie sieht es mit dem Gesamtstrom aus, der durch die
Reihenschaltung fließt?
|
Modus |
Gesamtstrom (mA) |
|
Messung |
0,590 |
|
Simulation |
0,606 |
Auch hier keine nennenswerte Unterschiede zwischen Messung und
Simulation. Eine Differenz von 16 uA sollte man in der Praxis nicht bemerken
bzw. ist das nur ein kleiner Unterschied in der Helligkeit der LED.
Jetzt wäre es noch interessant festzustellen, ob sich die
Bauteiletoleranz von +/- 5 Prozent bei den Widerständen auf Spannungsabfälle
und Gesamtstrom auswirkt. Mit dem Multimeter (Widerstandsmessung) messen wir für den
2,2-Kiloohm-Widerstand (Nennwert) tatsächliche 2,17 Kiloohm und für den
10-Kiloohm-Widerstand (Nennwert) tatsächliche 9,81 Kiloohm.Diese tatsächlichen Werte in die Simulation eingesetzt zeigt
folgendes Bild:

Zum Abschluss alle Werte in der Übersicht - gemessene Werte, Nennwerte
simuliert und Spannungsabfälle tatsächliche Werte Widerstände simuliert:
|
Bauteile |
Spannungsabfälle gemessen (V) |
Spannungsabfälle simuliert (V) |
Spannungsabfälle Simulation tatsächliche
Widerstandswerte (V) |
|
LEDgrün |
1,87 |
1,61 |
- |
|
2,2k-Widerstand |
1,29 |
1,33 |
1,34 |
|
10k-Widerstand |
5,83 |
6,06 |
6,05 |
Gesamtströme in der Übersicht:
|
Modus |
Gesamtströme (mA) |
|
Messung |
0,590 |
|
Simulation |
0,606 |
|
Simulation mit tatsächlichen
Widerstandswerten |
0,617 |
Es ist immer wieder erstaunlich, was man an einer - auf den
ersten Blick - einfachen Schaltung alles beobachten kann. Dabei ist das hier
nur Anwenderpraxis und keine theoretische Betrachtung auf Ebene der
Halbleiterphysik und auch keine Netzwerkanalyse ;-)
Festzuhalten ist, dass mit Hilfe der Schaltungssimulation sehr
präzise das Verhalten und die Werte einer Schaltung vorhergesagt werden können.
Auch wenn in der realen Schaltung dann geringe Abweichungen auftreten, die man
durch die Messung ermittelt, bewertet und gegebenfalls mit Bauteilen anderer
Werte korrigiert.
Eine Schaltung vor dem Aufbau zu simulieren, verhindert auf jeden
Fall überlastete Bauteile und mitunter auch verbrannte Finger ;-)