

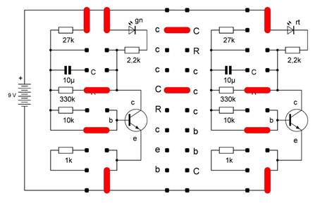
Burkhard Kainka:
Wenn man an einem der
beiden Transistoren einen zusätzlichen Basiswiderstand von 27 kΩ einschaltet,
wird der Kondensator wesentlich schneller geladen. Die Aus-Phase der
zugehörigen LED wird dann sehr kurz, und die andere LED blitzt nur kurz auf.
Man kann nun wahlweise die rote oder die grüne LED kurz blitzen lassen.

