

Burkhard Kainka:
Mit einer
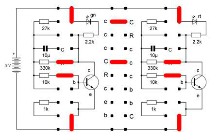
Gegenkopplung in Form eines Widerstands mit 330 kΩ zwischen Basis und Kollektor
erreicht man einen mittleren Arbeitspunkt und damit optimale Bedingungen für
ein eigenständiges Anschwingen des Blinkers. Bei einem mittleren Arbeitspunkt
würde das unvermeidliche Eigenrauschen der Widerstände und Transistoren so weit
verstärkt, dass ein zufälliges Ungleichgewicht zum Start der ersten Schwingung
führt.
Das Blinken ist nun
sehr langsam, weil die Kondensatoren im gesperrten Zustand eines Transistors
nur über den Widerstand von 330 kΩ geladen werden. Der geringe Ladestrom fließt
über die gerade abgeschaltete LED, sodass eine geringe Resthelligkeit erhalten
bleibt.

Start der Schaltung
durch Schalter S1 auf EIN

Nach Start der Schaltung