


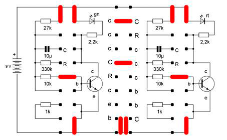
Burkhard Kainka:
Mit dem direkten Anschluss der Kondensatoren an
die Basis entsteht zu Anfang der Ladephase ein großer Ladestrom, der eine LED
nur verlangsamt ausschalten lässt. Fügt man zusätzliche Widerstände in die
Basisleitung ein, wird dieser Effekt geringer. Die LEDs schalten dann abrupter
ab.
Allerdings kann nicht mehr sicher vorhergesagt
werden, ob die Schaltung wie gewünscht anschwingt. Der Arbeitspunkt beider
Transistoren liegt nahe an der Sättigung, sodass nur noch eine geringe
Spannungsverstärkung besteht. Durch die zusätzlichen Widerstände wird die
Verstärkung noch weiter reduziert. Im Extremfall kann das dazu führen, dass
beide Transistoren eingeschaltet bleiben.
Im Normalfall wird der Blinker beim Einschalten
der Betriebsspannung oder beim Aufbau der Schaltung von allein anschwingen,
weil zufällige Bauteiletoleranzen für einen ungleichen Anstieg der
Kollektorspannungen sorgen. Man kann den Oszillator jedoch stoppen, indem man
einen der beiden Kollektoren gegen Minus kurzschließt. Auch wenn man die
Kurzschlussbrücke wieder entfernt, bleiben beide Transistoren im
eingeschalteten Zustand, sodass beide LEDs an sind. Weil beide Transistoren
sich in der Sättigung befinden, reicht die Spannungsverstärkung nicht aus, um
neue Schwingungen zu starten. Mit einem Kurschluss an der Basis kann jedoch
eine Starthilfe gegeben werden, indem ein Ungleichgewicht in die Schaltung
gebracht wird.

Start mit
S2

Stopp mit
S3