
10.5 Wechselblinker

Burkhard Kainka:
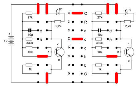
Nun sollen zwei LEDs abwechselnd blinken.
Die Schaltung ist symmetrisch aufgebaut und besteht aus zwei Verstärkerstufen mit gegenseitiger Kondensatorkopplung.
Immer wenn gerade die rote LED aus ist, steigt die Kollektorspannung
des linken Transistors. Dann lädt sich der angeschlossene Kondensator
auf und liefert einen Basisstrom für den rechten Transistor. Wenn er
vollständig geladen ist, kippt die Schaltung um. Dann wird der andere
Kondensator geladen und die grüne LED leuchtet.
Schaltungssimulation mit EveryCircuit
