


Burkhard Kainka:
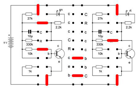
Bisher musste man den Zustand des Flipflops noch per Hand umschalten. Aber das geht auch automatisch. Diese Blinkschaltung ähnelt dem einfachen RS-Flipflop, mit dem wichtigen Unterschied, dass nun noch ein Kondensator in den Rückkopplungszweig eingefügt wurde. Ein stabiler Zustand bleibt immer nur solange erhalten, bis der Kondensator fast vollständig geladen oder entladen ist. Deshalb führt die Rückkopplung hier nicht zu einem stabilen Zustand, sondern zu einem immer wieder wechselnden Zustand, der jeweils für einige Zeit stabil bleibt. So erhält man einen langsamen Blinker. Eine Schaltung, die selbständig Schwingungen erzeugt, nennt man auch einen Oszillator.
Die Schaltung enthält zusätzlich eine Gegenkopplung durch einen Basis-Kollektor-Widerstand am linken Transistor. Sie ist nötig, damit der Transistor von einem extremen Zustand immer wieder von selbst auf einen mittleren Arbeitspunkt zustrebt, von dem aus er dann weiter in den anderen stabilen Zustand kippt.
Wenn man den Rückkopplungszweig mit 10 µF und
330 kΩ entfernt oder unterbricht, stellt sich wieder der mittlere Arbeitspunkt
ein, den man an einer geringen Helligkeit der roten LED erkennt. Die Schaltung
entspricht dann genau dem abgewandelten Stromspiegel aus Kap. 8.3. Allgemein
gilt: Ein Oszillator besteht aus einem Verstärker mit einem mittleren
Arbeitspunkt und einer Rückkopplung vom Ausgang auf den Eingang. Wenn der
Verstärker bereits ganz gesperrt oder voll eingeschaltet ist, können keinen Schwingungen
beginnen.
