


Burkhard Kainka:
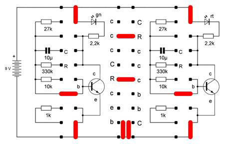
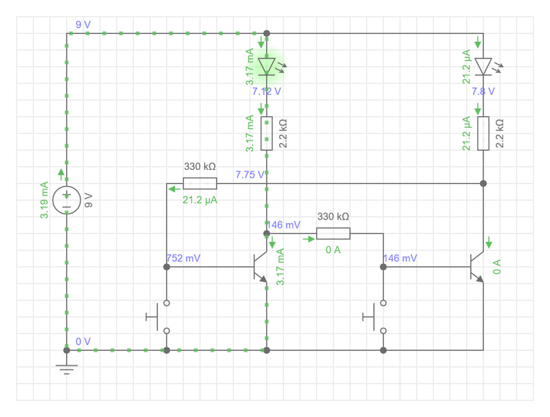
Oft wird bei einem Flipflop auch das invertierte Signal ausgegeben, das nach einem R-Impuls an ist und nach einem S-Impuls aus. So kann man ein Flipflop mit zwei LEDs bauen. Jeweils eine von beiden ist dauerhaft an, bis der Zustand durch den R- oder S-Jumper (Taster 1 oder Taster 2) umgeschaltet wird.
Wenn gerade die grüne LED leuchtet, ist die
Kollektorspannung des linken Transistors klein. Der rechte Transistor bekommt
daher keinen Basisstrom und bleibt gesperrt. Deshalb liegt seine
Kollektorspannung hoch, sodass der linke Transistor weiterhin leitend bleibt.
Erst wenn einmal kurz der linke Jumper (Taster 1) gesetzt wird, wird der linke
Transistor abgeschaltet, sodass seine Kollektorspannung steigt und der rechte
Transistor sich einschaltet. Nun leuchtet die rote LED, bis dieser Zustand
durch den rechten Jumper (Taster 2) geändert wird. Wenn man genau hinsieht,
erkennt man, dass die jeweils ausgeschaltete LED noch sehr schwach leuchtet.
Durch sie fließt nämlich der Basisstrom des gerade eingeschalteten Transistors.
Betätigung linker Taster:

Betätigung rechter Taster:
