


Burkhard
Kainka:
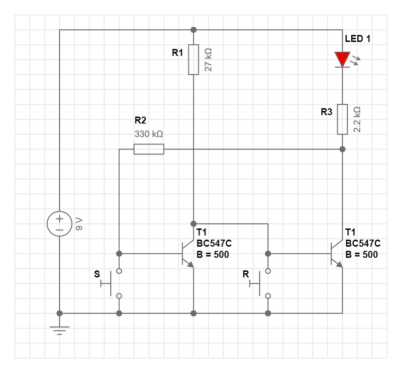
Das RS-Flipflop hat zwei Eingänge: Reset (R)
und Set (S). Mit Reset schaltet man den Ausgangszustand aus, mit Set schaltet
man ihn ein. Solange keines von beiden Signalen kommt, bleibt der letzte
Zustand erhalten.
Diese Schaltung besitzt zwei Eingänge, mit
denen man jeweils eine Basis gegen den Emitter kurzschließen und damit den
Transistor sperren kann. Der jeweils stabile Zustand wird durch eine
Rückkopplung über zwei Stufen erreicht. Dazu gibt es eine direkte Verbindung
Kollektor-Emitter und einen Widerstand von 330 kΩ, der den Kollektor des
zweiten Transistors mit der Basis des anderen Transistors verbindet. Deshalb
leuchtet die rote LED oder sie bleibt aus. Und der aktuelle Zustand
beleibt bestehen, bis er durch eine Kontaktbrücke geändert wird.
Wenn der linke Transistor leitet, ist seine
Kollektorspannung klein, womit der rechte Transistor keine ausreichende
Basisspannung erhält und gesperrt bleibt und die LED aus ist. Dadurch ist die
Kollektorspannung des rechten Transistors groß, sodass der linke Transistor mit
genügend Basisstrom versorgt wird um den Zustand zu halten.
Erst wenn der linke Transistor durch eine
Kontaktbrücke S gesperrt wird, kippt der Zustand um. Nun erhält der rechte
Transistor genügend Basisstrom, ist voll durchgeschaltet und hat nur noch eine
kleine Kollektorspannung, sodass der linke Transistor auch nach dem Entfernen
der Brücke gesperrt bleibt. Auch dieser Zustand bleibt stabil, bis er durch
eine R-Brücke geändert wird.
EIN mit Schalter S (Set)

AUS mit Schalter R (Reset)
