
Operationsverstärker-Grundfunktionen
LED-Lichtsensor mit dem OPV
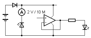
Am 10. Dezember
wird ein Lichtsensor gebaut. Er reagiert z.B. auf eine helle
Taschenlampe. Die Funktion ist eigentlich klar: Wenn es dunkel wird,
steigt die Spannung U1, damit auch U2, und damit geht der LED ein Licht
auf. U2 und U3 kann man prima messen. Aber bei U1 gibt es ein Problem:
Sobald das Messkabel den Eingang berührt, bricht U1 ein und die
LED geht aus.
Das
Messgerät hat zwar einen Innenwiderstand von 10 MΩ, aber das
ist immer noch viel zu wenig für diese Messung. Das Messgerät
verhält sich in diesem Fall wie ein Strommesser mit
„kleinem“ Innenwiderstand. Im 2-V-Bereich beträgt der
Strom-Messbereich 2 V / 10 MΩ = 200 nA. Damit kann sogar der sehr
kleine Eingangsstrom des OPV gemessen werden. Bei meinem OPV kam dabei
heraus: 440 mV, also 44 nA. Das Ergebnis passt sehr gut zu dem, was das
Datenblatt angibt.
Genauso kann nun der Sperrstrom der grünen LED in Abhängigkeit von der Beleuchtung gemessen werden.
Mit
einer sehr hellen LED-Taschenlampe kam ich bis auf 3 V, also 300 nA
bzw. 0,3 µA. Bei weniger Licht ist der Strom entsprechend
kleiner. Für die ursprüngliche Schaltung kann man daraus
schließen: Wenn der Sperrstrom 44 nA erreicht, wird der Eingang
nach unten gezogen, U1 wird also klein. Wenn der Sperrstrom 44 µA
unterschreitet, überwiegt der Eingangsstrom, der Eingang wird dann
hoch gezogen. Hoch deshalb, weil am Eingang ein PNP-Transistor
arbeitet.
Am 11. Dezember
wird die ganze Sache mit einem Kondensator verlangsamt. Da die
Ströme bekannt sind, können Sie das Zeitverhalten
vorhersagen.
Angenommen,
Sie haben die Sensor-LED stark beleuchtet. U2 ist jetzt 0 V, U1 also
ebenfalls etwa Null. Ich sage „etwa Null“, weil die
Spannung bei starker Beleuchtung sogar negativ sein kann, weil die LED
dann als Fotoelement arbeitet. Also, U1 soll Null sein. Dann schalten
Sie das Licht aus. Wie lange wird es dauern, bis die LED an geht?
Anders gesagt, wie lange dauert es, bis der Kondensator von 100 nF
durch den OPV-Eingangsstrom von 44 nA bis auf 1,8 V aufgeladen ist? Bei
dieser Spannung beginnt die rote LED zu leuchten.
Der Kapazitätsrechner
sagt 4 s. Wenn ich es nachmesse, scheint es aber etwas länger zu
dauern. Warum? Da kommt vielleicht einiges zusammen: Der Sperrstrom
sinkt nicht ganz auf Null, der Kondensator hat eine gewisse Toleranz,
die Sensor-LED hatte die Eingangsspannung unter 0 V abgesenkt und
vielleicht ist auch der Eingangstrom nicht über den ganzen
Spannungsbereich gleich. Schwer zu sagen, aber die
Größenordung der Abschätzung stimmt schon mal.
Umgekehrt
geht es schneller. Wenn ich die Sensor-LED direkt beleuchte, dauert es
nur ca. halb so lange, bis die rote LED aus ist. Der Grund ist klar:
Der Sperrstrom ist bei voller Beleuchtung sehr viel größer
als der Eingangsstrom des OPV.
Am 12. Dezember
wird die ursprüngliche Sensorschaltung zu einem Gegentakt-Sensor
erweitert. Messen Sie jetzt auch U4. Wenn U2 klein wird, geht die obere
LED an, weil dann die Spannung zwischen ihren beiden Anschlüssen
groß wird. Und wieder können Sie U1 mit dem DVM nicht
störungsfrei messen. Wenn Sie es versuchen, geht die obere LED an.
zurück