Lernpaket Modellbahn-Beleuchtung - Experimente   

von Hermann Nieder          
Elektronik-Labor  Literatur  Projekte  Lernpakete  



Dies ist die Platine aus dem Lernpaket  Modellbahn Universal-Beleuchtungs-Set. Für meine Experimente lötete ich zunächst die Bauteile nach der Anleitung ein. Die Leuchtdioden aus dem Lernpaket sowie notwendige Leitungen  zu anderen Bauteilen wollte ich zunächst steckbar machen, bevor diese später einmal eine feste Verbindung erhalten sollten. Zu diesem Zweck lötete ich an den Ausgängen des Mikrocontrollers an die  noch freien Enden der Widerstände  die oberen Kontakte von zweireihigen Buchsenleisten  an, während die Kontakte der unteren Reihe dabei eine feste Verbindung mit Masse erhielten.



Die zweipolige Anschlussklemme im Bild ist für die Leitungen zur Spannungsversorgung der Platine  vorgesehen.



Nachdem ich  einige Experimente nach der Beschreibung des Lernpakets durchgeführt hatte, überlegte ich, welche zusätzliche Versuchschaltungen  aufgebaut werden könnten, und entwarf  u. a. die im Bild, in der die verwendeten gelben Leuchtdioden in Form eines stilisierten Pfeils angeordnet sind. Links daneben ist gerade eine Flächen-LED mit 4 roten Leuchtdioden an den Ausgängen L1 – L4 angeschlossen. Bei ihrer Verwendung erhält man einen interessanten Lichteffekt, da beim Einschalten der Spannungsversorgung unter der Oberfläche der Flächen-LED  „ein Feuer zu flackern scheint“. Rechts neben der 9V-Blockbatterie befindet sich eine grüne Flächen-LED, die am PWM-Ausgang angeschlossen ist. 



Dies ist der Schaltplan zum Aufbau im Bild oben mit dem „blinkenden Pfeil“ und den Flächen-LEDs. Der Jumper auf der Platine des Lernpakets steckt in Position 2 „Reklameleuchten“.



Die grüne LED am PWM-Ausgang leuchtet langsam auf , erlischt wieder, leuchtet wieder auf usw.



Der Jumper auf der Mikrocontrollerplatine kann in Position 2 stecken bleiben, um  z. B. auch die abgebildete Schaltung auf einem kleinen Steckboard zu betreiben. Es werden Verbindungsleitungen zu L1 – L4 sowie  zum Anschluss +5V und zum  Masseanschluss der Mikrocontrollerplatine benötigt. Der Mikrocontroller erzeugt mit der Schaltung auf dem Steckboard ein Lauflichts mit 8 gelben Leuchtdioden, die in schneller Folge  ähnlich  aufleuchten und wieder ausgeschaltet werden wie die Signallampen z. B. an Autobahnbaustellen.

 

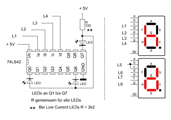
Dies ist der Schaltplan  zu der oben vorgestellten Lauflichtschaltung. Die Katoden aller Leuchtdioden sind mit einem der Ausgänge Q0 – Q7 eines BCD-Dezimal-Dekoders 74LS42 verbunden, während ihre Anoden alle über einen gemeinsamen Vorwiderstand an + 5 V liegen. Der Baustein  schaltet dem Bitmuster an seinen Eingängen entsprechend nacheinander die Ausgänge Q0 – Q7  auf „0“ und „verbindet“ aufgrund seines inneren Aufbaus die Katode der jeweiligen  LED für eine bestimmte kurze Zeit mit Masse. Die Taktzeit des Lauflichts ist mit dem Trimmpotenziometer auf der Mikrocontrollerplatine einstellbar. Die oben abgebildete Lauflichtschaltung lässt sich auch mit Leuchtdioden aufbauen, die einen kleineren Durchmesser besitzen als diejenigen aus dem Lernpaket.



In diesem Bild sind an allen 10 Ausgängen eines 74LS42 gelbe Low Current Leuchtdioden mit einem Durchmesser von 3 mm angeschlossen. Der gemeinsame Vorwiderstand besitzt einen Widerstandswert von 2k2.
 
Steckt man de Jumper auf der Mikrocontrollerplatine des Lernpakets nach der  beiliegenden Anleitung in Position 1 und verwendet zusätzlich den Lichtsensor, so kann man mit dem Trimmpotenziometer die Schaltschwelle z. B. für ein Umschalten der Anzeige „h“ bei Beleuchtung des Fotowiderstands auf eine Anzeige „d“ beim Abdunkeln desselben einstellen, wie dies auf den bedien folgenden Bildern zu sehen ist.



Die abgebildeten Sieben-Segment-Anzeigen sind so schmal, dass ihre Anschlüsse vor einem Anlöten an 10-polige IC-Präzisionsfassungen  zuvor jeweils seitlich etwas umgebogen werden mussten.




Elektronik-Labor  Literatur  Projekte  Lernpakete