Lernpaket Digitale Elektronik 

Elektronik-Labor  Literatur  Projekte  Lernpakete  Elektronik-Grundlagen



PDF-Handbuch im Conrad-Shop: http://www.conrad.de/ce/de/product/192297/



Einführung

Digitale Elektronik ist die Grundlage moderner Computertechnik. Digital heißt, dass es nur eindeutige An- oder Aus-Zustände in einer Schaltung gibt, nicht aber Zwischenstufen wie halb an oder dreiviertel an wie in der analogen Elektronik. Auf den ersten Blick hat man also weniger Möglichkeiten. Wenn man aber viele digitale Leitungen gleichzeitig verwendet, gibt es insgesamt sehr viele unterschiedliche Zustände. Jeden einzelnen Zustand bezeichnet man als ein Bit. Ein 8-Bit-System kann gleichzeitig 256 Zustände darstellen, ein 16-Bit-System schon 65636 (= 2 hoch 16) Zustände. Wenn dann noch alle Zustände schnell wechseln, lassen sich riesige Datenmengen verarbeiten und komplexe Systeme wie z.B. das Internet realisieren.

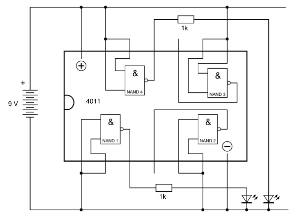
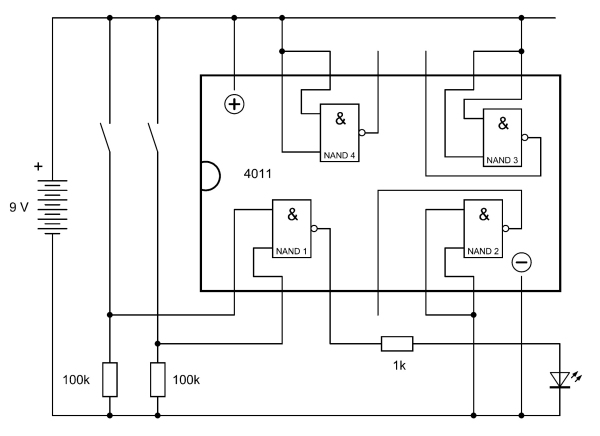
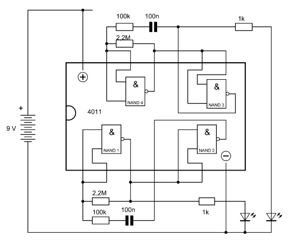
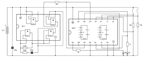
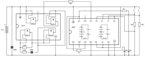
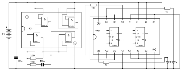
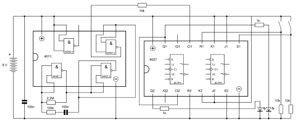
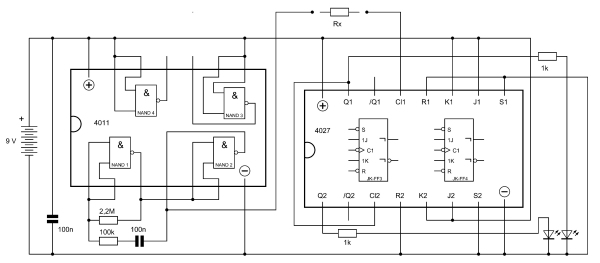
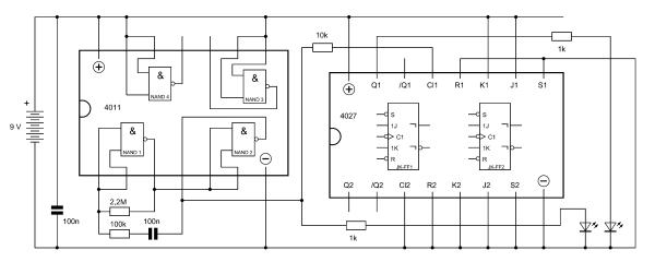
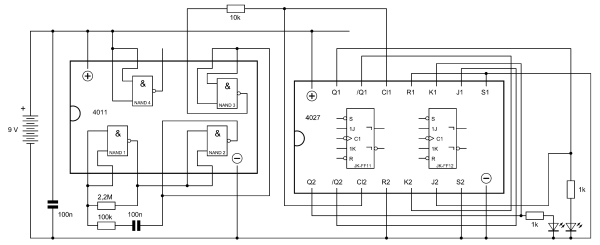
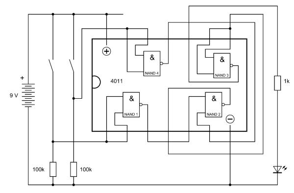
Die ersten Versuche zur digitalen Elektronik sollten mit möglichst einfachen Bauteilen durchgeführt werden. Ein typischer Grundbaustein ist ein so genanntes Gatter, also eine Schaltung mit Eingängen und einem Ausgang. Der Zustand an den Eingängen bestimmt, was am Ausgang passiert. Ein typisches Bauspiel ist das NAND-Gatter. Das im Lernpaket verwendete vierfache NAND-Gatter 4011 erlaubt bereits zahlreiche Schaltungsvarianten. Aus mehreren NAND-Gattern lassen sich Schaltungen mit anderen Funktionen aufbauen. Sogar ein ganzer Computer ist letztlich aus solchen Grundfunktionen aufgebaut.

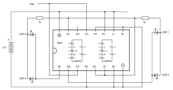
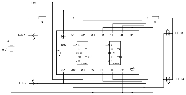
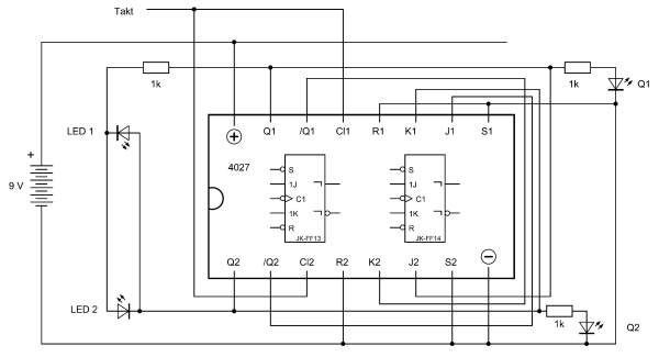
Aus Gattern lassen sich z.B. Flipflops oder Speicherbausteine aufbauen, die den zuletzt eingenommenen Zustand behalten. Ein komplexeres Flipflop ist das JK-Flipflop, das intern ebenfalls aus Gatterfunktionen aufgebaut ist. Das Lernpaket enthält ein doppeltes JK-Flipflop 4027. Die beiden ICs gehören zur CMOS-Familie 4000 und dürfen mit Betriebsspannungen zwischen 3 V und 15 V betrieben werden. Damit eignen sie sich hervorragend für einfache Experimente und für den Batteriebetrieb mit 9 V.



Hier sollen zunächst die Bauteile vorgestellt werden. Die einzelnen Versuche werden auf einer Steckplatine durchgeführt. Zu jedem Versuch gibt es ein Schaltbild und ein Aufbaufoto. Das Foto ist jeweils nur als Vorschlag zu verstehen, Sie können die Bauteile auch anders anordnen. Die Anschlussdrähte der einzelnen Bauteile wurden wegen der besseren Übersicht teilweise für die Fotos gekürzt. Verwenden Sie jedoch die Anschlussdrähte ungekürzt, damit sie auch noch für weitere Versuche einsetzbar bleiben.

Inhalt und farbige Aufbaubilder als Hilfe zur Fehlersuche


1 Einführung    
1.1 Das Steckfeld   
1.2 Die Batterie    
1.3 Leuchtdioden    
1.4 Widerstände    
1.5 Kondensatoren    
2. Inverter  





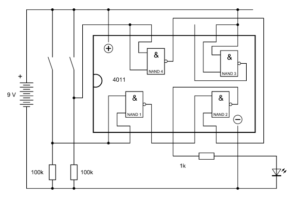
3. Berührungsschalter  





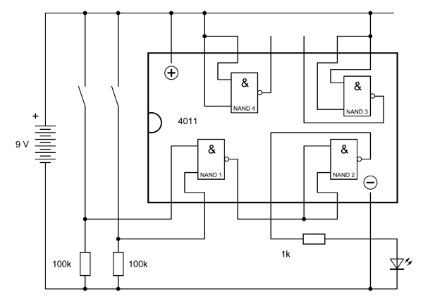
4. NAND-Grundfunktion   





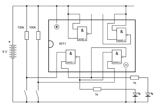
5 AND-Gatter   





6 OR-Gatter   





7. NOR-Gatter   





8. RS-Flipflop   





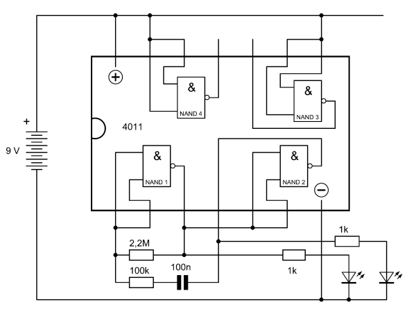
9. Blinkschaltung  





10 Doppelblinker  





11 Variable Frequenz   





12 Frequenzteiler  





13. Teiler duch vier   





14 Stop an Go  





15 Set und Reset   





16 JK-Flipflop   





17 Schieberegister   





18 Phasenverschiebung 90 Grad   





19 Bit-Decoder   





20 Eins aus Vier   





21 Synchronzähler   






Elektronik-Labor  Literatur  Projekte  Lernpakete  Elektronik-Grundlagen