
Hinter dem ersten Türchen findest du drei elektrische Bauteile, ein Batteriefach mit Anschlussdrähten, eine Doppelklemme und eine weiße Leuchtdiode (LED). Das Batteriefach hat einen abnehmbaren Deckel und einen Schiebeschalter mit den Stellungen ON (an) und OFF (aus). Das rote Kabel ist der Pluspol, das schwarze der Minuspol.

Verbinde die Drähte des Batteriefachs mit der Klemme, indem du die Hebel auf einer Seite herunter drückst, Drähte hineinsteckst und dann die Hebel loslässt. Schau einmal von vorn in die Kontakte und sieh, wie sich eine Öffnung bildet, in die ein Draht passt.

Beim Einbau der Leuchtdiode musst du auf die Richtung achten. Der kürzere Draht ist der Minuspol und muss mit dem schwarzen Draht vom Batteriefach verbunden werden. Der längere Draht ist der Pluspol und gehört an das rote Kabel.

Nun erst lege drei AA-Batterien (1,5 Volt) mit zusammen 4,5 Volt in das geöffnete Batteriefach ein. Achte auf die Einbaurichtung, die Federn müssen jeweils den Minuspol berühren. Schiebe den Schalter an der Seite des Batteriefachs in Richtung ON. Die LED leuchtet hell auf und erzeugt ein strahlend weißes Licht. Schalte am Ende deine Lampe aus, indem du den Schalter in Richtung OFF schiebst.
Achtung, schaue niemals aus kurzer Entfernung auf eine eingeschaltete LED, denn das kann deine Augen schädigen!
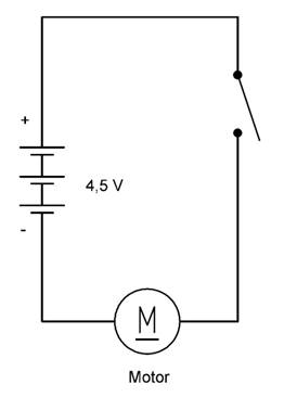
Der Stromkreis
Betrachte die weiße LED ganz genau. Das Gehäuse hat die Form einer Linse und vergrößert dadurch den inneren Aufbau. Der eigentliche LED-Kristall auf dem Minusdraht ist von einem gelben Leuchtstoff überzogen. Zu ihm führen zwei dünne Drähte. Der Plus-Anschluss trägt einen kleinen schwarzen Block. Das ist ein Widerstand, der die Stromstärke verkleinert. Nur ganz spezielle LEDs haben diesen Widerstand, damit sie ohne zusätzliche Bauteile direkt an eine Batterie angeschlossen werden dürfen. Sie haben ein kürzeres Gehäuse als andere LEDs, damit sie nicht verwechselt werden können.


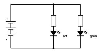
Ein Schaltplan kann helfen, alle Bauteile und Verbindungen des Versuchs zu verstehen. Die Batterie hat drei Zellen. Der Plus-Anschluss wird durch den längeren Strich dargestellt. Das Schaltsymbol für die LED zeigt ein Dreieck, das die Stromrichtung andeutet. Zwei kleine Pfeile stellen das erzeugte Licht dar. Der im LED-Gehäuse eingebaute Widerstand wird als Rechteck gezeichnet. Alle Bauteile sind zu einem geschlossenen Stromkreis verbunden.
Öffne das vierte Türchen und nimm eine grüne und eine rote LED heraus. Betrachte sie vor dem Einbauen mit der Lupe. Du erkennst diesmal außer dem Widerstand auch den eigentlichen LED-Kristall in einer kleinen Vertiefung.

Schließe die grüne LED richtig herum mit an die Klemme an. Die weiße und die grüne LED teilen sich den Anschluss und bilden eine Parallelschaltung. Sobald das Batteriefach eingeschaltet ist, leuchten beide.

Versuch 1
Baue dann die rote und die grüne LED zusammen ein. So erhältst du eine rotgrüne Lampe. Lasse beide LEDs auf ein weißes Papier scheinen. Jede LED erzeugt einen Leuchtfleck. Da wo sich beide Leuchtflecken überdecken entsteht eine Mischfarbe: Gelb. Es handelt sich um eine Addition zweiter Grundfarben. Man nennt dies deshalb eine additive Farbmischung.


Versuch 2
Male weißes Papier bunt an, um daraus Farbfilter zu bauen. So ein Filter lässt jeweils nur eine Farbe hindurch und schwächt alle anderen Farben. Gelingt es dir, mit der weißen LED eine rote oder grüne Lampe zu bauen?

Versuch 3
Male ein Bild mit allen Farben. Betrachte es dann im Licht deiner LED-Lampen. Mit der weißen LED sind alle Farben erkennbar, aber das Bild hat einen leichten Blaustich. Die weiße LED enthält nämlich einen blau leuchtenden LED-Kristall, dessen Licht durch die Leuchtschicht teilweise in alle andern Farben umgewandelt wird. Mit der grünen oder der roten LED allein werden die Farben nicht richtig sichtbar. Aber wenn du die rote und die grüne LED zusammen verwendest, sind schon die meisten Farben gut erkennbar.
Weiße LED
Grüne LED


Rote LED
Rote und
grüne
LED
Das weiße Licht und seine Farben
Weißes Licht enthält alle Farben von Rot über Gelb bis Blau und Violett. In einem Regenbogen werden die einzelnen Farben sichtbar. Alle Regenbogenfarben zusammen nennt man das Spektrum des Lichts. Immer wenn weißes Licht auf einen farbigen Gegenstand fällt, wird nur der Teil des Lichts mit der gleichen Farbe reflektiert. Dieses reflektierte Licht erreicht unser Auge, sodass wir den Gegenstand in seiner eigenen Farbe sehen. Weiße Gegenstände reflektieren dagegen alle Farben.

Wenn ein grüner Gegenstand mit rotem Licht beleuchtet wird, kann kein grünes Licht reflektiert werden. Der Gegenstand bleibt daher dunkel. Wenn dagegen rotes Licht auf einen weißen Gegenstand fällt, erscheint er rot.

Baue eine Reihenschaltung mit der roten und der grünen LED. Achtung, beide LEDs müssen richtig herum mit dem kürzeren Minusanschluss in Richtung zum Minuspol der LED eingebaut werden. Nur dann fließt Strom. Durch beide LEDs fließt derselbe Strom. Aber beide müssen sich die elektrische Spannung teilen. Du siehst, dass die LEDs nun schwächer leuchten.

Spannung und Strom
Jeder Gegenstand enthält elektrische Ladungen, und zwar in Form von Elektronen mit negativer Ladung und Protonen mit positiver Ladung. Meist gibt es gleichviel positive wie negative Ladung, dann hebt sich die Wirkung nach außen auf. Eine Batterie verschiebt jedoch die Ladungen so, dass ein Unterschied zwischen Pluspol und Minuspol besteht. Es entsteht eine Spannung, die man in Volt (V) misst. Eine Batteriezelle hat eine Spannung von 1,5 V.
Positive und negative elektrische Ladungen ziehen einander an. Deshalb fließen Ladungen durch Drähte und andere elektrische Bauteile, sobald ein Stromkreis geschlossen wird. Wenn viel Ladung in kurzer Zeit bewegt wird, fließt ein großer Strom. Die Stromstärke misst man in Ampere (A). Bei deinen Versuchen fließen nur sehr kleine Ströme von einigen Tausendstel Ampere, die man in Milliampere (mA) misst.
In der Reihenschaltung fließt überall derselbe Strom, weil es nur einen Weg ohne Abzweigungen gibt. Die Reihenschaltung nennt man daher auch einen unverzweigten Stromkreis. Aber die elektrische Spannung müssen sich die einzelnen Verbraucher teilen. Insgesamt hat die Batterie eine Spannung von 4,5 V. Sie muss sich nicht gleichmäßig aufteilen. In deinem Versuch bekommt die grüne LED mit 2,5 V etwas mehr Spannung als die rote LED mit nur 2,0 V.
Jede LED hat eine Mindestspannung, bei der sie zu leuchten beginnt. LEDs am roten Ende des Farbspektrums haben die kleinste Spannung, solche am blauen Ende die größte. Weil die weiße LED eigentlich eine blaue LED ist, braucht sie die größte Spannung.
Rot: 1,6 V
Gelb: 1,7 V
Grün: 2,0 V
Weiß: 2,8 V
Zur Messung von Spannungen, Stromstärken und Widerständen verwendet man oft digitale Messgeräte mit umschaltbaren Messbereichen.

Im Fach Nummer 4 findest du zwei Bauteile, einen Widerstand und einen Kondensator. Der Widerstand dient dazu, den elektrischen Strom zu verkleinern. Und der Kondensator ist ein Speicher für elektrische Energie.
Versuch 1
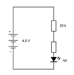
Der Widerstand hat vier farbige Ringe. Die Farben stehen für Zahlen: Orange (3), Orange (3), Orange (000) bedeutet 33 000 Ohm, was man auch als 33 Kiloohm (33 kOhm, 33 kΩ, kurz 33 k) schreiben kann. Der vierte Ring ist golden und bedeutet, dass dieser Wert mit einer Genauigkeit von 5% eingehalten wird.
Baue den Widerstand in Reihe zur roten LED ein. Wie immer musst du bei der LED die Richtung beachten (kurzer Draht an Minus), aber der Widerstand darf beliebig umgedreht werden. Das Ergebnis wird sofort sichtbar: Die LED leuchtet weniger hell. Der Widerstand verringert nämlich den Strom. Je mehr Ohm er hat, desto kleiner wird die Stromstärke.


Versuch 2
Dein Kondensator ist ein Elektrolytkondensator (Elko), bei dem die Pole unbedingt beachtet werden müssen. Der Minuspol ist wie bei der LED der kürzere Draht und muss mit dem schwarzen Kabel des Batteriefachs verbunden werden. Außerdem gibt es einen dicken weißen Strich an der Minus-Seite. Schließe den Kondensator an die Batterie an und beachte dabei die Einbaurichtung.

Löse dann das Pluskabel der Batterie und baue zusätzlich die grüne LED ein. Sie leuchtet kurz auf und wird dann schnell dunkler und leuchtet nur noch einige Sekunden lang. Damit wird klar, welche Aufgabe der Kondensator hat. Er ist ein Energiespeicher, der beim Anschluss an die Batterie aufgeladen wird und elektrische Energie speichert, die er später an die LED liefern kann. Du kannst ihn aufladen, einige Minuten warten, und dann erst die LED anschließen. Auch nach längerer Zeit ist noch die volle Energie vorhanden. Je mehr Kapazität (gemessen in Mikrofarad, µF) ein Kondensator hat, desto mehr Energie kann er bei gleicher Batteriespannung speichern. Auf deinem Elko steht 1000 µF.


Halte den Plusdraht kurz an den Pluspol des Elkos. Er wird dann in einem Moment wieder aufgeladen und lässt die LED wieder einige Sekunden lang leuchten.
Versuch 3
Baue nun den Widerstand von 33 kΩ in Reihe zur LED ein. Du hast ja schon gesehen, dass der Widerstand den Strom verringert und die LED weniger hell leuchten lässt. Deshalb reicht eine Ladung des Elkos nun viel länger. Die LED leuchtet zwar weniger hell, dafür aber eine halbe Minute lang mit guter Helligkeit und viele Minuten lang noch gut sichtbar.
Du kannst auch das Batteriekabel angeschlossen lassen und nur den Schalter am Batteriefach bedienen. Wenn du einschaltest, leuchtet die LED sofort. Wenn du ausschaltest, wird sie nur langsam dunkler und leuchtet lange nach.


Öffne das Fach Nummer 5, und nimm sechs Kabel heraus, die noch zu einem breiten Band verbunden sind. Man kann sie leicht trennen, indem man einzelne Kabel abzieht. Mit diesen Kabeln hast du nun viele Möglichkeiten für noch kompliziertere Versuche.
Versuch 1
Baue die weiße LED mit dem Vorwiderstand 33 kΩ ein. Schließe auch die rote LED mit an, aber zuerst nur mit ihrem Minusanschluss. Die beiden kurzen Drähte beider LEDs stecken also in derselben Klemme. Der Plusanschluss der roten LED ist mit einem Experimentierkabel verbunden, dessen anderes Ende noch frei ist. Für die rote LED ist der Stromkreis daher noch nicht geschlossen, und deshalb ist sie noch aus. Aber die weiße LED leuchtet mit geringer Helligkeit.
Halte dann das freie Ende des Kabels mit an den Pluspol der weißen LED. Wie erwartet geht damit die rote LED an. Aber gleichzeitig geht die weiße LED aus. Das Kabel wird wie ein Schalter verwendet, der in diesem Versuch wie ein Umschalter wirkt: Weiß, Rot, Weiß, Rot und immer so weiter. Der Versuch funktioniert deshalb, weil die weiße LED mehr Spannung braucht als die rote LED.


Versuch 2
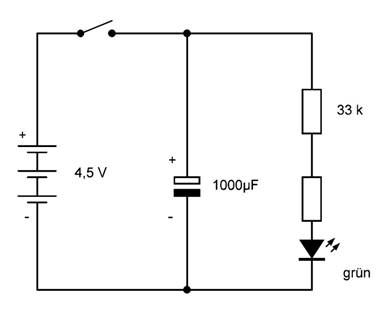
Baue einen Stromkreis mit der grünen LED und dem Vorwiderstand mit 33 kΩ. Parallel zum Widerstand soll aber diesmal zusätzlich der Elko angeschlossen werden. Achte auf die Einbaurichtung. Der Pluspol des Elkos gehört an das rote Batteriekabel. Zu diesem Versuch gehört auch der Schalter im Batteriekästchen. Er ist deshalb im Schaltbild mit eingezeichnet.
Wenn du den Schalter auf ON stellst, blitzt die LED hell auf. Die Helligkeit wird dann langsam geringer, geht aber niemals auf null. Der Widerstand bestimmt die Helligkeit nach längerer Zeit. Aber der Elko sorgt mit seinem Ladestrom dafür, dass die LED am Anfang sehr hell ist. Je länger der Schalter geschlossen bleibt, desto weiter ist der Elko schon aufgeladen, und desto geringer wird der Ladestrom. Um den Versuch zu wiederholen, musst du das Batteriefach ausschalten und eine halbe Minute warten, bis der Kondensator wieder entladen ist.


Versuch 3
Baue dir ein einfaches Testgerät mit einer LED und zwei Kabeln. Wenn sich die Kabelenden berühren, geht die LED an. Genauso kannst du beide Enden an einen Metallgegenstand halten. Teste, welche Dinge Strom leiten. Auch deine elektrischen Bauteile kannst du auf diese Weise untersuchen. Dein Widerstand leitet schlechter als ein Kabel, was du an der geringeren Helligkeit der LED erkennst.


Öffne das Türchen Nummer 6 und nimm eine weitere LED heraus. Auf den ersten Block könnte man sie mit einer weißen LED verwechseln. Wenn man aber ganz genau hinsieht, erkennt man, dass tatsächlich drei LED-Kristalle und eine komplizierte Schaltung eingebaut sind. Es handelt sich um eine automatische Farbwechsel-LED mit einem eingebauten Widerstand und einem Controller für drei Farben. Mit dünnen Drähtchen sind alle Bauteile verbunden.

Versuch 1
Schließe die LED wie eine normale LED an die Batterie an. Sofort beginnt ein Blinken und Blitzen in drei verschiedenen Farben: Rot, Grün und Blau (RGB). In manchen Momenten leuchten zwei LEDs gleichzeitig, wobei eine allmählich heller wird und die andere allmählich dunkler.


Versuch 2
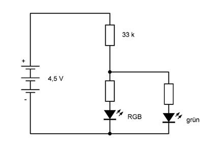
Verwende deinen zusätzlichen Widerstand von 33 kΩ in Reihe und baue zusätzlich die grüne LED parallel ein. Nun zeigt auch die grüne LED ein Blinken und Flackern. Der Controller in der RGB-LED schaltet seine verschiedenen LEDs ein und ändert damit immer wieder die Spannung. Diese Änderungen werden an der grünen LED sichtbar.


Versuch3
Baue die RGB-LED zusammen mit dem Elko ein. Wenn du die Batterie einschaltest, beginnt das farbige Flackern und gleichzeitig wird dein Elko aufgeladen. Wenn du ausschaltest, versorgt der Elko die RGB-LED noch für kurze Zeit. Sie blinkt noch wenige Male. Zuerst versagt die blaue LED, dann die grüne, und am Ende blinkt nur noch die rote LED. Eine rote LED kommt nämlich mit der kleinesten Spannung aus, während eine blaue LED die größte Spannung braucht.


Hinter dem siebten Türchen findest du einen Meter aufgewickelten Draht. Er besteht aus Kupfer und hat eine rote Isolierung aus weichem Plastik.

Baue dir einen Schalter aus Draht und einer Doppelklemme. Entferne die Isolierung auf einer Länge von 6 cm und schneide zwei Drahtstücke unterschiedlicher Länge ab. Verwende dazu eine Zange oder eine alte, nicht mehr gebraucht Schere. Die Isolierung kann man mit den Fingernägeln abziehen. Leichter geht es, wenn man sie vorher mit einem Messer oder mit einer Schere etwas anritzt. Lass dir dabei von einem Erwachsenen helfen.
Der kürzere Draht hat 2 cm und bleibe gerade. Der längere Draht mit 4 cm wird in der Mitte gebogen. Die umgebogenen Enden bewirken einen besseren Halt in der Klemme. Beide Drähte werden so eingesetzt und gebogen, dass sie sich noch nicht berühren. Wenn aber mit dem Finger darauf drückt, wird die Verbindung hergestellt.

Baue dir eine Lampe mit Tastschalter. Du brauchst dazu noch einen weiteren Draht, der an beiden Enden abisoliert wird und die beiden Klemmen verbinden soll. Die LED leuchtet nur, wenn man den Schalter drückt. Die kannst sie auch als Signallampe verwenden und damit Morsezeichen senden.
Versuch 2
Manche Schalter kann man mit einer Betätigung beliebig lange einschalten. Das funktioniert auch mit deinem Eigenbau-Schalter. Du musst nur den gebogenen Draht unter den geraden Draht klemmen. Die Federkraft sorgt dann für eine dauerhafte Verbindung, die LED bleibt von allein eingeschaltet.

Stromkreise öffnen und schließen
Der Schalter bildet eine Unterbrechung in deinem Stromkreis. Im Normalfall ist der Strom also ausgeschaltet, der Schalter ist geöffnet. Wenn du aber auf den Draht drückst, wird der Stromkreis geschlossen.

Für den Einbau in Geräten gibt es eine Vielzahl ganz unterschiedlicher Druckschalter. Aber alle funktionieren genauso wie dein selbst gebauter Schalter. Wenn man auf den Schalter drückt, berühren sich innen zwei Teile aus Metall und schließen den Stromkreis.


Öffne das Türchen Nummer 8 und nimm einen Stabmagneten heraus. Halte den Magneten an unterschiedliche Gegenstände. Manche werden angezogen, manche nicht. Alle Gegenstände aus Eisen oder Stahl werden von einem Magneten angezogen. Er eignet sich daher zur Materialuntersuchung.
Achtung Verletzungsgefahr! Dieser Magnet ist sehr stark. Sei vorsichtig bei der Annäherung an Eisen und Stahl und vermeide es, deine Finger einzuklemmen.
Untersuche deine Batterien. Einfache Zink-Kohle-Batterien werden nicht angezogen, denn Zink ist nicht magnetisch. Aber wenn es Alkalizellen sind, kann der Magnet sie anheben oder an ihnen haften, weil die äußere Hülle aus Stahl besteht.

Teste die Anschlussdrähte der LEDs. Sie werden stark angezogen. Es sind nämlich Drähte aus Eisen, das mit einem anderen Metall wie Silber oder Zinn überzogen ist. Teste deinen isolierten Draht. Er reagiert nicht auf den Magneten, weil er aus Kupfer besteht. Untersuche das Batteriefach. Du wirst leicht feststellen, dass die Kontakte und Federn magnetisch sind, sie bestehen aus Stahl.

Magnetische Kräfte dringen auch durch nicht magnetische Stoffe hindurch. Papier selbst wird nicht angezogen. Aber wenn du ein Blatt Papier zwischen Batterie und Magnet legst, wird die Batterie angezogen.
Gegenstände magnetisieren
Mit dem Magneten kannst du Gegenstände aus Eisen oder Stahl magnetisieren. Der Magnet kann auf diese Weise eine ganze Kette von Büroklammern oder von Schrauben und Muttern halten. Eine Büroklammer wird nahe am Magneten selbst ein Magnet. Aber wenn du den Magneten entfernst, verliert sie in den meisten Fällen ihre magnetische Kraft sofort wieder. Sie wurde also nur vorübergehend magnetisiert. Manche Dinge aus Stahl behalten jedoch einen Teil der magnetischen Kraft, sie werden also dauerhaft magnetisiert und können dann selbst andere Dinge aus Eisen anziehen.

Das Türchen Nummer 9 bringt dir einen kleinen Elektromotor mit zwei Anschlussdrähten. Der rote Draht ist der Pluspol, der schwarze der Minuspol. Schieße ihn an die Batterie und den Schalter an.

Drücke auf den Schalter. Der Motor läuft mit einem deutlichen Ruck an. Die Achse dreht sich, aber man hört und sieht kaum etwas davon. Wenn du aber die Drehung der Achse mit den Fingern mit den Fingern stoppst, spürst du die Kraft.
Vertausche die beiden Drähte des Motors. Nun dreht sich die Achse anders herum. Anders als bei einer Leuchtdiode kann der Strom in unterschiedlichen Richtungen durch den Motor fließen.

Schneide ein rechteckiges Stück Papier mit einer Kantenlänge von 2 cm aus und stich ein Loch in die Mitte, um es auf die Achse zu stecken. Schalte den Motor ein. Das Papier dreht sich nun so schnell, dass du seine Form nicht mehr erkennen kannst. Aus dem Rechteck wird ein Kreis mit unscharfen Rändern.
Farbmischung durch schnelle Bewegung

Male farbige Streifen auf das Blatt oder schneide ein passendes Stück aus einem farbig bedruckten Papier aus. Wenn du es mit dem Motor in schnelle Drehung versetzt, verschwimmen die Farben. Das funktioniert nur deshalb, weil unser Auge zu träge ist, um die schnellen Änderungen zu sehen.


Öffne das Türchen Nummer 10 und nimm drei Zahnräder aus Kunststoff heraus. Das kleine Zahnrad hat zehn Zähne und ein kleines Loch in der Mitte, sodass es nur mit Kraft auf die Motorachse gesteckt werden kann. Die beiden größeren Zahnräder haben 40 Zähne und ein kleineres verbundenes Zahnrad mit 10 Zähnen. Das Loch in der Mitte ist so groß, dass es locker über die Achse geschoben werden kann.
Drücke das kleine Zahnrad auf die Achse. Das erfordert viel Kraft, weil das Loch in der Mitte etwas kleiner ist als die Achse mit ihrem Durchmesser von 2,0 mm. Lege das Zahnrad auf eine harte Oberfläche und drücke den Motor mit seine Achse in die Bohrung. Es reicht, wenn die Ache etwa zur Hälfte im Zahnrad steckt.

Wenn du den Motor einschaltest, kannst du wie erwartet die einzelnen Zähne nicht mehr sehen, denn dein Auge ist einfach nicht schnell genug. Halte nun das Zahnrad mit den Fingern fest. Du kannst den Motor viel leichter stoppen als nur mit der blanken Achse. Mit dem aufgesetzten Zahnrad hast du einen größeren Radius und damit einen längeren Hebelarm. Deshalb brauchst du weniger Kraft um den Motor anzuhalten. Später werden noch genaue Versuche mit Hebeln und Kräften durchgeführt.

Halte den Rand eines Papierblatts an das rotierende Zahnrad. Nun hörst du ein lautes Geräusch. Die Zähne versetzen das Blatt in Schwingungen. Diese übertragen sich auf die Luft. Und die Luftschwingungen werden als Ton wahrgenommen.
Drehzahl und Frequenz
Die Frequenz eines Tons misst man in Hertz (Hz). Ein Hertz ist eine Schwingung pro Sekunde. Das kleine Zahnrad hat 10 Zähne, es entstehen deshalb 10 Schwingungen pro Umdrehung. Schließe den Motor an deine Batterie mit 4,5 V an und halte das Papier an das Zahnrad. Du hörst einen Ton von ungefähr 800 Hz. Der Motor dreht sich also mit einer Drehzahl von 80 Umdrehungen pro Sekunde, das sind 4800 Umdrehungen pro Minute.
Spannung und Drehzahl
Halte die Drähte des Motors an eine einzelne Batteriezelle mit 1,5 V, dann entsteht tieferer Ton. Teste auch zwei Zellen in Reihe, also eine Spannung von 3 V. Der Ton wird deutlich höher als bei 1,5 V.

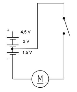
Du kannst auch mit dem Batteriefach einzelne Zellen anschließen. Entferne den roten Plus-Draht vom Batteriefach aus der Klemme und setze dort einen neuen Draht ein. Damit kannst du einzelne Anschlusspunkte im Batteriefach berühren, um nur eine, zwei oder drei Batteriezellen zu verwenden. Schau dir den Aufbau des Batteriefachs und seine Drahtverbindungen genau an und finde heraus, welche Spannung wo erreichbar ist. Achtung, der freie Draht des Batteriefachs darf keine andere leitende Stelle berühren, denn damit gäbe es einen Kurzschluss.

Heute findest du etwas Knete in deinem Kalender. Damit kannst du Gegenstände formen oder Dinge befestigen. Verschließe die Knete nach jedem Versuch wieder luftdicht, damit sie nicht austrocknet. Du kannst auch ein paar Tropfen Wasser dazutun, um die Knete wieder weicher zu machen.

Forme aus einem Stück Knete eine kleine Kugel mit einem Durchmesser von 1 cm. Drücke die Kugel so genau wie möglich mit ihrer Mitte auf das Motor-Zahnrad. Schalte den Motor an. Er vibriert und bewegt sich auf dem Tisch. Halte den laufenden Motor in der Hand und spüre die Vibrationen.
Versuche die Kugel noch genauer auf die Mitte auszurichten, damit die Vibrationen möglichst gering werden, oder sogar aufhören. Dieses „Auswuchten“ ist allerdings sehr schwierig. In der Autowerkstatt macht man dasselbe mit Autorädern, indem man kleine Gewichte an der Seite befestigt, wo das Rad etwas leichter ist.
Leichter ist es, die Unwucht zu vergrößern. Drücke die Knete-Kugel absichtlich außerhalb der Mitte auf das Zahnrad. Die Vibrationen werden deutlich stärker. Versuche es auch einmal mit einer größeren Kugel von 2 cm Durchmesser. Dabei entstehen noch größere Kräfte. Und es kann sogar passieren, dass die Kugel sich vom Zahnrad löst und seitlich wegfliegt. Achte auf deine Augen und schaue dir den Motor nur in Richtung der Achse an.
Die Trägheit der Masse
Wenn du einen Ball an einem Seil im Kreis herum schleuderst, scheint er nach außen zu streben. Aber wenn du loslässt, fliegt er nicht in Richtung des Seils weg, sondern rechtwinklig dazu. Das liegt an seiner trägen Masse.
Jeder Gegengenstand und jeder Mensch besitzt Masse. Man nennt sie auch „träge Masse“, weil sie nur mit einem Kraftaufwand zu einer Änderungen des Bewegungszustands gebracht werden kann. Wenn du in einem Auto sitzt, spürst du diese Beschleunigungskräfte beim Anfahren, beim Bremsen und in Kurven.

Genauso verhält es sich mit deiner Knetekugel auf der Motorachse. Betrachte einen Teil, der etwas nach außen ragt. Auf ihn wirkt die Fliehkraft F, weil er dauernd daran gehindert wird, in Richtung seiner momentanen Geschwindigkeit v geradeaus weiter zu fliegen. Aber wenn sich ein Teil löst, fliegt es tatsächlich in Richtung v davon. Also wenn du alles nur von oben betrachtest, kann die Knete dich nicht treffen.
Fallversuche
Die Masse eines Körpers spüren wir auch deshalb, weil sie schwer ist, also weil sie von der Erde angezogen wird. Auf eine Masse von einem Kilogramm (1 kg) wirkt auf der Erdoberfläche eine Gewichtskraft von rund 10 Newton (genauer 9,81 N). Auf dem Mond wäre die Gewichtskraft nur 1,6 N, in einer Raumstation wäre sie null.
Vor über 500 Jahren haben die meisten Menschen noch geglaubt, dass schwere Gegenstände schneller zu Boden fallen als leichte. Aber dann kam Galileo Galilei und wollte es genau wissen. Er ließ große und kleine Gegenstände vom Schiefen Turm von Pisa fallen und fand heraus, dass sie gleich schnell unten ankommen. Das ist so, weil der größere Gegenstand nicht nur mehr Gewichtskraft, sondern auch mehr Trägheit hat. Versuche das selbst einmal mit großen und kleinen Knetekugeln, die du gleichzeitig auf den Boden fallen lässt.
Heute findest du eine gelbe LED in deinem Kalender. Baue deinen Schalter zu einem Prüfkabel um. Zwei 5 cm lange Drähte sollen an beiden Enden auf einer Länge von 1 cm von der Isolierung befreit werden. Baue sie dann in die Doppelklemme ein, sodass du zwei freie Enden hast. Du kannst beide Enden zusammendrücken und hast dann wieder eine Art Schalter. Teste das mit der gelben LED.

Aber auch die elektrischen Eigenschaften der Knete sind sehr interessant. Berühre nun mit beiden Drähten die Knete. Auch so leuchtet die LED, wenn auch weniger hell. Damit ist bewiesen: Diese Knete leitet den elektrischen Strom. Teste auch andere Stoffe und Gegenstände. Viele (Glas, Gummi, Kunststoffe) leiten den Strom nicht. Alle Metalle leiten den Strom sehr gut. Teste auch einmal eine Bleistiftmine. Die besteht aus Graphit und leitet den Strom gut.


Teste auch einmal reines Wasser. Es leitet nur sehr wenig. Wenn du aber etwas Salz hinzugibst, steigt die Leitfähigkeit deutlich an. Genau das ist auch der Grund, warum deine Knete Strom leitet. Sie enthält Wasser und Salz.
Die Leitfähigkeit eines Gegenstands hängt nicht nur von seinem Material sondern auch von seiner Form ab. Wenn du eine Kugel bildest, und die Drähte auf beiden Seiten fest eindrückst, fließt viel Strom. Wenn du aber eine lange, dünne Rolle formst, fließt deutlich weniger Strom hindurch.
Auch deine Finger leiten etwas Strom, denn auch sie enthalten Waser und Salz. Wenn du beide Drähte sehr stark berührst, fließt mehr Strom. Aber es hängt auch von der Hautfeuchtigkeit ab. Angefeuchtete Finger leiten besser. Aber wenn du dir die Hände mit Seife wäschst und gut abtrocknest, ist die Leitfähigkeit sehr gering. Der bei diesem Versuch fließende Strom ist so klein, dass du ihn nicht spürst.
Aber Achtung! Der Versuch ist nur deshalb ungefährlich, weil die Batteriespannung kleiner als 12 Volt ist. Bei großen Spannungen wie an einer Steckdose (230 V) besteht Lebensgefahr!
Stromleitung in Metall und Salzlösungen
Elektrische Ladung kennst du vielleicht von der Aufladung eines Kamms, der deine Haare anzieht. Es gibt positive und negative elektrische Ladung. Beide ziehen gegenseitig sich an. Wenn elektrische Ladung sich bewegt, fließt elektrischer Strom. Das hast du vielleicht schon einmal erlebt, wenn du dich auf einem Teppich elektrisch aufgeladen hast und dann eine Türklinke angefasst hast. In dem Moment hast du einen Stromschlag gespürt.
Alle Dinge bestehen aus Atomen, und alle Atome bestehen aus einen positiv geladenen Kern und einer Hülle aus Elektronen, die negative Ladung tragen. In vielen Stoffen sind die Elektronen so fest an ihre Kerne gefesselt, dass sie sich nicht fortbewegen können. Dann ist dieser Stoff ein Nichtleiter (Isolator).
In allen Metallen sind zwar die Atomkerne fest verankert, aber viele Elektronen können sich frei bewegen. Damit wird ihre Ladung beweglich, es kann also Strom fließen. In einem Stromkreis fließt Ladung vom Pluspol der Batterie durch die LED oder den Motor und die Drähte zum Minuspol. Tatsächlich bewegen sich die frei beweglichen Elektronen im Draht in Gegenrichtung, vom Minuspol zum Pluspol. Ganz anders ist es in Flüssigkeiten. Da bewegen sich Ladungsträger in beiden Richtungen.

Kochsalz besteht aus Natriumchlorid, also aus einer Verbindung aus dem Metall Natrium und dem Gas Chlor. Die trockenen Salzkristalle leiten den Strom nicht. Aber wenn sich Salz in Wasser auflöst, trennen sich die Atome teilweise in positiv geladene Natrium-Atome Na+ und negativ geladene Chlor-Atome Cl-. Diese geladenen Teilchen nennt man auch Ionen. Wenn eine elektrische Spannung angelegt wird, bewegen sich die Na+ Ionen zum Minuspol und die Cl- Ionen zum Pluspol. Beide tragen also zum Strom bei, ganz anders als in einem Draht, wo nur negative Elektronen den Strom bilden.
Hinter dem Türchen Nummer 13 findest du zwei Kunststoffbalken mit größeren und kleineren Löchern. Sie dienen zur Befestigung von Bauteilen und für vielseitige Konstruktionen. Heute soll einer der beiden Balken für eine einfache Balkenwage verwendet werden.
Eine Balkenwaage ist ähnlich aufgebaut wie eine Wippe. Der Balken ist in der Mitte drehbar gelagert und kann zu beiden Seiten kippen.
Wickle den isolierten Draht zweimal um den Balken und drehe in fest. Damit bekommt der Balken seinen erhöhten Drehpunkt. Du kannst die Drahtschlaufe etwas verschieben, bis sie genau in der Mitte sitzt und der Balken von allein zu keiner Seite kippt. Weil es mit den beiden Drähten zwei nahe beieinander liegende Auflagepunkte gibt, ist das ausreichend genaue Gleichgewicht etwas leichter zu finden.
Lege dann Gewichte auf die beiden Seiten und verschiebe sie so, dass die Waage im Gleichgewicht ist. Stelle zwei möglichst gleiche Kugeln aus Knete her. Mit der Balkenwaage kannst du überprüfen, ob beide gleich schwer sind oder welche von beiden schwerer ist. Die Kugeln müssen dabei genau gleich weit von der Mitte aufgelegt werden. Der Balken kippt immer zur schwereren Seite.

Ist die Knetekugel schwerer als eine Cent-Münze? Das Bild zeigt, dass ein Cent schwerer ist. Die Münze wurde sogar etwas näher zur Mitte geschoben, aber die Waage neigt sich immer noch nach rechts. Eine Cent-Münze wiegt übrigens 2,3 Gramm und eine Zwei-Cent-Münze wiegt 3,06 g also fast genau 3 g. Kannst du damit herausbekommen, wieviel deine Kugel wiegt

Die Balkenwaage wird nicht nur durch Gewichtskräfte beeinflusst, sondern auch durch beliebige andere Kräfte, also auch durch magnetische Kräfte. Versuche einmal, das Gleichgewicht der Waage mit dem Magneten in großer Entfernung zu beeinflussen, der dann kleine zusätzliche Kräfte auf die Münze ausübt. Eine Cent-Münze besteht nämlich nur außen aus Kupfer und hat einen Kern aus Eisen.
Drehmoment und Hebel

Die Balkenwaage gehorcht den Hebelgesetzen. Sie besagen, dass eine große Kraft an einem kurzen Hebelarm die gleiche Wirkung haben kann wie eine kleine Kraft an einem langen Hebelarm. An der Balkenwaage wirken zwei Gewichtskräfte, F1 und F2. Und sie wirken in unterschiedlichen Abständen r1 und r2 vom Drehpunkt. Beide Wirkungen heben sich auf, wenn Kraft 1 mal Hebelarm 1 genauso groß ist Kraft 2 mal Hebelarm 2. Die Kraft wird in Newton (N) gemessen, der Hebelarm in Meter (m).
Kraft1 * Hebelarm1 = Kraft2 * Hebelarm2
F1 * r1 = F2 * r2
Die eine Last möchte den Balken nach links drehen, die andere nach rechts. Jede bewirkt ein Drehmoment, die man in Newtonmeter (Nm) misst. Je größer die Kraft ist und je weiter vom Drehpunkt sie ansetzt, desto größer ist das Drehmoment.
Das Drehmoment spielt auch bei Motoren oder bei Werkzeugen eine Rolle. Wenn eine Schraube sehr fest sitzt, verlängert man manchmal den Schraubenschlüssel. Bei gleicher Kraft vergrößert man damit das Drehmoment und kann die Schraube dann doch noch lösen. Und bei Radmuttern oder Radschrauben am Auto gibt es genaue Vorschriften, mit welchem Drehmoment sie festgezogen werden müssen, damit sie sich nicht während der Fahrt lösen können. Das erforderliche Drehmoment ist bei jedem Auto anders, liegt aber bei ungefähr 100 Nm.
Öffne das Türchen Nummer 14 und nimm vier kleine Stangen heraus. Sie haben eine Dicke von 2 mm, genau wie die Achse des Elektromotors. Die größeren Zahnräder können locker aufgeschoben werden und drehen sich dann frei auf der Achse.
Nun sollen zwei der Achsen auf einen Balken montiert werden. Schau dir die Balken dazu genau an. Sie haben größere und kleinere Löcher. Du kannst die Achsen durch die größeren, durchgehenden Löcher stecken, wo sei sich frei drehen können. Die kleineren Löcher sind dagegen so eng, dass die Achsen nur mit viel Kraft eingesteckt werden können. Sie führen nur bis zur Mitte des Balkens.

Die Balken haben zwei unterschiedliche Seiten mit unterschiedlichen Lochabständen. Auf einer Seite gibt es jeweils ein kleines Loch zwischen zwei größeren, durchgehenden Löchern. Du brauchst die andere Seite mit jeweils zwei kleinen Löchern zwischen zwei großen Löchern. Stecke zwei Achsen in zwei kleine Löcher im Abstand von vier Lochabständen. Das geht sehr schwer. Halte die Achse auf eine harte Tischoberfläche und drücke den Balken von oben darauf. Lass dir dabei von einem Erwachsenen helfen. Die Achsen sitzen dann sehr fest im Balken und könnten nur mit einer Zange wieder herausgezogen werden.

Mit den beiden Achsen und zwei großen Zahnrädern kannst du nun ein Zahnradgetriebe bauen. Die Zähne des einen Rades sollen jeweils in die des anderen Rades greifen. Es gibt drei Möglichkeiten, die Zahnräder aufzusetzen. Eine davon funktioniert überhaupt nicht: Wenn beide in unterschiedlicher Richtung aufgesetzt werden, sodass sich zweimal ein großes und ein kleines Zahnrad berühren, dann kann sich keines der Räder drehen. Richtig ist es, wenn ein kleines Zahnrad in ein großes greift.

Drehe das linke Rad mit den Fingern und betrachte die Bewegung des rechten Rades. Es dreht sich viel langsamer. Mache dir mit einem Stift Markierungen auf beide Räder, sodass du die Bewegung genauer untersuchen kannst. Damit das rechte Rad sich einmal vollständig dreht, muss das linke sich viermal drehen. Das liegt an der Anzahl der Zähne. Das kleine Rad hat 10 Zähne, das große hat 40 Zähne, also viermal mehr.
Nun drehe das linke Rad und versuche, das rechte mit der andern Hand festzuhalten. Dabei stellst du fest, dass rechts eine viel größere Kraft erforderlich ist. Warum das so ist, kann man mit den Hebelgesetzen erklären. Zahnräder funktionieren wie Hebel. Das größere Zahnrad stellt einen größeren Hebel dar, und deshalb findet man auf der Seite ein größeres Drehmoment.
Materialeigenschaften der Achsen
Untersuche mit dem Magneten, ob die Achsen angezogen werden können. Weil die Achsen aus Stahl sind, sollten sie magnetisch sein. Teste auch, wie viele Achsen der Magnet in einer Kette halten kann.
Wiege die Stangen mit deiner Balkenwaage. Verwende eine Cent-Münze mit ihrer bekannten Masse von 2,3 g als Gegengewicht.


Hinter dem Türchen Nummer 15 findest du zehn 2-mm-Metallschrauben mit Kreuzschlitzkopf und passende Muttern. Ein passender Schraubendreher ist auch dabei.
Mit den Schrauben und Muttern kannst du von nun an alle Versuche stabiler aufbauen. Beginne mit einem Versuchshalter in T-Form aus zwei Balken. Eine Schraube hält beide zusammen. Auch die Kabelklemmen werden ordentlich nebeneinander festgeschraubt.

Masse, Leitfähigkeit und magnetische Eigenschaften
Wiederhole den Versuch zur Überprüfung der elektrischen Leitfähigkeit und teste die Schrauben und die Muttern. Weil sie aus Metall sind, sollten sie gut leiten.
Untersuche die Schrauben und Muttern mit der Balkenwaage. Findest du heraus, wieviel Masse eine Schraube oder eine Mutter hat? Und hättest du gedacht, dass zwei Muttern zusammen schwerer sind als eine Schraube?
Untersuche auch die magnetischen Eigenschaften. Werden Schrauben und Muttern vom Magneten angezogen? Wie viele Schrauben kann der Magnet in einer Kette heben? Können die Schrauben dauerhaft magnetisiert werden, oder verlieren sie ihre Magnetisierung sofort wieder?

Heute findest du zwei weitere Balken in deinem Kalender. Baue einen stabilen Rahmen aus vier Balken und vier Schrauben und Muttern. Einer der Balken trägt schon zwei Achsen für die Zahnräder. Stecke links daneben noch eine weitere Stange im Abstand von 5 Löchern ein. Sie wird gebraucht, um den Motor zu befestigen.

Der Motor wird zwischen den zwei Stangen mit dem etwas größeren Abstand befestigt. Binde ihn mit etwas Draht fest. Er kann leicht nach oben abgezogen werden. Bei jeder neuen Montage kann der Draht wieder fester gedreht werden, sodass der Motor stabil in der gewünschten Position gehalten wird.

Nimm den Motor noch einmal ab und setze zuerst die beiden Zahnräder ein. Baue dann den Motor so ein, dass sein kleines Zahnrad genau in das erste große Zahnrad greift. Damit hast du ein zweifaches Zahnradgetriebe gebaut.

Vergrößertes Drehmoment
Schraube auch die Anschlussklemmen mit auf den Rahmen und baue dir wieder einen Draht-Schalter. So kannst du den Motor ein- und ausschalten.

Es fällt sofort auf, dass sich das letzte Zahnrad besonders langsam dreht. Die Motorachse muss sich viermal drehen, damit sich das erste große Rad einmal dreht. Aus 80 Umdrehungen pro Sekunde werden so 20 Umdrehungen pro Sekunde. Das letzte Rad dreht sich noch einmal vierfach langsamer. Insgesamt muss sich die Motorachse 16 Mal drehen, damit es sich einmal dreht. Man sagt auch, das Getriebe hat eine 16-fache Untersetzung. Aus 80 Umdrehungen pro Sekunde werden so 5 Umdrehungen pro Sekunde.
Gleichzeitig wird das Drehmoment 16-fach vergrößert. Du kannst das Zahnrad weniger leicht festhalten und spürst eine sehr viel größere Kraft.
Schalte den Motor aus. Nun kannst du selbst den Motor in schnelle Drehungen versetzen, indem du das große Zahnrad mit den Fingern langsam drehst. Aber auch dazu ist mehr Kraft nötig. Die Motorachse dreht sich dann 16-fach schneller.

Im Fach Nummer 17 findest du einen Kompass. Die Nadel in einem Kompass besteht aus einem kleinen Magneten, dessen Pole von den Erdmagnetpolen angezogen werden. Sie richtet sich immer in Nord-Südrichtung aus. In diesem Fall ist die Kompassnadel in eine Scheibe eingebaut, die zugleich die Himmelsrichtungen anzeigt.
Lege deinen Kompass an einen ungestörten Ort, weit weg von allem Eisen. Die Scheibe dreht sich von allein in die richtige Richtung. Nun kannst du alle Himmelsrichtungen ablesen. Das Ergebnis kannst du leicht kontrollieren. Die Sonne sollte um 12 Uhr am Mittag im Süden stehen. Wenn du eine große Abweichung feststellst, kann das daran liegen, dass Gegenstände aus Eisen zu nahe beim Kompass liegen.
Halte einmal deine Schrauben oder die Metallstangen nahe an den Kompass. Er wird deutlich beeinflusst. Meist ist erkennbar, dass N und S gleich stark zu den Stangen hin angezogen werden. Dann weiß man, dass sie aus einem magnetischen Material wie Eisen oder Stahl bestehen, aber nicht magnetisiert sind.

Halte den Magneten in 5 cm Abstand zum Kompass. Dann dreht sich entweder der Nordpol oder der Südpol in diese Richtung. Bringe den Magneten nicht zu nahe an den Kompass, denn er könnte dadurch beschädigt werden. Teste auch große Entfernungen über 20 cm. In welcher größten Entfernung kannst du noch eine schwache Reaktion am Kompass erkennen?
Finde heraus, welche Seite deines Magneten den Südpol des Kompasses anzieht. Dies ist der Nordpol des Magneten. Markiere ihn mit einem Farbstift.
Drehe den Magneten, dann dreht sich auch der Kompass. Das funktioniert auch durch eine Tischplatte hindurch. Du kannst den Kompass auf den Tisch legen und unter dem Tisch den Magneten bewegen. Unsichtbare magnetische Kräfte bewegen dann den Kompass.
Magnetisierung testen
Magnetisiere deinen Schraubendreher. Am besten funktioniert das, wenn du deinem Magneten mehrmals in gleicher Richtung über den Stahl streichst. Mit dem Kompass kannst du dann die Richtung des neu erzeugten Magneten testen. Wenn der Nordpol an der Spitze ist, wird der Südpol des Kompasses angezogen.

Du kannst den Schraubendreher aber auch anders herum magnetisieren. Dazu musst du nur die andere Seite des Magneten verwenden, um über den Stahl zu streichen.

Das Magnetfeld des Motors
Untersuche auch deinem Motor. Du wirst feststellen, dass auf der einen Seite der Nordpol angezogen wird, auf der andern Seite der Südpol. Das liegt daran, dass im Motor ein Magnet eingebaut ist. Dein Kompass erkennt das durch die Metallhülle des Motors hindurch. Gleiche Pole stoßen sich ab, ungleiche Pole zeihen sich an.
Schalte nun den Motor ein. Das Magnetfeld ändert sich, der Kompass zeigt es. Bremse die Drehung mit dem Finger ab. Auch dabei ändert sich die magnetische Kraft und damit der Kompass-Ausschlag.


Widerstand1.jpg
Öffne das Fach Nummer 18 und finde einen weiteren Widerstand. Er trägt die Farbringe Braun (1), Schwarz (0) und Braun (eine Null). Damit hat er 100 Ohm (100 Ω). Das ist sehr viel weniger als bei deinem ersten Widerstand mit 33 000 Ohm und auch viel weniger als bei den in den LEDs eingebauten Widerständen, die 1000 Ohm haben.
Versuch 1

Ein Widerstand ist ein elektrischer Verbraucher, ähnlich wie eine LED oder ein Motor. Verbinde den Widerstand mit der Batterie. Warte zehn Sekunden und fasse dann den Widerstand an. Er ist spürbar warm geworden. Der Widerstand hat elektrische Energie in Wärmeenergie umgewandelt. Öffne den Stromkreis wieder, um die Batterie zu schonen.
Wiederhole den Versuch mit deinem anderen Widerstand mit 33 kOhm. Du wirst keine Erwärmung feststellen können. Der große Widerstand lässt nämlich nur sehr wenig Strom fließen, und deshalb wird auch nur sehr wenige Energie in Wärme umgewandelt.
Versuch 2
Schalte den Widerstand in Reihe zum Elektromotor. Damit wird der Motorstrom verkleinert. Der Motor dreht sich weniger schnell und mit weniger Drehmoment. Du kannst ihn nun sehr viel leichter anhalten.

Spannung, Widerstand, Strom, Leistung und Energie
Die in einer Batterie enthaltene Energie kann ganz unterschiedlich genutzt werden. Man kann damit Dinge bewegen oder Licht, Wärme oder Schall erzeugen. In all diesen Fällen wird elektrische Energie in eine andere Energieform umgewandelt. Energie kann niemals einfach verschwinden oder irgendwo aus dem Nichts auftauchen. Der Widerstand wandelt die elektrische Energie vollständig in Wärme um. So funktioniert auch ein elektrischer Herd oder eine elektrische Heizung.
Die Farbringe sagen, dass dieser Widerstand 100 Ohm (100 Ω) hat. Bekannt ist außerdem, dass die Batterie eine Spannung von 4,5 V hat. Daraus kann berechnet werden, wieviel Strom durch den Widerstand fließt. Die Stromstärke misst man in Ampere (A).
Stromstärke = Spannung / Widerstand
Stromstärke = 4,5 V / 100 Ω
Stromstärke = 0,045 A
Aus der Spannung und der Stromstärke kann man die elektrische Leistung in Watt (W) berechnen.
Leistung = Spannung * Stromstärke
Leistung = 4,5 V * 0,045 A
Leistung = 0,205 W
Die Energie misst man in Joule (J). Wieviel Energie umgewandelt wird, hängt auch von der Zeitdauer ab. Der Versuch sollte 10 Sekunden dauern. Daher gilt:
Energie = Leistung * Zeit
Energie = 0,205 W * 10 s
Energie = 2,05 J

Es wurde also in zehn Sekunden eine elektrische Energie von 2,05 Joule in Wärme umgesetzt. Das ist relativ viel, wenn man es mit dem Verbrauch der LEDs vergleicht. Der Motor hat allerdings einen ähnlichen Energieverbrauch. Er setzt einen Teil davon in Bewegungsenergie um, einen anderen Teil in Wärme, die man jedoch meist kaum bemerkt.
Hinter dem Türchen Nr. 19 findest du einen weiteren Meter Draht. Baue dir einen Zeiger und eine Spiralfeder. Daraus wird ein einfaches Messgerät für das Drehmoment des Motors.

Wickle zuerst drei Windungen eng um die Motorachse, wobei ein Ende von 3 cm als Zeiger gerade bleiben soll. Du kannst den Draht dann leicht von der Achse abziehen, weil die Wicklung sich durch ihre Federwirkung wieder etwas weitet. Sie soll aber für diesen Versuch ganz fest auf der Achse haften. Ziehe deshalb die Wicklung etwas lang, wodurch der Innendurchmesser kleiner wird. Drücke sie dann wieder auf die Achse, wo sie fest genug sitzt um den Motor anzuhalten.

Wickle aus dem restlichen Draht eine Spiralfeder mit drei oder mehr Windungen. Am Ende soll ein kleiner Haken gebogen werden, der in eines der Schraubenlöcher im Motor passt. Der Zeiger hat damit eine bestimmte Ruheposition, aus der er nur mit etwas Kraft bewegt werden kann. Drücke mit dem Finger seitlich an den Zeiger, bis er sich ein paar Millimeter weit bewegt. Damit hast du ein Gefühl, wie stark deine selbst gebaute Spiralfeder ist.

Baue nun einen Stromkreis aus Batterie, Widerstand, LED und Motor und schalte den Strom ein. Die LED leuchtet und zeigt damit, dass Strom fließt. Der Motor will sich drehen, wird aber von deiner Feder festgehalten. Der Zeiger zeigt einen Ausschlag, der ein Maß für das Drehmoment des Motors ist. Überbrücke dann den Widerstand mit einem Draht oder einem Schraubendreher oder baue statt der LED einen Draht ein. Der Zeigerausschlag wird dreifach größer. Nun weißt du, dass das Drehmoment dreifach größer ist, genau wie der Strom durch den Motor. Dein Drehmoment-Messgerät ist also zugleich auch ein Stromstärke-Messgerät.
Ein Batterieprüfgerät
Baue dir aus dem Motor und der Spiralfeder mit Zeiger ein einfaches Batterieprüfgerät. Zeichne eine Skala auf Papier oder Karton. Zuerst wird die Nullposition markiert. Verbinde den Motor mit zwei Testdrähten. Halte dann dein Batteriefach mit drei neuen AA-Batterien an die Drähte. Markiere den Zeigerausschlag mit einem Strich. Das ist die Position für gute Batterien. Verwende das Messgerät in beiden Richtungen. Du bekommst einen Messbereich von -4,5V bis +4.5 V. Teste dann verschiedene gebrauchte Batterien, die entsprechend kleinere Ausschläge zeigen. Wenn nur noch 2/3 des Ausschlags erreicht wird, sollen sie als verbraucht gelten. Zeichne dir einen roten und einen grünen Bereich ein.

Anzeige des Motorstroms mit einer LED
Nimm die Feder wieder ab und bauen den Getriebemotor auf. Schalte den Widerstand in Reihe zum Motor und schließe parallel dazu die rote LED an. Mit dem Widerstand wird der Strom durch den Motor geringer. Das merkt man besonders, wenn der Motor angehalten wird, dann mit dem Widerstand hat der Motor deutlich weniger Drehmoment.


Gleichzeitig wird nun an der LED sichtbar, wann der Motor viel Strom braucht. Dann steigt nämlich die Spannung am Widerstand, sodass die LED heller leuchtet. Beim Einschalten blitzt die LED kurz auf. Sobald der Motor mit voller Drehzahl läuft, braucht er so wenig Strom, dass die LED ausgeht. Aber wenn du das Zahnrad mit deinen Fingern abbremst, geht die LED wieder an. Du kannst die LED-Helligkeit beliebig beeinflussen.

Hinter dem Türchen Nr. 20 findest du ein Bauteil mit zwei Anschlussdrähten. Es ist eine Drahtspule auf einem Kern aus Ferrit. Ferrit ist ein keramisches Material ähnlich wie Porzellan, aber es enthält Eisen und ist daher magnetisch. Der aufgewickelte Draht wird von einer schwarzen Hülle verdeckt. Du kannst das Bauteil an deinen Kompass halten. Nordpol und Südpol reagieren gleich, die Spule ist also magnetisch aber nicht magnetisiert.

Das innere der Spule
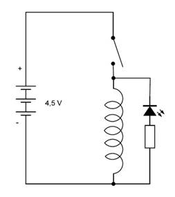
Schließe nun die Spule an die Batterie an. Verwende einen Schalter, damit der Strom immer nur kurz eingeschaltet wird. Immer wenn der Strom fließt, wird die Spule ein Magnet, sie ist also ein Elektromagnet. Teste die Kraft des Elektromagneten. Kann er eine Schraube halten?

Wie weit reicht die Kraft des Elektromagneten, um den Kompass zu beeinflussen? Teste die Wirkung in allen Richtungen. Vergleiche die magnetische Kraft mit der des Festmagneten.

Ein Messgerät für kleine Stromstärken
Baue einen Stromkreis aus LED, Schalter und Spule in Reihenschaltung. Lege die Spule in Ost-West-Richtung über den Kompass. Schalte den Strom ein. Die Kompassnadel wird deutlich abgelenkt. Du hast damit ein empfindliches Messgerät für kleine Ströme gebaut. Durch die LED fließt nur ein Strom von ungefähr 2 Milliampere (2 mA). Teste den Versuch auch einmal mit der RGB-LED. Kannst du erkennen, dass der Strom sich immer wieder ändert?

Setzte statt der LED den Widerstand mit 100 Ohm ein. Nun fließt deutlich mehr Strom (45 mA), der Ausschlag wird größer. Teste auch einmal den Motor. Sein Strom wird merklich größer, wenn er abgebremst wird.
Hinter dem Türchen Nummer 21 findest du eine weitere Klemme. Damit können auch kompliziertere Geräte gebaut werden, denn nun hast du schon drei Klemmen mit insgesamt 6 Anschlüssen.
Schließe zwei LEDs in Gegenrichtung an den Motor an. Die Batterie wird diesmal nicht benötigt, denn der Motor selbst erzeugt die elektrische Energie. Dazu muss er nur in schnelle Drehung versetzt werden. Das Getriebe hilft dabei, denn wenn du das rechte Zahnrad mit deinen Fingern drehst, dreht sich die Motorachse 16 Mal schneller.


Versetze nun den Motor in Drehungen. Eine der LEDs leuchtet. Drehte das Rad anders herum, dann leuchtet die andere LED. Falls beide gleichzeitig leuchten, muss eine der LEDs umgedreht werden. Denn der Motor erzeugt unterschiedliche Stromrichtungen, je nachdem wie herum er gedreht wird. Durch abwechselndes Drehen in beiden Richtungen betreibst du einen Wechselblinker.
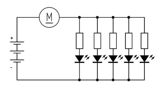
Stromgenerator für vier LEDs
Erweitere den Versuch auf vier LEDs. Verwende dazu alle drei Klemmen, die mit zusätzlichen Drähten verbunden werden. Die weiße und die gelbe LED auf der linken Seite sind in einer Richtung angeschlossen, die rote und die grüne auf der rechten Seite in der anderen Richtung. Wenn du alles richtig verbunden hast, leuchten bei schneller Drehung einmal die gelbe und die weiße LED und bei anderer Drehrichtung die rote und die grüne.


Wenn du aber das Zahnrad langsamer drehst, kannst du erreichen, dass nur die gelbe oder nur die rote LED leuchtet. Das liegt daran, dass jede LED eine bestimmte Mindestspannung hat. Wenn nur die rote LED leuchtet, ist die Spannung kleiner als 2,0 V aber größer als 1,6 V. Und wenn nur die gelbe LED leuchtet, ist die Spannung größer als 1,7 V aber kleiner als 2,8 V.
Versetzen den Motor in schnelle Umdrehungen und lass ihn dann von allein auslaufen. Dabei werden jeweils die grüne und die weiße LED zuerst ausgehen und die rote und die gelbe LED noch einem Moment länger leuchten.

Öffne das Türchen Nummer 22 und finde ein Bauteil mit zwei Drähten Es ist ein elektronischer Summer. Ein kleines Loch in der Mitte dient dazu, das summende Geräusch austreten zu lassen.
Versuch 1
Weil die Anschlussdrähte rot und schwarz sind, hast du sicher schon vermutet, dass es auf die Richtung der Batteriespannung ankommt. Schließe den schwarzen Draht an den Minuspol und den roten an den Pluspol an. Du hörst ein Summen oder Piepsen.

Versuch 2
Teste den Summer auch einmal mit einer Spannung von 3 V und mit nur 1,5 V. Er funktioniert auch noch mit kleiner Spannung. Aber je kleiner die Spannung wird, desto leiser ist der Ton. Halte auch einmal das Schallloch teilweise zu. Der Ton verändert sich.

Teste den Summer mit dem Motor-Generator. Du findest schnell heraus, in welcher Richtung der Motor gedreht werden muss. In der Gegenrichtung ist die Spannung falsch gepolt, sodass der Summer nicht funktioniert.

Morsezeichen
Baue dir einen Morsesummer mit dem Drahtschalter als Morsetaste. Morsezeichen wurden früher für Telegramme verwendet und sind bis heute noch für spezielle Funkverbindungen gebräuchlich. Übe einige Morsezeichen, bis du deinen eigenen Namen morsen kannst.


Hinter dem Türchen Nummer 23 findest du eine blaue Leuchtdiode. Teste sie zuerst in einem Stromkreis mit Schalter.

Untersuche eine Reihenschaltung mit der blauen LED und der grünen LED. Du siehst nur noch ein sehr schwaches Leuchten, weil die blaue LED besonders viel Spannung benötigt. Die Batteriespannung reicht nur dann für ein schwaches Leuchten aus, wenn deine Batterien noch ganz frisch sind. Auch so kannst du also deine Batterien testen.

Teste nun beide LEDs in Reihenschaltung mit dem Motor-Generator. Bei sehr schneller Drehung leuchten beide LEDs hell. Damit hast du bewiesen, dass der Generator eine höhere Spannung als 4,5 V erzeugen kann.

Elektromagnetische Induktion
Deine Versuche mit der Spule haben ja schon gezeigt, dass elektrischer Strom ein Magnetfeld erzeugen kann. Dasselbe passiert auch im Motor, wo sich Spulen auf einem Anker in einem ringförmigen Magneten drehen.

Der Anker in deinem Motor
Wenn du den Motor als Generator verwendest, passiert etwas anderes: Sobald sich das Magnetfeld in einer Spule ändert, wird eine Spannung erzeugt (induziert). Diesen Vorgang nennt man elektromagnetische Induktion. Je schneller du den Motor drehst, desto schneller ändert sich das Magnetfeld in den Spulen und desto größer ist die erzeugte Spannung.
Du kannst die Induktion auch an deiner einzelnen Spule beobachten. Wenn du den Strom einschaltest, entsteht ein Magnetfeld. Wenn du ausschaltest, wird das Magnetfeld abgeschaltet, es ändert sich also sehr schnell. Damit entsteht auch eine hohe Spannung, wenn auch nur für einen kurzen Moment.
Schalte die blaue LED so an die Spule, dass ihr Plusanschluss (der längere Draht) am Minusanschluss der Batterie liegt. Beim Einschalten des Spulenstroms leuchtet die LED deshalb nicht. Wenn du aber ausschaltest, entsteht wegen der Induktionsspannung ein kurzer blauer Lichtblitz. Du kannst in schneller Folge immer kurz ein- und wieder ausschalten und erzeugst damit eine Serie blauer Blitze.


Hinter dem letzten Türchen findest du eine weitere Klemme. Mit insgesamt vier Doppelklemmen kannst du eine große Schaltung bauen. Heute soll es passend zum Weihnachtstag ein kleiner Weihnachtsbaum sein, der mit allen deinen LEDs beleuchtet wird.
Die Verbindung der vier Klemmen ist keine leichte Aufgabe, du brauchst dafür viel Zeit und Geduld. Und du musst genau beachten, wo Plus und Minus liegt. Verfolge die Drähte im Bild. Der Minuspol ist bei allen Klemmen links oder unten, der Pluspol ist rechts oder oben angeschlossen. Statt der roten Drahtstücke kannst du auch die vorbereiteten Kabel verwenden.

Baue dir aus vier Balken einen Baum. Die Bilder zeigen nur einen möglichen Aufbau, du kannst es aber auch ganz anders machen. Die vorgeschlagene Konstruktion verbindet an der Spitze drei Balken miteinander. Weil die vorhandenen Schrauben nicht lang genug sind, wird eine kleine Stange eingeschoben und alles mit etwas Draht befestigt.

Setze dann alle LEDs ein, wie es dir am besten gefällt. Wenn eine LED nicht leichtet, musst du den Fehler suchen. Sie könnte falsch herum eingesetzt sein. Oder es konnte einen fehlerhaften Kontakt geben, vielleicht, weil ein Draht mit seiner Isolierung in die Klemme gesetzt wurde. Wenn die Verbindungen richtig sind, leuchten am Ende alle fünf LEDs.

Erweiterungen und eigene Projekte
Du kannst deinen LED-Baum an das Fenster lehnen, oder er kann in den Weihnachtsbaum gehängt werden. Oder du baust dir einen Standfuß aus Knete oder aus Draht, da gibt es viele Möglichkeiten.
Wenn du deinen Aufbau noch erweitern möchtest, kannst du auch den Motor mit einbauen. Er könnte vielleicht als Vibrationsmotor eine kleine Glocke berühren und weihnachtliche Geräusche erzeugen. Damit dein ganzer Weihnachtsbaum nicht zu viel Energie verbraucht, kannst du den Motor in Reihe zu allen LEDs schalten. Der Strom ist dann so klein, dass der Motor vielleicht nicht mehr von allein anläuft. Wenn du ihm aber einen kleinen Anstoß gibst, läuft er von allein weiter.

Auch nach Weihnachten wirst du sicher mit den Bauteilen weiter arbeiten. Wiederhole die schönsten Versuche und lass dir ganz neue Dinge einfallen. Bestimmst hast immer wieder neue Ideen und erfindest Dinge, die es vorher noch nie gab.