
Radio in der Frühstücksbox
Ein Beitrag zum Schaltungs-Wettbewerb
2019
von Hans-Hermann
Stietenroth
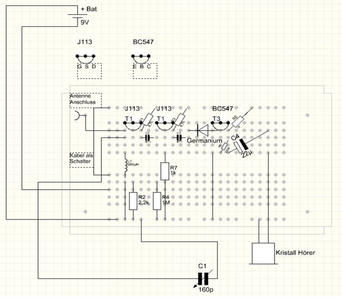
Aufbau
eines Mittelwellenradios: Die Versorgungsspannung beträgt 9V. Betrieben
wird die Schaltung mit 2 FETs J113 in den HF-Stufen und Transistor
BC547 in der NF-Stufe.
Die gleichstrommäßige Beschaltung wurde so dimensioniert:
T1 J113 Drain 6V und Source 1,2V nach Masse(-9V)
T2 J113 Drain 2,8V und Source 1,2V nach Masse(-9V)
T3 BC547 Collector 3,6V nach Masse(-9V)
Der Schwingkreis am Eingang benötigt ein Antennensignal von einer 20m langen Außenantenne.
Der Schwingkreis ist für Mittelwelle ausgelegt.
Das Hochfrequenzsignal wird gleichstrommäßig entkoppelt zwischen T1 und T2 mit C2 und zwischen T2 und D1 mit C3.
Die Demodulation erfolgt mit Hilfe der Germaniumdiode D1 vom HF-Signal zum NF-Signal.
Die letzte Stufe verstärkt das NF-Signal mit Hilfe des Transistors BC547.
Über C4 wird das NF-Signal gleichstrommäßig entkoppelt und gelangt dann
in den Kristallohrhörer, er ist sehr hochohmig und belastet die
Schaltung kaum.
In den frühen Abendstunden kann man einige Sender hören.