
Universeller Tastkopf
Ein Beitrag zum Schaltungs-Wettbewerb
2019
von Gerd
Schmidt

Die hier vorgestellte Schaltung besitzt einem hochohmigen
Eingangswiderstand, einen niederohmigen Ausgangswiderstand, eine kleine
Eingangskapazität und arbeitet über einen großen Frequenzbereich. Somit
lässt sie sich als Tastkopf, als Impedanzwandler und *1-Bufferstufe
sowie als aktive elektrische Antenne und E-Feld-Sensor einsetzen.
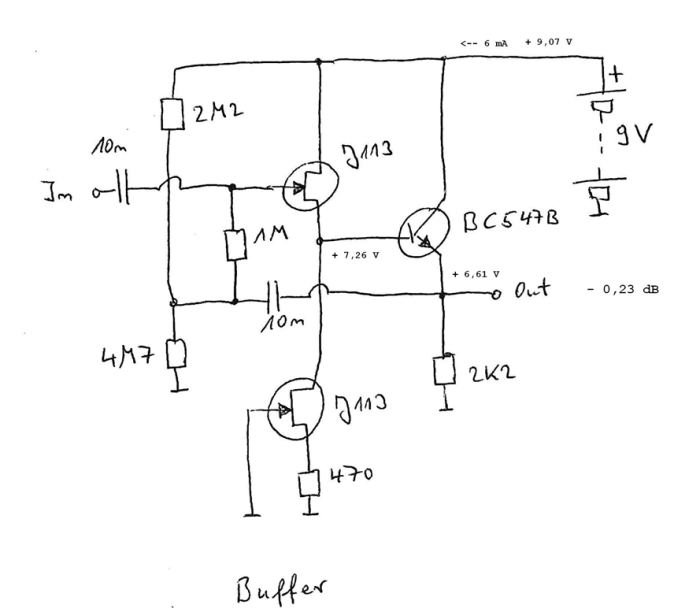
Die Schaltung besteht aus einem JFet als Sourcefolger und einem zweiten
JFet als Source-Stromquelle. Ein bipolarer Transistor als Emitterfolger
sorgt für einen kleinen Ausgangswiderstand. Die Ausgangsspannung wird
über einen Kondensator an den hochohmigen Spannungsteiler gegeben, am
dem der Gatewiderstand angeschlossen ist. Dadurch verringert sich der
Strom durch den Gatewiderstand resp. der Gatewiderstand wirkt wie ein
um ein Vielfaches höherer Widerstand. Zugleich verkleinert sich die
Eingangskapazität. Dieses Schaltungprinzip wird nach der Idee Baron
Münchhausens, sich selbst aus dem Sumpf zu ziehen, Bootstrap-Schaltung
genannt.
Einige Spannungswerte der auf dem Foto abgebildeten Schaltung sind im
Schaltplan eingetragen. Mit Hilfe eines Oszilloskops und eines
Funktionsgenerators wurden der Frequenzgang, die maximale Aussteuerung
und der Verstärkungsfaktor gemessen. Die -3 dB-Eckfrequenz liegt
oberhalb von 20 MHz; der beginnende Verstärkungsabfall war zwar auf dem
Oszilloskop schon zu sehen, konnte aber mit dem Funktionsgenerator
nicht erreicht werden. Der Verstärkungsfaktor liegt sehr nahe bei 1;
die im Schaltplan angegebenen -0,23 dB sind (auf dem Bildschirm)
konservativ abgelesen. Die Aussteuerungsgrenze am Ausgang lag bei
gemessenen 3,1 V Spitze-Spitze, bedingt durch den relativ hohen
DC-Pegel am Ausgang. Wird der Gate-Spannungsteiler so dimensioniert,
dass die mittlere Spannung am Ausgang in der Nähe der halben
Betriebsspannung liegt (2* 4M7), so kann die Aussteuerung noch
verbessert werden.