
Quarztester
Ein Beitrag zum Schaltungs-Wettbewerb
2019
von Gerd
Schmidt

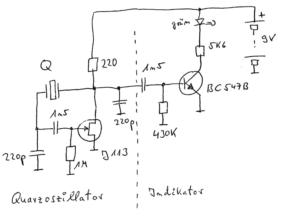
Die vorgestellte Schaltung besteht aus einem universellen
Quarzoszillator und einem Indikator, der das Vorhandensein einer
Schwingung mit einer Leuchtdiode anzeigt. Der JFet J113 wird über
den Quarz rückgekoppelt und schwingt, falls der Quarz in Ordnung ist.
Die beiden (keramischen) 220 pF Kondensatoren sind groß gegenüber den
typischen internen Kapazitäten, die der Fet selbst besitzt, so dass die
Schaltung unkritisch gegenüber den Fet-Toleranzen wird. Der bipolare
Transistor arbeitet im C-Betrieb und ist ohne Ansteuerung gesperrt; die
Led ist aus und es wird kein Strom verbraucht. Ist die Wechselspannung
so groß, dass die Basis-Emitter-Diode leitet, so leuchtet die Led und
zeigt damit eine Wechselspannung an. Bei einem defekten oder
minderwertigen Quarz wird die Led nicht leuchten. Der Fet-Oszillator
ist natürlich auch eigenständig als Signalquelle einsetzbar. Der
Drain-Widerstand ist einerseits groß genug, um eine Verstärkung von
größer als 1 zu erzielen und somit die Schwingbedingung zu erfüllen,
und andererseits klein genug, um einen dementsprechend niederohmigen
Ausgangswiderstand zu erhalten. Ein einstellbarer Kondensator in Serie
zum Quarz würde das Ziehen des Quarzes auf die exakte Arbeitsfrequenz
ermöglichen.
Die Schaltung wurde mit Quarzen zwischen 1 MHz und 13,5 MHz getestet
(im Bild sind rechts oben auf dem Steckboard noch einige davon zu
sehen; in der Schaltung arbeitet der 13,5 MHz-Quarz) und für
arbeitsfähig befunden. Bei Oberwellenquarzen wird die Schaltung auf der
Grundfrequenz schwingen.