
HF-modulierter Laser
zur Messung der Lichtgeschwindigkeit
Beitrag zum Schaltungs-Wettbewerb 2019
von Fritjof
Flechsig

Ob mit dem J113 HF-Schaltungen möglich sind? Ganz klar ja! Aber ich
verstehe den Wettbewerb dieses Jahr eher als sportliche
Herausforderung, so viel wie möglich aus den Teilen des Kalenders
herauszuholen. Ich biete: Einen Quarz-Oszillator, der einen
Laserdioden-Treiber moduliert sowie einen Transimpedanz-Verstärker, der
über eine Photodiode das Signal des modulierten Lasers empfängt. Also
drei Funktionen mit den nur drei Transistoren aus dem Kalender -
zuzüglich passiver Bauteile, ein Quarz, einer Photo- und einer
Laserdiode.
Das folgende Bild zeigt den Versuchsaufbau. Links auf dem gelben
Steckbrett der Oszillator mit Lasertreiber. Die Laserdiode verbirgt
sich hinter der blauen Wäscheklammer. Rechts auf dem weissen Steckbrett
der Empfänger. Man sieht leicht den roten Laserpunkt auf der Photodiode
im oberen Bereich vom Steckbrett. Und das Oszilloskop zeigt als blaue
Linie die Schwingung vom Sender sowie in gelb das am Empfänger
wiederhergestellte Signal. Und das bei 27MHz!
Versuchsaufbau mit Sender und Empfänger am Oszi
Der folgende Schaltplan zeigt den "Sender", bestehend aus Oszillator und LD-Treiber:
Schaltplan vom Sender
Der Oszillator wird vom JFET T1 gebildet. Damit er zuverlässig
anspringt, musste ich die Widerstände R1 und R2 derart wählen, dass der
Drain-Anschluss bei ungefähr der halben Batteriespannung lag. Die
Widerstände sind sicherlich abhängig von den individuellen
Eigenschaften vom J113-Exemplar. Bei passender Wahl kam die Schaltung
sauber ins schwingen - und zwar im Bereich von 2MHz bis sogar 27MHz.
Diese Quarze gab die Bastelkiste nämlich her. Der Kondensator muss den
unterschiedlichen Frequenzen entsprechend angepasst werde, ich haben
Werte zwischen 100pF und 5.6pF verwendet. Bei 27Mhz kam er sogar ganz
raus. Vermutlich reichen die Leiterbahnen vom Steckbrett als
Kondensator aus.
Der JFET T2 ist als "Konstantstromquelle" geschaltet, welche über C2
mit der Frequenz aus dem Oszillator moduliert wird. Am
Source-Widerstand R4 sind zwei Messpunkte, an welchen das Oszilloskop
die Modulation zeigt. Und da mir neulich ein freundlicher Chinese
aus der Bucht ein paar Laserdioden zugesandt hat, habe ich die
ursprünglich verbaute LED mit einer LD ersetzt. Damit diese Diode
zuverlässig im Laserbereich bleibt, kann über das Poti der
Spannungsbereich der Modulation justiert werden.
Die zwei LEDs ganz links dienen nur zur Anzeige der Schwingung. Es muss somit nicht ständig das Oszilloskop angeschlossen sein.
Steckbrett-Aufbau vom Sender
Die hübsche blaue Klammer hält die Laserdiode in Position. Im Detail sieht man das hier:
Halterung der Laserdiode
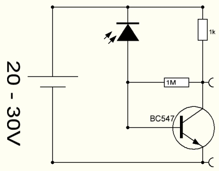
Der Empfänger wird durch den noch im Kalender befindlichen BC547
gebildet. Er ist als Transimpedanz-Verstärker für eine Photodiode
geschaltet. Zunächst habe ich die gelbe LED als Photodiode versucht,
aber da diese offensichtlich nicht genug Photostrom lieferte, kam doch
eine BPW 34 zum Einsatz.
Schaltplan Empfänger
Photodioden und hohe Frequenz sind nicht ganz einfach. Hier war eine
hohe Batteriespannung hilfreich, um die Photodiode vorzuspannen und
ihre Kapazität zu senken. Dazu habe ich einfach drei bzw sogar vier
9V-Blöcke aneinander gesteckt. Damit war es nun tatsächlich möglich,
sogar die 27MHz-Modulation am Empfänger zu sehen.
Ein paar Beispielbilder vom Oszilloskop sieht man im folgenden. Es sind
die Frequenzen 2MHz, 20MHz und 27MHz zu sehen. Der blaue Graph zeigt
die Spannung an den Messpunkten des Senders, also am Widerstand R4. Die
gelbe Linie zeigt die Spannung am Kollektor des Transistors vom
Empfänger.
Oszilloskop-Bild bei 2MHz
Oszilloskopbild 20MHz
Oszilloskopbild 27Mhz
Das Signal am Empfänger wird mit höherer Frequenz immer schwächer. Dies
ist bei der Beschaltung auch zu erwarten. Bei 27MHz muss man nicht nur
den Laser sauber auf die Photodiode ausrichten, sondern auch am Poti
die Modulation korrekt einstellen. Dann
bekommt man auch bei dieser Frequenz eine saubere Messung am Empfänger
hin, und zwar mit einer signifikanten und schönen Amplitude von 100mV.
Und wie kann es nun weitergehen? Vielleicht kann am Sender eine
Information auf die HF aufmoduliert werden, welche am Empfänger
wiederhergestellt wird. Oder aber man baut zwei Empfänger auf, spaltet
den Laserstrahl in zwei Teile auf und untersucht Laufzeit-Unterschiede.
Bei 20MHz sollten im heimischen Flur schon deutliche Effekte der
endlichen Lichtgeschwindigkeit zu sehen sein. Inzwischen funzelt der
Laser durch unseren Flur. Auch über eine Strecke von ca 15m kommen
20MHz sauber an.