
Universeller LC-Oszillator
Beitrag zum Schaltungs-Wettbewerb 2019
von Gerd
Schmidt

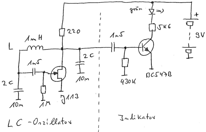
Die hier vorgestellte Schaltung besteht aus einem universellen
LC-Oszillator. Das Erstaunliche an der Schaltung ist der weite Bereich,
der für die möglichen L- und C-Wertekombinationen zur Verfügung steht.
Als einfache Schwingungsanzeige dient eine Leuchtdiode, die von einem
Transistor angesteuert wird und ab einer effektiven Wechselspannung von
circa 200 mV aufleuchtet. Der JFet J113 arbeitet in Source-Schaltung
und wird über eine Spule rückgekoppelt, die mit zwei Kondensatoren
einen Schwingkreis bildet. Die beiden hier gleich groß gewählten
Kondensatoren sind mit Absicht groß gegenüber den typischen internen
Fet-Kapazitäten. Durch die Wahl der Kondensatoren kann die Rückkopplung
beeinflusst werden. Da der JFet nur eine geringe
Spannungsverstärkung besitzt, darf keine allzu große Abschwächung
durch die Rückkopplung erfolgen, um die Schwingungsbedingung aufrecht
zu erhalten. Der auf den Foto zu sehende Schaltungsaufbau arbeitete
beim Verwenden einer 1 mH Drossel (im Bild der blaue Quader mit dem
Aufdruck „1k“) mit Kondensatoren zwischen 1 nF und 0,47 µF; erst bei
0,68 µF (E6-Reihe) setzten die Schwingungen aus.
Wurden zwei 10 nF Kondensatoren im Schwingkreis eingesetzt, so ließen
sich mit Drosseln zwischen 100 µH und 1 mH (E6-Reihe) Schwingungen
erzeugen; andere Drosseln waren nicht zur Hand. Durch den niederohmigen
Drainwiderstand ist auch der Ausgangswiderstand dementsprechend klein.
Werden anstelle von Drosseln Ferrit- oder Luftspulen höherer Güte
verwendet, so ist der Strom im Schwingkreis um ein Vielfaches höher als
die gesamte Stromaufnahme der Schaltung; ein Einsatz als induktiver
Sender im LW-, MW- und KW-Bereich und für Metalldetektoren ist
problemlos möglich.
Wird eine Spule mit Mittelanzapfung oder eine Spule mit doppelter
Wicklung, wobei der Anfang der einen Spule mit dem Ende der zweiten
Spule zusammengeschaltet ebenfalls eine Mittelanzapfung ergibt,
verwendet, so kann sogar auf den Drainwiderstand verzichtet werden.
Der abgebildete Ringkern ist mit 2*11 Windungen bewickelt. Der so
entstandene, ziemlich kräftige Oszillator kann auch mit Spannungen
unter 1,5 V noch arbeiten. Wird eine dritte Wicklung auf dem Kern
angebracht, so kann eine galvanisch getrennte Spannung, deren Höhe von
der Windungszahl abhängt, erzeugt werden, so dass die Schaltung auch
als DC/AC- oder DC/DC-Wandler verwendet werden kann.