
Kopf
oder Zahl mit dem TPS-Controller

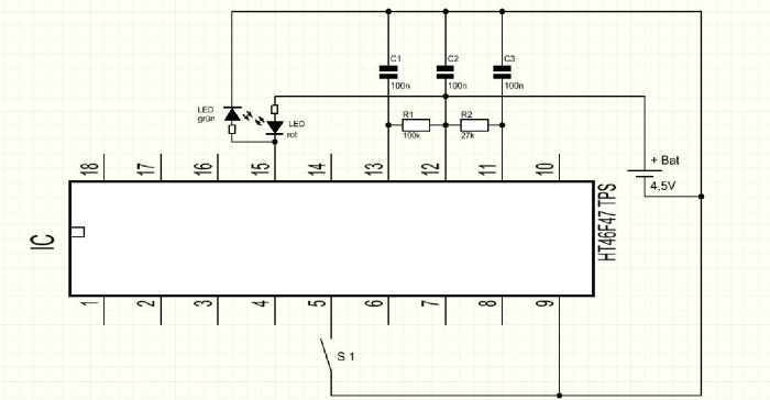
Aufbau mit dem TPS-Controller
Die beiden Leuchtdioden (rot bzw.
grün) benötigen keinen Vorwiderstand, da dieser in den LEDs eingbaut ist mit je
1kOhm.
Programmschritte
|
Befehl
|
Daten
|
Kommentar
|
|
5
|
4
|
Dout =
A
|
|
C
|
E
|
S1 = 1
?
|
|
7
|
1
|
A = A
+ 1
|
|
3
|
3
|
Jump -
3
|
An Pin 15 von HT46F47 TPS ist die letzte Stelle von „A = Dout“ (Binär),
beim Zustand 1 leuchtet die linke LED (grün), beim Zustand 0 leuchtet
die rechte LED (rot). Wenn die Taste S1 nicht gedrückt ist, ist der
Zustand 1 und der nachfolgende Schritt „A = A + 1“ wird übersprungen,
so dass der nächste Schritt „Jump – 3“ 3 Schritte zurück auf „Dout =
A“ springt, „Dout = A“ wird somit nicht geändert. Beim Drücken der
Taste 1 ist der Zustand 0 und der nachfolgende Befehl „A = A + 1“ wird
ausgeführt, die Variable A wird um 1 erhöht. Der nächste Schritt „Jump
– 3“ springt auf „Dout = A“ zurück. Solange die Taste 1 gedrückt ist,
geht das schnelle Hochzählen des Ausgangszustands weiter, die beiden
LEDs leuchten, beim Loslassen der Taste 1 bleibt der letzte Zählerstand
stehen und eine von beiden LEDs leuchtet. Da das Hochzählen bei
gedrückter Taste S1 sehr schnell geht, so ist das Vorbestimmen des
Ergebnisses nach dem Loslassen der Taste S1 nicht möglich.
