

Einige haben schon gefragt: Gibt es dieses Jahr wieder einen
Schaltungswettbewerb? Ja, es gibt einen, und zwar mit einem ganz speziellen
Thema: Hochfrequenz. In dem IC sind ja mehrere MOSFETs, die man einzeln oder
zusammen verwenden kann. Damit ist im Prinzip alles möglich, von HF-Verstärker über
Oszillatoren bis zum Mischer. Man könnte z.B. einen quarzstabilen Direktmischer
bauen, oder vielleicht sogar ein komplettes Radio? Wer weiß, was Ihnen noch
dazu einfallen wird.
Zur Adventszeit mal wieder einmal etwas Neues probieren, dabei hilft der Conrad-Elektronik-Kalender. Der Schwerpunkt dieses Advents sind Feldeffekt-Transistoren (FET). Im Mittelpunkt steht der integrierte CMOS-Baustein 4007 mit insgesamt sechs MOSFETs. Bauen Sie damit ganz unterschiedliche Schaltungen auf. Der letzte Versuch am 24. Dezember eignet sich auch diesmal wieder als Schmuck für den Weichnachtsbaum, eine Schaltung mit sechs farbigen LEDs, die angenehme Lichteffekte erzeugt.
Wer möchte, kann sich bemühen, die einzelnen Schaltungen genauer zu verstehen. Viele wollen aber vielleicht einfach nur alles richtig aufbauen und sich an der Funktion der Schaltungen erfreuen. Um den unterschiedlichen Interessen gerecht zu werden, werden die meisten Versuche in zwei Stufen beschrieben. In einem Absatz geht es darum, wie ein Versuch aufgebaut wird und wie das Experiment durchgeführt wird. Der zweite Absatz beschreibt die elektronischen Hintergründe. Da kann es auch mal etwas komplizierter werden. Und manchmal werden Fachausdrücke verwendet, die man vielleicht noch nachschlagen muss. Im Mittelpunkt soll jedenfalls der Spaß stehen. Und auch solche Versuche können Spaß machen, die man noch nicht so ganz versteht.
Je mehr Sie sich mit den Schaltungen beschäftigen, desto mehr wird deutlich werden, dass kleine Variationen jederzeit möglich sind. Entscheidend sind die Schaltpläne. Betrachten Sie die Aufbauzeichnungen nur als Vorschläge. Sie können die Bauteile oft bei gleicher Funktion etwas anders auf die Steckplatine setzen, einzelne Drähte einsparen oder kürzere Verbindungen nutzen. Aber auch Variationen in den Schaltungen sind oft möglich und sinnvoll. Lassen Sie Ihrer Kreativität freien Lauf!
Wir wünschen viel Freude und eine frohe Weihnachtszeit!
4 Feldeffekttransistor schaltet LED
18 Lichtgesteuertes Blitzlicht
20 Elektronisches Langzeit-Pendel
Öffnen Sie das Türchen Nr. 1. Hier finden Sie eine rote LED und einen Widerstand. Eine LED besitzt zwei unterschiedlich lange Anschlüsse und muss in der korrekten Richtung eingebaut werden. Der kurze Draht ist der Minuspol (Kathode) der längere Draht ist der Pluspol (Anode). Wenn eine LED eingebaut ist, kann man nur noch schlecht sehen, welches der kurze Draht ist. Es gibt jedoch noch eine zweite Kennzeichnung. Der breitere untere Rand ist an der Kathodenseite abgeflacht. Außerdem trägt der Kathodendraht einen kleinen Halter, auf dem der LED-Kristall montiert ist.

Der Widerstand ist mit Farbringen versehen. Die Ringe tragen die Farben Gelb, Violett, Rot und stehen für 4700 Ω (Ohm), bzw. 4,7 kΩ (Kiloohm). Ein zusätzlicher goldener Ring steht für die Toleranzklasse 5%.
Eine LED darf grundsätzlich nicht direkt mit einer Batterie verbunden werden, sondern es ist immer ein Vorwiderstand nötig, um den Strom zu begrenzen. Der Widerstand von 4,7 kΩ ist recht groß, sodass der Strom mit deutlich unter 2 mA relativ klein ist. Die LED leuchtet nicht mit voller Helligkeit, aber immer noch sehr gut sichtbar. Die Versuche in diesem Elektronik-Kalender arbeiten durchgehend mit Vorwiderständen von 4,7 kΩ, weil der geringe Strom Vorteile bei CMOS-Schaltungen bringt. Auch die Batterielebensdauer verlängert sich mit kleinerem LED-Strom.
Für den ersten Versuch benötigen Sie zusätzlich eine 9-V-Blockbatterie. Der Versuch muss besonders vorsichtig ausgeführt werden. Vermeiden Sie es, dass jemals beide LED-Anschlüsse gleichzeitig die Batterieanschlüsse berühren! Es muss immer der Widerstand in Reihe angeschlossen werden. Halten Sie beide Bauteile an die Batterie wie es die Zeichnung zeigt. Der Stromkreis ist damit geschlossen, die LED leuchtet.

Elektronische Schaltungen stellt man übersichtlich in Schaltbildern dar. Für jedes Bauteil gibt es ein spezielles Symbol. Die LED besteht aus einem Dreieck für die Anode und einem geraden Strich für die Kathode. Das deutet die Stromrichtung an. Zwei kurze Pfeile nach außen stehen für das abgegebene Licht. Der Widerstand ist als rechteckiges Kästchen gezeichnet. Das Schaltbild zeigt den geschlossenen Stromkreis mit Batterie, Widerstand und LED.

Öffnen Sie das zweite Türchen und nehmen Sie einen Batterieclip und eine Steckplatine aus dem Fach. Damit vereinfacht sich der Aufbau komplizierter Schaltungen. Das Steckfeld mit insgesamt 270 Kontakten im 2,54-mm-Raster sorgt für eine sichere Verbindung der Bauteile.
Das Steckfeld hat im mittleren Bereich 230 Kontakte, die jeweils durch vertikale Streifen mit 5 Kontakten leitend verbunden sind. Zusätzlich gibt es am Rand 40 Kontakte für die Stromversorgung, die aus zwei horizontalen Kontaktfederstreifen mit 20 Kontakten bestehen. Das Steckfeld verfügt damit über zwei unabhängige Versorgungsschienen.
Das Einsetzen von Bauteilen benötigt relativ viel Kraft. Die Anschlussdrähte knicken daher leicht um. Wichtig ist, dass die Drähte exakt von oben eingeführt werden. Dabei hilft eine Pinzette oder eine kleine Zange. Ein Draht wird möglichst kurz über dem Steckbrett gepackt und senkrecht nach unten gedrückt. So lassen sich auch empfindliche Anschlussdrähte wie die verzinnten Enden des Batterieclips ohne Knicken einsetzen.

Bauen Sie die Schaltung aus dem ersten Versuch noch einmal auf der Steckplatine auf. Wieder handelt es sich um eine Reihenschaltung mit Widerstand und LED. Das Schaltbild zeigt die gleiche Schaltung wie im ersten Versuch, aber mit einer etwas andern Anordnung der Bauteile, die dem realen Versuch möglichst ähnlich ist.

Bauen Sie einen Stromkreis mit LED und Schaltkontakt. Den passenden Schaltdraht finden Sie hinter dem dritten Türchen. Schneiden Sie mit einer Zange ein passendes Stück von ca. 3 cm Länge ab und entfernen Sie an den Enden die Isolierung auf einer Länge von etwa 5 mm. Zum Abisolieren der Drahtenden hat es sich als praktisch erwiesen, die Isolierung mit einem scharfen Messer rundherum einzuschneiden. Achtung, dabei sollte der Draht selbst nicht angeritzt werden, weil er sonst an dieser Stelle leicht bricht.
Mit dem Draht lässt sich auch ein einfacher Schalter bauen. Er besteht aus zwei blanken Drahtstücken, die sich erst mit einem Fingerdruck berühren. Schneiden Sie dazu Drahtstücke von 2 cm Länge ab und entfernen Sie die Isolierung komplett.

Ein zusätzlicher kurzer Draht wird als Zugentlastung eingebaut um die weichen Anschlussdrähte zu schonen. Der Batterieclip sollte immer verbunden bleiben, damit die Anschlüsse nicht übermäßig abnutzen.

Ein Tipp zum leichteren Umgang mit dem Steckboard: Schneiden Sie die Drähte am Ende schräg an, damit sie eine scharfe Spitze erhalten und leichter in die Kontakte gesteckt werden können. Dies ist auch für die Leuchtdioden, Widerstände und andere Bauteile sinnvoll und verhindert, dass die Anschlussdrähte beim Einstecken leicht umknicken.
Hinter dem vierten Türchen kommt das wichtigste Bauteil dieses Kalenders zum Vorschein, das CMOS-IC 4007. Dieses IC enthält insgesamt sechs MOSFET-Transistoren, die teilweise bereits intern verbunden sind. Drei Transistoren sind vom P-Typ, die anderen drei sind N-FETs.


Achntung: Eine Fehlermeldung von Peter
Krueger: P3 P-FET Symbol ist im Handbuch als
N-FET dargestellt, hier berichtigt.
MOSFETs müssen mit Vorsicht behandelt werden, weil sie durch hohe Spannungen zerstört werden. Statische elektrische Aufladungen können zu einer Gefahr für elektronische Bauteile führen. Alle CMOS-Typen der 4000er B-Reihe enthalten jedoch interne Schutzschaltungen, die das Arbeiten sehr sicher machen. Dazu gibt es interne Schutzdioden, die Spannungen über der positiven Betriebsspannung Vdd und unterhalb der negativen Betriebsspannung Vss begrenzen. Das folgende Bild zeigt das Prinzip. Diese Schutzschaltung ist nur dann wirksam, wenn die Anschlüsse Vss (Minus) und Vdd (Plus) an der Batterie liegen. Pin 7 und Pin 14 müssen also auch dann angeschlossen, werden, wenn nur ein einzelner Transistor verwendet wird. Das IC ist damit relativ gut gegen statische Entladungen geschützt. Gleichzeitig führen diese Schutzdioden aber dazu, dass eine falsch gepolte Betriebsspannung einen großen Strom verursacht, der das IC zerstören kann. Achten Sie deshalb genau auf den richtigen Anschluss der Batterie.

Vor dem ersten Einsetzen des ICs müssen die Anschlüsse genau parallel ausrichtet werden, weil sie nach der Produktion noch etwas zu weit nach außen stehen. Drücken Sie alle Beinchen einer Seite zusammen auf eine harte Tischfläche, um sie passend auszurichten. Setzen Sie das IC dann richtig herum auf die Steckplatine. Achtung, wenn es falsch herum eingesetzt wird, sind die Anschlüsse 7 und 14 vertauscht, sodass die Betriebsspannung verpolt angeschlossen wird und das IC zerstört. Die Anschlüsse 1 und 14 liegen an der linken Seite. Sie ist durch eine Einkerbung gekennzeichnet.
Nach diesen Vorüberlegungen und dem sorgfältigen Einsetzen des ICs startet der erste Versuch. Der N-FET N1 soll eine LED einschalten. Dazu muss sein Steuereingang (Pin 6) an +9 V gelegt werden. Bei diesem Versuch wird nur ein Transistor verwendet. Nur die Anschlüsse 6,7, 8 und 14 werden angeschlossen, alle anderen bleiben frei.


Der N-FET kann mit einem NPN-Transistor verglichen werden. Der Source-Anschluss (Pin 7) entspricht dem Emitter, der Drain-Anschluss (Pin 8) dem Kollektor. Die Steuerelektrode heißt Gate (Pin 6) und entspricht der Basis. Im Unterschied zum NPN-Transistor ist das Gate aber vollständig isoliert. Der FET wird deshalb allein durch eine anliegende Spannung gesteuert und benötigt keinen Steuerstrom.
Ändern Sie die Schaltung einmal so, dass Sie das Gate (Pin 6) an Masse legen. Die LED geht aus. Testen Sie auch einmal einen offenen Gate-Anschluss. Das Ergebnis ist zufällig und kann durch Annähern mit dem Finger beeinflusst werden. Bereits in einem Abstand von einigen Zentimetern kann sich der Zustand des Transistors ändern. Verantwortlich dafür sind statische Ladungen und die damit verbundenen elektrischen Felder.
Öffnen Sie das fünfte Türchen und nehmen Sie eine grüne LED heraus. Beide LEDs werden in Reihenschaltung betrieben. Diesmal soll der P-FET den Strom leiten. Dazu muss sein Gate an Vss gelegt werden. Der P-FET leitet und schaltet damit beide LEDs ein.
Im Vergleich mit dem Versuch Nr. 4 zeigt sich, dass ein N-FET und ein P-FET die gleiche Funktion, aber unterschiedliche Polarität haben. Alle Versuche, die mit einem N-FET durchgeführt werden können, funktionieren auch im einem P-FET. Testen Sie auch hier wieder den offenen Gate-Anschluss. Das Ergebnis ist wie erwartet zufällig. Eine Verbindung zwischen Gate und Vdd dagegen schalten die LEDs aus.


Hinter dem sechsten Türchen kommt ein keramischer Kondensator mit 100 nF (Nanaofarad) zum Vorschein. Der Aufdruck lautet 104 und steht für 100.000 pF (Pikofarad). Ein Kondensator besteht aus zwei Metallflächen mit einer Isolierschicht zwischen beiden. Er kann mit einer Spannung aufgeladen werden speichert elektrische Ladung. In diesem Versuch hält der Kondensator die Gate-Spannung des P-FET. Zwei Kontaktpaare dienen dazu, den Kondensator aufzuladen oder zu entladen. Man kann die Kontakte zusammenhalten oder einfach nur mit dem Finger berühren. Die angeschlossenen LEDs werden damit entweder an- oder ausgeschaltet. Der Kondensator hält seine Ladung für mehrere Minuten, sodass ein vorhandener Zustand gespeichert bleibt.
Die Schaltung zeigt das Prinzip eines dynamischen Speichers, wie er im PC verwendet wird. Jede Speicherzelle besteht im Wesentlichen aus einem kleinen Kondensator und einem FET. Weil die Ladung des Kondensators nicht beliebig lange erhalten bleibt, muss sie in einem dynamischen Prozess regelmäßig wieder aufgefrischt werden. Im Gegensatz zu dynamischen Speichern brauchen statische Speicher eine solche Auffrischung nicht. Sie benötigen dafür aber mehr Bauteile. Ein entsprechender Versuch wird an einem späteren Tag in diesem Kalender beschrieben.


Hinter dem siebten Türchen finden Sie einen hochohmigen Widerstand mit 10 Megaohm (10 MΩ). Er trägt die Farbringe Braun, Schwarz, Blau. Zusammen mit den schon vorhandenen Bauteilen soll nun ein elektronischer LED-Dimmer aufgebaut werden. Mit den beiden Schaltkontakten kann eine beliebige Helligkeit der LEDs eingestellt werden. Nach dem Öffnen bzw. Loslassen der Kontakte bleibt die eingestellte Helligkeit lange konstant. Statt einer direkten Verbindung reicht auch eine Berührung mit dem Finger, wobei der Hautwiderstand beide Kontakte verbindet. Damit hat man einen Berührungssensor mit Dimmer-Funktion.
Der Speicher-Kondensator liegt diesmal zwischen Gate und Drain des P-FET. Dadurch entsteht eine Integrator-Schaltung, deren Ausgangsspannung sich nur relativ langsam ändert. Mit 10 MΩ und 100 nF erhält man normalerweise eine Zeitkonstante von einer Sekunde. Der Integrator vergrößert die Kapazität des Kondensators aber scheinbar um den Faktor seiner Spannungsverstärkung. In diesem Fall dauert es mehr als zehn Sekunden, um die Helligkeit zwischen Maximum und Minimum zu verändern.


Die gleiche Funktion kann auch mit einem NFET erreicht werden. Betrachten Sie noch einmal der Versuch vom Tag 4. Ändern sie die Schaltung so, dass ein LED-Dimmer mit dem N-FET N1 entsteht.
Einen Widerstand mit 4,7 kΩ (Gelb, Violett, Rot) finden Sie hinter dem Türchen Nr. 8. Er wird als weiterer Vorwiderstand für eine LED eingesetzt. Die Drain-Anschlüsse beider Transistoren N1 und P1 werden nun verbunden. Damit erhält man einen so genannten Inverter. Im Normalfall leitet immer nur einer der beiden Transistoren. Bei hoher Eingangsspannung leitet der N-FET und schaltet den gemeinsamen Ausgang gegen Vss. Bei kleiner Eingangsspannung leitet dagegen der P-FET und schaltet den Ausgang gegen Vdd. Im Endergebnis ist die Ausgangsspannung gegenüber der Eingangsspannung umgekehrt (invertiert).
In dieser Schaltung kann die Eingangsspannung am Pin 6 des Inverters durch die Schaltkontakte aus blankem Draht entweder hoch oder auf Null gesetzt werden. Statt eines direkten Kontakts reicht es auch, zwei Drähte mit dem Finger zu berühren. Die LEDs können deshalb mit einfacher Berührung der Kontakte umgeschaltet werden. Bei offenen Kontakten bleibt der vorhandene Zustand theoretisch unendlich lange bestehen. In der Praxis können aber kleine Isolationsfehler die Eingangsspannung ändern. Versuchen Sie einmal festzustellen, wie lange ein Zustand unverändert bleibt.


Unter der Voraussetzung, dass die Eingangsspannung entweder Null oder gleich der Betriebsspannung ist, ist jeweils einer der beiden FETs vollständig gesperrt. Das besondere Merkmal der CMOS-Bausteine ist daher, dass sie im statischen Betrieb fast ohne Eigenverbrauch arbeiten. Nur im Umschaltmoment durchläuft die Eingangsspannung einen Bereich, in dem beide FETs leiten. Bei halber Eingangsspannung ist die Stromaufnahme maximal. Meist wird dieser Bereich jedoch sehr schnell durchlaufen, sodass die mittlere Stromaufnahme gering bleibt. Man kann daher Schaltungen bauen, die eine extrem lange Batterielebensdauer haben. Ein Beispiel sind Digitaluhren, die länger als ein Jahr mit einer Batterie arbeiten.
Hinter dem neunten Türchen finden Sie eine gelbe LED. Sie soll hier zusammen mit der roten LED eingesetzt werden. Der 10-MΩ-Widerstand liegt diesmal zwischen dem Eingang und dem Ausgang des Inverters. Am Ausgang stellt sich eine mittlere Spannung von etwa 4,5 V ein. Damit leuchten beide LEDs etwa halb hell. Eine von beiden beleuchtete Fläche erscheint orange. Die beiden Kontakte am Eingang können jedoch dieses Gleichgewicht verändern. Verbindet man einen Kontakt mit einem Stück Draht oder mit dem Finger, dann leuchtet jeweils nur noch eine der beiden LEDs. So lassen sich drei Farben wählen: Rot, Gelb und Orange.


Der Widerstand zwischen Ausgang und Eingang des Inverters bewirkt in dieser Schaltung eine Gegenkopplung und sorgt dafür, dass sich eine mittlere Spannung einstellt. Ist die Ausgangsspannung zu hoch, leitet der NFET stärker und zieht sie etwas herunter. Ist sie zu tief, leitet entsprechend der PFET mehr und zieht die Ausgangsspannung etwas hoch. Im Endeffekt stellt sich bei offenen Schaltern eine Ausgangsspannung von ca. 4,5 V ein.
Öffnen Sie das zehnte Fach und nehmen Sie einen weiteren Widerstand mit 10 MΩ heraus (Braun, Schwarz, Blau) heraus. Diesmal kommen insgesamt vier FETs zum Einsatz. Beim zweiten Inverter mit den FETs N2 und P2 müssen auch die Source-Anschlüsse (Pin2, Pin 4) und die Drain-Anschlüsse (Pin 1, Pin 5) verdrahtet werden. Bei diesem Versuch werden beide Inverter hintereinander geschaltet. Damit kehrt sich die Funktion noch einmal um. Wenn der obere Kontakt geschlossen wird, leuchtet die untere LED (Grün) auf, der untere Kontakt schaltet die obere LED (Rot) ein. Im Ruhezustand ergibt sich wegen der Gegenkopplung in der ersten Inverterstufe eine mittlere Spannung und damit die Mischfarbe Gelb.


Vielleicht haben Sie es bemerkt, der zweite 10-MΩ-Widerstand in der Schaltung zwischen Pin 13 und Pin 3 könnte auch durch eine Drahtbrücke ersetzt werden die Funktion bliebe gleich. Allerdings hilft er dabei, ungewollte Hochfrequenzschwingungen zu verhindern. Die Verbindungsleitungen in der Schaltung bilden nämlich kleine Kondensatoren, die der Schaltung eine unerwartete und zufällige Funktion gegen können.
Entfernen Sie einmal den ersten 10-MΩ-Widerstand zwischen Pin 6 und Pin 8 aus der Schaltung. Damit gibt es keine Gegenkopplung mehr, und der Eingang ist extrem hochohmig. Beide Inverter zusammen haben eine hohe Verstärkung. Elektrische Felder im Umfeld der Schaltung führen daher zu einem Umschalten zwischen Grün und Rot, wobei der Zwischenzustand Gelb kaum noch beobachtet wird.
Hinter dem elften Türchen verbirgt sich eine weiße LED. Sie wird nun am Ausgang des zweifachen Inverters angeschlossen. Am Eingang liegen zwei LEDs in Sperrrichtung, sie leuchten also nicht. Der 4,7-kΩ-Widerstand erfüllt nur eine Schutzfunktion für den Fall, dass man versehentlich beide LEDs anders herum einsetzt. Beide LEDs funktionieren nun als Fotodioden. Die Eingangsspannung am Pin 6 des ICs wird dadurch bestimmt, auf welche der beiden Sensoren mehr Licht fällt. Durch Abschattung jeweils einer LED mit der Hand können Sie daher den Ausgangszustand umschalten. Die weiße LED kann also nach Belieben ein- und ausgeschaltet werden.


Der Versuch zeigt eine Eigenschaft aller CMOS-ICs, nämlich ihre extrem hochohmigen Eingänge. Zum Umschalten reichen deshalb bereits kleinste Ströme aus. Eine LED als Fotodiode liefert bei mittlerer Helligkeit nur wenige Nanoampere. Und trotzdem reichen solch kleine Ströme aus, um eine sichere Umschaltung zu bewirken.
Einen weiteren Widerstand mit 4,7 kΩ (Gelb, Violett, Rot) finden Sie im zwölften Fach. Er dient in diesem Versuch zur Verbindung beider Inverterstufen. Am offenen Eingang liegt diesmal ein 10-MΩ-Widerstand, der wie eine Antenne eingesetzt wird.
Halten Sie Ihre Hand in die Nähe dieser Antenne und bewegen Sie Ihre Füße auf einem isolierenden Bodenbelag. Dabei werden elektrische Ladungen bewegt, die den Ausgang umschalten. Mit etwas Übung lassen sich die Ausgangszustände gezielt umschalten, ohne dass die Ursache sichtbar wird. Man könnte meinen, dass mentale Kräfte die LEDs umschalten. Überraschen Sie Ihre Umgebung mit diesem kleinen Zaubertrick!


Nehmen Sie die Schaltung in die Hand und bewegen Sie sich im Raum. In den meisten Fällen erzeugt jeder Schritt eine Änderung des elektrischen Feldes. Die LEDs blinken im Takt Ihrer Schritte. Nähern Sie die Antenne einem isolierten Netzkabel. Nun leuchten plötzlich beide LEDs. Die Netzleitung ist von einem 50-Hz-Wechselfeld umgeben, das die LEDs im 50-Hz-Takt umschaltet. Das schnelle Flackern ist kaum erkennbar, sodass beide LED gleichzeitig zu leuchten scheinen. Der Elektrofeld-Sensor ist so empfindlich, dass sogar in der Wand verlegte Stromleitungen aufgespürt werden können.
Ein weiterer Widerstand mit 4,7 kΩ (Gelb, Violett, Rot) kommt hinter dem Türchen Nr. 13 zum Vorschein. Damit besteht nun die Möglichkeit, alle vier LEDs mit eigenen Vorwiderständen zu betreiben.
Die Schaltung dieses Tages zeigt die Wirkungsweise eines statischen Ein-Bit-Speichers. Es handelt sich dabei um ein so genanntes Flipflop. Durch eine Rückkopplung über beide Stufen bleibt ein Zustand beliebig lange erhalten. Der Zustand kann allerdings mit zwei Kontakten für Reset (R) und Set (S) umgeschaltet werden. Man bezeichnet die Schaltung daher auch als RS-Flipflop.


Die Rückkopplung in der Schaltung bewirkt, dass jeder der FETs entweder ganz an- oder ganz ausgeschaltet ist. Man kann sich vorstellen, dass im ersten Moment nach dem Einschalten beide Inverter noch eine mittlere Spannung haben. Die kleinste Abweichung von der Mitte wird aber verstärkt und bewirkt mit der Rückkopplung, dass das Ungleichgewicht sich schnell vergrößert. Schon nach wenigen Mikrosekunden kippt die Schaltung vollständig in einen der beiden möglichen Zustände. Beim Einschalten nimmt das Flipflop einen zufälligen Zustand ein, den man nicht vorhersagen kann. Erst mit einem Tastendruck wird ein gewünschter Zustand sicher erreicht.
Einen weiteren Kondensator mit 100 nF (104) finden Sie hinter dem 14. Türchen. Er wird für die folgende Blinkschaltung benötigt. Die Rückkopplung der letzten Schaltung ist zwar auch hier wieder vorhanden, allerdings liegen nun zwei Kondensatoren in der Rückkopplungsleitung. Ein Zustand wird immer nur so lange aufrechterhalten, bis die Kondensatoren weitgehend geladen sind. Hier werden zwei Kondensatoren mit je 100 nF in Reihe geschaltet. Damit erhält man eine Kapazität von 50 nF, was hier zu einem Blinkintervall von etwa einer Sekunde führt.


Um den Blinker langsamer laufen zu lassen, überbrücken Sie einen der beiden Kondensatoren. Die Schaltung läuft dann mit 100 nF und einer Taktperiode von ca. zwei Sekunden. Noch langsamer arbeitet der Blinker, wenn Sie beide Kondenstoren parallel schalten.
Das 15. Türchen bringt eine grüne LED zum Vorschein. Ersetzen Sie den 10-MΩ-Widerstand der vorigen Schaltung durch zwei in Reihe geschaltete grüne LEDs als Lichtsensoren. Die Geschwindigkeit des Blinkers hängt nun von der Beleuchtung der Sensor-LEDs ab. Leuchten Sie mit einer hellen Lampe direkt auf die Sensoren, dann ergibt sich ein schnelles Blinken. Bei mittlerer Raumhelligkeit dauert es bereits einige Minuten bis zum nächsten Wechsel. Die Schaltung eignet sich auch als Lichtmessgerät. Man kann z.B. vergleichen, welche von zwei Taschenlampen heller ist.


Hinter dem Türchen Nr. 16 finden Sie einen weiteren Kondensator mit 100 nF (Aufdruck 104). Der Blinker soll nun als Sensor für einen veränderlichen Widerstand umgebaut werden. Die beiden Prüfkabel können z.B. mit dem Finger berührt werden. Der hauptsächlich von der Hautfeuchtigkeit abhängige Hautwiderstand beeinflusst dabei die Blinkfrequenz. Je besser die Leitfähigkeit, desto schneller blinkt die LED. Umgekehrt führt ein größerer Hautwiderstand zu einem langsameren Blinken.
Testen Sie auch einmal verschiedene Kombinationen der drei Kondensatoren, um unterschiedliche Blinkfrequenzen zu erreichen. Drei 100-nF-Kondensatoren in Reihenschaltung ergeben 33 nF. In Parallelschaltung erreichen Sie dagegen 300 nF und damit eine fast zehnfach kleinere Blinkfrequenz.


Ein weiterer Widerstand mit 4,7 kΩ (Gelb, Violett, Rot) verbirgt sich hinter dem Türchen Nr. 17. Alle bisherigen Blinker waren völlig symmetrisch, d.h. die LED am Ausgang war gleich lange an und aus. Mit Hilfe einer Diode wird der Vorgang unsymmetrisch. Die rote LED dient in dieser Schaltung als Diode und leuchtet kaum sichtbar und für kurze Momente. In einer Richtung werden die Kondensatoren langsam über den 10-MΩ-Widerstand geladen, in der anderen Richtung wesentlich schneller über die LED und den 4,7-kΩ-Widerstand. An der weißen LED entstehen kurze Lichtblitze.
Jeder Lichtblitz ist kürzer als eine Millisekunde und daher auch nicht sehr hell. Zum Test können Sie einmal mehrere Widerstände mit 4,7 kΩ in Reihe zur roten LED verwenden. Das verlängert die Lichtblitze und macht sie deutlicher sichtbar. Drehen Sie die rote LED auch einmal um. Nun sieht man ein Dauerleuchten der weißen LED, das periodisch kurz unterbrochen wird.


Hinter dem Türchen Nr. 18 findet sich ein weiterer Kondensator mit 100 nF. Die Schaltung vom vorigen Tag wird nur geringfügig umgebaut. Der Gegenkoppelwiderstand in der ersten Inverterstufe entfällt, und der Kondensator besteht jetzt aus einer Reichenschaltung mit viermal 100 nF, woraus sich eine kleinere Kapazität von 25 nF ergibt. Die grüne LED in dieser Schaltung arbeitet zugleich als Diode und als Lichtsensor. In Durchlassrichtung wird der Kondensator schnell umgeladen, was zu einem kurzen Blitz führt. In Sperrrichtung hält die Ladezeit von der jeweiligen Beleuchtung ab. Bei sehr hellem Licht folgen die einzelnen Blitze schneller aufeinander, bei geringer Helligkeit sind die Pausen zwischen den einzelnen Blitzen mehrere Minuten lang. Damit man bei mittlerem Licht nicht zu lange warten muss, wurde die Kondensator-Reihenschaltung mit nur 25 nF verwendet.


Das Türchen Nr. 19 bringt einen weiteren Scheibenkondensator mit 100 nF zum Vorschein. Nun wird eine Schaltung aufgebaut, deren Funktion mit einem mechanischen Pendel vergleichbar ist. Ein frei schwingendes Pendel wird einmal angestoßen und pendelt dann längere Zeit bei konstanter Pendelfrequenz und abnehmendem Ausschlag. In einer Pendeluhr wird bei jeder Bewegung etwas Energie zugeführt, sodass die Schwingungen erhalten bleiben. Dieser Versuch soll ein mechanisches Pendel elektronisch nachbilden.
Die Schaltung besteht aus einem Inverter und einem Phasenschieber-Netzwerk aus zwei RC-Gliedern mit jeweils 10 MΩ und 100 nF. Ein weiterer Inverter dient als Ausgangsverstärker zum Anschluss einer LED. Beim Einschalten beginnt die Schaltung langsam zu schwingen. Die weiße LED wird periodisch heller und schwächer. Die Helligkeitsschwankungen werden schwächer und hören nach wenigen Schwingungen ganz auf. Schließen Sie kurz den Schaltkontakt, um das elektronische Pendel erneut anzustoßen.


Das Ergebnis des Versuchs ist teilweise auch vom Zustand der Batterie abhängig. Gerade eine stark verbrauchte Batterie kann bewirken, dass die Schaltung endlos blinkt. Das liegt am erhöhten Innenwiderstand der Batterie. Bei jedem Einschalten der LED bricht die Spannung um bis zu 1 V ein. Dieser Spannungssprung bewirkt eine zusätzliche Rückkopplung auf den Eingang und verstärkt damit die Schwingungen. Alkali-Batterien haben meist auch im entladenen Zustand einen geringen Innenwiderstand. Bei einfachen Zink-Kohle-Batterien kann der Innenwiderstand dagegen sehr groß werden.
Öffnen Sie das Fach Nr. 20 und nehmen Sie einen weiteren Widerstand mit 10 MΩ (Braun, Schwarz, Blau) heraus. Er wird nun zusammen mit einem 100-nF-Kondensator verwendet, um ein drittes RC-Glied aufzubauen. Mit dem dreifachen Phasenschiebernetzwerk verbessern sich die Bedingungen für ungedämpfte Schwingungen. Damit halten die Schwingungen wesentlich länger an oder bleiben sogar dauerhaft bestehen. Ob die Gesamtverstärkung für unbegrenzt anhaltende Schwingungen ausreicht, kann nicht sicher vorausgesagt werden. In vielen Fällen wird die Schwingung langsam auspendeln und bei einer mittleren Helligkeit enden. Mit einer kurzen Betätigung des Schaltkontakts kann das Pendel jedoch immer wieder neu angestoßen werden.
Abhängig von Exemplarstreuungen des ICs und je nach Zustand der Batterie ist es möglich, dass diese Schaltung bereits genügend Verstärkung aufweist, um anhaltende Schwingungen zu erzeugen. Das Pendel kommt in diesem Fall nie zur Ruhe. Um die Helligkeit zu erhöhen, können Sie einen oder mehrere 4,7-kΩ-Widerstände zum Vorwiderstand der weißen LED parallel schalten. Später in diesem Elektronik-Kalender wird übrigens eine Schaltung vorgestellt, die mit mehr Verstärkung arbeitet und andauernde Schwingungen garantiert.


Ein weiterer Kondensator mit 100 nF befindet sich hinter dem Türchen Nr. 21. Die Schaltung dieses Tages ist ein Signalgenerator für Frequenzen im Kilohertzbereich. Die beiden grünen LEDs werden diesmal als kleine Kondensatoren eingesetzt. Jede LED stellt in Sperrrichtung einen sehr kleinen Kondensator mir etwa 5 pF (Pikofarad) dar. Aus einem langsamen Blinker wird so ein schneller Signalgenerator mit einer Frequenz von etwa 2 kHz. Am Ausgang wird ein Wechselstrom über den Kondensator von 100 nF geleitet, der die rote und die gelbe LED zum Leuchten bringt. Die Ausgangs-LEDs müssen antiparallel eingesetzt werden, weil jede von beiden eine Halbwelle des Wechselstroms leitet.
Zwei Punkte der Schaltung sind mit Drahtstücken nach außen geführt und können berührt werden. Berühren Sie zunächst nur den Anschluss B. Die Schwingungen werden damit gestoppt, die LEDs gehen aus. Das ist eigentlich erstaunlich, weil Sie nur einen Punkt berühren, nicht aber einen Stromkreis schließen. Ihr Finger und damit der gesamte Körper wirkt in diesem Fall wie eine Platte eines Kondensators. Wegen der großen Plattenabstände ist die Kapazität trotzdem gering und beträgt nur einige Pikofarad. Diese Kapazität reicht aber aus, um den Signalgenerator zu stoppen.
Berühren Sie in einem zweiten Versuch die Anschlüsse A und B gemeinsam. Diesmal ist das Ergebnis genau das Gegenteil: Die LEDs leuchten heller. Die Berührung hat nämlich den zweiten 10-MΩ-Widerstand in der Schaltung überbrückt, damit die Gesamtverstärkung erhöht und die Frequenz bis auf etwa 5 kHz erhöht.


Ein weiterer Widerstand mit 4,7 kΩ (Gelb, Violett, Rot) kommt hinter dem Türchen Nr. 22 zum Vorschein. Mit geringen Änderungen wird aus der letzten Schaltung ein Sensor, der auf Licht und Schatten reagiert. Die beiden Drähte nach außen entfallen. Der Koppelkondensator am Ausgang der Schaltung wird im Interesse einer größeren Helligkeit verdoppelt. Die beiden grünen LEDs arbeiten auch hier wieder als kleine Kondensatoren und sorgen für eine hohe Schaltfrequenz der Schaltung. Zugleich sind sie aber auch Lichtsensoren. Bei sehr hellem Licht steigt ihre Leitfähigkeit soweit an, dass sie sich mehr und mehr wie Widerstände verhalten. Bei ausreichender Helligkeit wird damit aus dem Signalgenerator plötzlich ein statisch rückgekoppeltes Flipflop. Damit bleibt der Ausgang entweder im eingeschalteten oder im ausgeschalteten Zustand stehen. Entscheidend ist, dass keine Schwingungen mehr vorhanden sind. Damit fließt auch kein Wechselstrom über die Kondensatoren, die LEDs leuchten nicht mehr. Richten Sie eine starke Lichtquelle auf die Sensor-LEDs, die LEDs am Ausgang sind aus. Wenn das Licht aber durch einen Gegenstand oder eine Person abgeschattet wird, gehen die Ausgangs-LEDs wieder an.
Ersetzen Sie einmal den 10-MΩ-Koppelwiderstand zwischen den beiden Invertern (Pin 13, Pin 3) durch den sehr viel kleineren Widerstand mit 4,7 kΩ. Damit steigt die Generatorfrequenz an, und die LEDs leuchten heller. Bei starker Beleuchtung gehen die LEDs wie bisher aus.


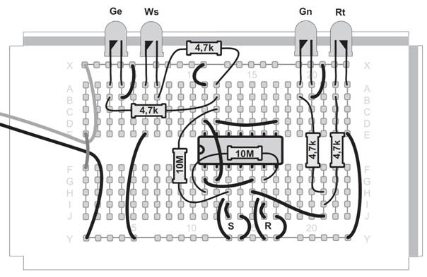
Im Fach Nr. 23 finden Sie noch einen Widerstand mit 4,7 kΩ (Gelb, Violett, Rot). Der Versuch dieses Tages verwendet zum ersten Mal alle sechs FETs aus dem 4007. P3 und N3 werden als dritter Inverter angeschlossen. Alle drei Inverter sind über 10-MΩ-Widerstände zu einem Ring gekoppelt. Zusammen bilden Sie einen Ring-Oszillator. Eine Welle wandert durch alle Inverter und läuft damit im Kreis. Die drei Kondensatoren sorgen für eine ausreichende Verlangsamung, sodass die Schwingungen an den drei LEDs sichtbar werden.
Stellt man sich die entstehenden Schwingungen in einem Kreis vor, dann besteht zwischen zwei LEDs immer eine Pasenverschiebung von 120 Grad, also von einem Drittel des Vollkreises. Um zu verstehen, wie diese Schwingungen entstehen, kann man zunächst von drei Invertern ausgehen. Insgesamt wird die Phase um 180 Grad gedreht. Die Kopplung vom Ausgang auf den Eingang ist also eine Gegenkopplung. Man sollte erwarten, dass sich eine stabile mittlere Spannung einstellt. Durch die eingefügten RC-Glieder wird eine Störung aber erst mit einer gewissen Zeitverzögerung nachgeregelt. Das führt zu einer zusätzlichen Phasenverschiebung, die aus der Gegenkopplung eine Rückkopplung macht. Bei einer bestimmten Frequenz ist die gesamte Phasendrehung gerade Null, sodass sinusförmige Schwingungen entstehen.


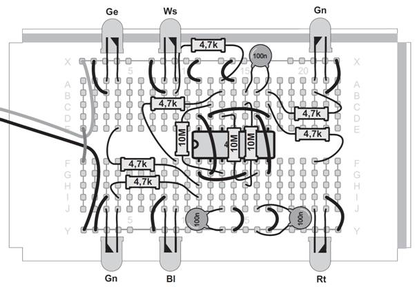
Am 24. Dezember bauen Sie eine ganz besondere Schaltung. Hinter dem letzten Türchen finden Sie eine blau leuchtende Leuchtdiode im klaren Gehäuse. Damit haben Sie jetzt insgesamt sechs LEDs. Und alle zusammen sollen nun in einer gemeinsamen Schaltung verwendet werden. Dazu wird die Schaltung des letzten Versuchs um drei LEDs und drei eigene Vorwiderständen erweitert. Die oberen drei LEDs leuchten genau gegenphasig zu den unteren LEDs. Insgesamt werden aus drei LED-Phasen nun sechs. Zwischen den Zuständen An und Aus gibt es jeweils weiche Übergänge, sodass diese farbige Leuchte eine angenehm entspannende Wirkung zeigt. Hängen Sie den Aufbau an den Weihnachtsbaum und genießen Sie das besondere Leuchten.
Falls Sie noch etwas mit der Schaltung experimentieren möchten, beachten Sie einmal die übrig gebliebenen Bauteile. Es gibt noch drei weitere Kondensatoren mit 100 nF. Durch Parallelschaltung von jeweils zwei Kondensatoren können Sie die Schaltung insgesamt mit halber Geschwindigkeit betreiben. Umgekehrt läuft die Schaltung mit Reihenschaltungen jeweils zweier Kondensatoren doppelt so schnell. Auch ein Widerstand mit 4,7 kΩ ist noch unbenutzt. Durch die Parallelschaltung zu einem vorhandenen Vorwiderstand können Sie die entsprechende LED mit doppeltem Strom betreiben. Das bietet sich an, falls eine der LEDs als zu schwach erscheint. Sicherlich gibt es noch viele andere sinnvolle Schaltungsvarianten. Lassen Sie Ihrem Erfindungsreichtum freien Lauf!

