

Die
Idee zur Schaltung, die nun mein Beitrag zum Wettbewerb sein soll,
entstand einige Tage vor Weihnachten. Meine Kinder fragten, ob Sie an
Weihnachten vor der Bescherung noch fernsehen dürften, sie
wären dann bestimmt nicht so aufgeregt wie die letzten Jahre. Ich
antwortete, dass das nicht ginge, denn das Christkind schaltet immer
vor Heiligabend den Fernseher ab. "Quatsch, Papa, dass kann das
Christkind gar nicht", war die Antwort - und damit hatte ich eine
Bringschuld.

Die
Idee war, mit einer Schaltung die Fernbedienung des Fernsehers so zu
täuschen, dass die Kinder wenigstens kurz beeindruckt waren. Eine
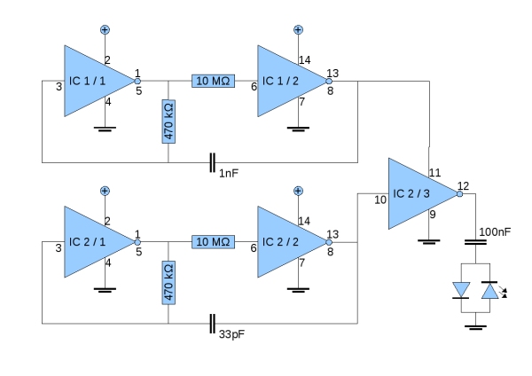
Infrarot-Fernbedienung sendet IR-Licht mit einer Träger-Frequenz
von ca. 40 kHz und moduliert darauf das Nutz-Signal mit ca. 1 kHz auf.
So etwas mit den geforderten zwei 4007ern zu bauen, ist eine nette
Abendbeschäftigung. Man nehme zweimal den Wechselblinker vom 14.
Tag mit entsprechend veränderten Frequenzen und mische das Signal
mit einem der noch unbenutzten CMOS-Invertern. Die Kondensatoren
dafür waren in der Bastelkiste, ebenso eine IR-LED. Nur den
zweiten 4007 musste ich vorab in der Stadt besorgen. Im Vergleich zu
unserer Fernbedienung leuchtete die IR-LED leider deutlich
schwächer, allerdings steht unser Fernseher direkt neben dem
Weihnachtsbaum, so dass die Schaltung in den Zweigen unmittelbar neben
dem IR-Empfänger ausreichend getarnt werden konnte. Das reichte
und war befriedigend lustig!