
Gewitterwarner triggert Kamera
von
Jens
Wuth

Ich
bin schon immer fasziniert von Gewittern. Gern möchte ich über den
Gewitterwarner und meinen Basteleien damit berichten. Habe mir bereits
den dritten Gewitterwarner gekauft, um diese als Auslöser für
Smartphone und Reflexe zu benutzen. Damit das funktioniert, musste ich
vom Detektor eine Schnittstelle zum Smartphone und der Kamera-App
realisieren.
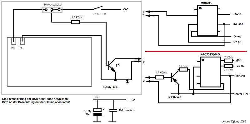
Auslöser ist die Bl+, die einen NPN-Transistor über 4,7 kOhm ansteuert.
Die Schnittstelle zum Handy habe ich mit einem Maus-Chip (MX8733)
realisiert. Der Transistor schaltet direkt die linke Maustaste.
Allerdings benötigt diese Version eine zweite verschiebbare
Auslösetaste in der Kamera-App, da ich den Bildsensor der Maus nicht
benutzen wollte. Diese zweite Auslösetaste ist aber bei moderneren
Smartphones bereits Standard und stellt kein Problem dar. Zum Problem
wird nur die Auslöseverzögerung des Smartphone/Kamera-App. Ich habe
hier das Huawei P50p verwendet, dass eine Auslöseverzögerungen von
36-72 ms erreichen kann. Diese Verzögerung kann ich mit einen
selbstgebauten Modul und einen Programm ermitteln. Es wäre prima, wenn
der Gewitterwarner einen Steuerausgang für die Bastler hat.
(Blitzimpuls). Der Blitz-Impuls sollte nicht länger als 10 ms sein. Hab
mein Handy auch schon mit 5 ms ausgelöst. Ja, ich kann auch
programmieren und könnte alles mit einen Laptop realisieren.
Praktischer für unterwegs ist aber eine 2 Kanal-Fernbedienung, an die
ich das Blitz-Modul per Klinke-Kabel anschließe. Die Stromversorgung
erfolgt über das erste Smartphone und einen 3 Volt Spannungsregler. So
brauche ich keine Batterien.
Nun, ich werde nicht jeden Blitz erwischen. Aber das macht dieses Event
ja so spannend. Es gibt Leute, die nehmen ein 4/8k Video auf und
grabben sich die interessanten Frames heraus. Na ja, ich mag es
sportlicher. Außerdem habe ich hier auch alle Meta-Daten im Exif des
Fotos.
Ich entwickle Software, um Fotos verschiedener Kameratypen vergleichen
zu können. Diese Software funktioniert für Fotos von Smartphones und
Systemkameras. Für einen Vergleich sollten die Kameras gleichzeitig den
Motivbereich fotografieren. Zum Messen der Verzögerung der Handys haben
wir ein kleines Modul gebastelt und ein Steuerprogramm geschrieben.
Beim PC nutzen wir den Kopfhörer-Ausgang. Wir senden einen 800 Hz Ton
zum Modul, welches den Impuls zur Kamera schickt. Die fotografiert den
Bildschirm. Das Programm zeigt an, welche Zeit nach Auslösung vergangen
ist und damit haben wir die Auslöseverzögerung. Das funktioniert
präzise.
Beim Smartphones bietet sich eine Tandem-Halterung an, die auf einem
geeigneten Selfie-Stick oder auf einem Stativ montiert ist. Um beide
Kameras gleichzeitig und erschütterungsfrei auszulösen, hab ich mir
eine Zweikanal Fernbedienung gebastelt. Basis ist ein Maus-Chip. Den
hab ich aus alten PowerKing-Mäusen, er kann aber auch bestellt werden.
Der MX8733 braucht keine Vorwiederstände und schaltet direkt die Masse
über einen NPN-Transistor. Für zwei Kanäle werden zwei Maus-Chips
benötigt.
In dem Stromlaufplan habe ich auch die Schaltung mit dem ATC7515DB-G
gezeichnet. Statt der Bl+ kann man auch die +5V über einen Taster und
einen Widerstand von 2-4 KOhm an T1 schalten. Dann hat man den Modus
Fernbedienung. Ich schalte den Modus mit einem 3 poligen
Schiebeschalter.
Wichtig: Das Smartphone sollte in der Kamera-App über eine
verschiebbare zweite Auslösetaste verfügen. Die ist entsprechend zu
positionieren, damit der Auslösevorgang korrekt gestartet wird. Bei
Blitz-Fotos sollte das Smartphone bzw. Kamera über eine geringe
Auslöseverzögerung verfügen. Ein Blitz, mit dem Smartphone automatisch
fotografiert, sollte > 100 ms dauern. Aber das macht es eben
spannend. Dieses Event steht noch am Anfang und wird ständig von meiner
Partnerin Lee und mir weiterentwickelt.
Erweiterung von Lee und Jens
Während eines Gewitters ist uns aufgefallen, dass das Smartphone erst
ausgelöst hat, wenn Bl keine Impulse mehr geliefert hat. Das wurde erst
bei einem sehr langen Blitz deutlich. Dann ist der Blitz aber vorbei
und wir fotografieren nur das „Nachleuchten“. Also haben wir die
Schaltung erweitert: Mit der ersten H-Flanke wird die Bl-Leitung per
Mini-Realis für rund 1 Sekunde aufgetrennt. Gleichzeitig wird ein 5-10
ms Impuls an die Smartphones gesendet, die dann sofort auslösen.
Dies ist die neue Fernbedienung mit diesem „Zeitmodul“ und zwei
zeitgleich aufgenommene Fotos mit dem Huawei P40Pro+ und dem Huawei
P50Pro. Hier ist das Gewitter noch ca 5 km entfernt. Dann kam der Regen
und wir mussten abbrechen. Aber es ist tatsächlich möglich, einen
„lebenden“ Blitz mit dem Detektor und einem Smartphone zu
fotografieren.
Insgesamt hat jedes Smartphone 220 Fotos gemacht. Leider sind bei
kleinen Gewittern die meisten Blitze „Wolken-Blitze“, die nicht direkt
sichtbar sind. Trotzdem lohnt sich der Aufwand. Man braucht ja nichts
machen, es geht alles automatisch.