
Fledermausdetektor-Schaltungstechnik
Vergleich Radio - Fledermausdetektor
Der
CD2003 ist ursprünglich ein AM/FM-Radio. Nur Teile der internen Stufen
wurden für den Fledermausdetektor verwendet. Außer Betrieb sind die
ZF-Stufen, der Demodulator und die ALC.
Norbert
Lewalski-Brechter berichtet: "Ich habe mir kürzlich den Bausatz
Franzis-Fledermausdetektor gekauft. Der Bausatz hat einen guten
Eindruck gemacht. Der Zusammenbau war aufgrund der guten Beschreibung
kein Problem. Allerdings kam aus dem Lautsprecher nur lautes Rauschen.
Ich habe während der Fehlersuche zunächst festgestellt, dass die
Spannung am Pin 4 von CD2003 zu gering war (0,2V anstatt 0,7V).
Mehr durch Zufall habe ich bemerkt, das Pin 5 (unbeschaltet) mit dem
Problem zu tun hatte. In vielen Radio-Schaltungen wird an Pin 5
ein Kondensator angeschlossen. Ich habe diesen Kondensator (10µF)
bei meinem Gerät eingebaut. Nun funktioniert es wie gewünscht.
Kennen sie die Ursache dafür, dass bei meinem Gerät an Pin5 ein
Kondensator erforderlich ist?"
Der Pin 5 wird sonst für die ALC verwendet, ist aber beim Fledermausdetektor
außer Funktion, weil der ZF-Verstärker nicht verwendet wird. Ich messe 0 V am
Pin 5, d.h. kein ALC-Signal. So sollte es auch sein. Ich vermute, dass bei Ihrem
Gerät durch einen andern Fehler der ZF-Verstärker irgendetwas tut, vielleicht
schwingt. In dem Fall könnte die ALC auf den Mischer gewirkt haben, der Elko hat
dann Besserung gebracht. Vielleicht können Sie mal messen, was bei Ihnen am Pin
5 liegt. Nur um der Sache noch weiter auf die Spur zu kommen.
Norbert Lewalski-Brechter: "Ich habe die Spannungen aller Pins mit und ohne Kondensator gemessen:
Pin U[V],mit C U[V], ohne C
1
0
0
2
0
0
3 0,4 0
4
0,7
0,2
5
0
0*
6
5
5
7
5
5
8
5
5
9
0
0
10 4,4 4,4
11 2,3 1,4
12 4,8 4,8
13 0,9 0,1
14 0,9 0,1
15 0 0
16 5 5
*Bei
Berühren von Pin5 mit der Messspitze in der Beschaltung ohne
Kondensator hört das Rauschen sofort auf und das Gerät arbeitet korrekt.
Dieser
Zustand bleibt auch erhalten, wenn ich die Prüfspitze wieder entferne.
Erst nach dem nächsten Aus- / Einschalten beginnt das Gerät wieder
zu rauschen. Dieser Vorgang ist zu 100% reproduzierbar."
Jetzt
habe ich an meinem Gerät nachgemessen: Alle Messwerte stimmen mit der linken
Messung überein. Das ist wohl der Normalzustand, allerdings bei meinem Gerät
ohne den Elko. Zum Vergleich habe ich auch an der originalen Radioschaltung in
Stellung AM gemessen. Am Pin 5 liegt im Normalfall 5 V. Wenn aber ein starkes
Signal anliegt, relgelt die ALC zurück, dann steigt die Spannung am Pin 5 bis auf
ca. 0,5 V an. Meine Vermutung ist, dass wilde Schwingungen zu einer
Fehlfunktion führen können. Das könnte an einem Fehler im IC liegen, aber auch
an einem fehlerhaften Bauteil oder einer fehlerhaften Lötstelle auf der
Platine. Zweite Vermutung: Statt eines Elkos müsste auch eine direkte
Masseverbindung am Pin 5 helfen.
Interessant ist der Fall, weil man nie ganz sicher sein kann, ob es ein
Einzelfall oder ein weiter reichendes Problem ist. Ich bitte daher alle Anwender
des Fledermausdetektors um Rückmeldungen, falls ähnliche Probleme
auftauchen. So kann ich vielleicht bei einer späteren Auflage Verbesserungen
erreichen.
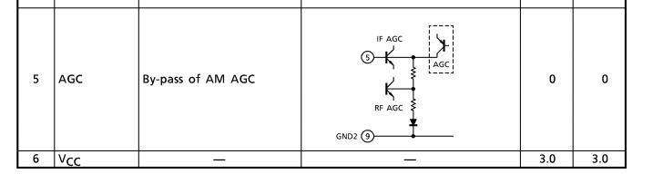
Hinweise zum PIN 5 des CD2003 von Manfred Hartmann
Im Datenblatt des TA2003 (Toshiba) sind kleine Auszüge der
Innenschaltungen von den einzelnen PINs gezeigt. Am PIN 5 sieht es so
aus:
Von
dem Transistor, der intern die Regelspannung liefert geht es einmal auf
den mit "IF AGC" bezeichneten Transistor und zum anderen über einen
Widerstand auf den mit "RF AGC" bezeichneten. Das heißt, nicht nur der
ZF-Verstärker wird geregelt, auch der HF-Eingang bekommt eine
Regelspannung. Wenn PIN 5 nicht entkoppelt wird kann so durchaus über
diesen Weg eine Rückkopplung entstehen, die den ZF-Verstärker schwingen
lässt.
Bei meinem Fledermausdetektor fiel mir die
Berührungsempfindlichkeit des PIN 5 gleich zu Anfang, als ich
interessenhalber ein paar Messungen vornahm, auch auf. Ich habe einen
Kondensator mit 100 nF gegen Masse gelegt und das Problem war behoben.
Auf
dem Datenblatt, das bei AK-Modul-Bus zu finden ist, sind die
Innenschaltungen der Anschluss-PINs nicht abgedruckt. Ich habe deshalb
mal das Toshiba-Datenblatt mitgeschickt. Es ist kaum anzunehmen, dass
sich TA2003 und CA2003 wesentlich unterscheiden.
Download: TA2003.pdf
Experimente mit der Fledermausplatine
Wie berichtet wurden in der zweiten Auflage zunächst aufgrund einer Verwechselung statt
des CD2003 der Leistungstreiber ULN2003 eingebaut. Die Platine musste
dann neu produziert werden. Was ein großer Schaden für den Hersteller
ist, ist zugleich eine Chance für eigene Experimente, weil die fehlerhafte Platine
preiswert erhältlich ist wie übrigens auch der Radiochip CD2003. www.elexs.de/SMD1.html
Siehe auch: Elkos bipolar formieren
Lautsprecherprobleme
Im Labortagebuch wurde davon berichtet, dass die Membranen der grünen Lautsprecher in Einzelfällen festhängen können:
Ein defekter Lautsprecher
Fehlersuche: Fledermausdetektor rauscht
-
Eine Frage von Axel Bangert: Vor ein paar Wochen habe ich beim
DARC-Verlag in Baunatal zwei Bausätze des von Ihnen entwickelten
Fledermausdetektors gekauft. Zwei Empfänger mussten es sein,
da dies besser mit der Kinderanzahl harmoniert und die Fledermäuse
nicht durch heftiges Gestreite der beiden das Weite suchen sollen ;-)
Mit beiden Kindern habe ich die fehlenden Einzelteile auf die
Platine gelötet. Resultat: Einer funktioniert ganz super, ... bei dem
zweiten Empfänger hört man leider nur starkes Rauschen. Heute habe ich
mir den defekten Empfänger mal näher angeschaut: optisch alles
einwandfrei, kein Fehler zu entdecken. Der Fehler steckt sehr
wahrscheinlich im CD2003-Baustein (Anm.: Es ist wirklich der CD2003
drin und nicht der ULN2003). Durch festes Fingerauflegen auf bzw. um
den Baustein bekomme ich das Rauschen gestoppt, und er empfängt das
Fingerreiben genauso empfindlich wie der andere Bausatz. Ist dieses
Rauschproblem bekannt? Könnte dies mit den offenen Eingängen (AGC oder
OSC) am CD2003 zusammenhängen? Haben Sie evtl. einen schnellen
Lösungsvorschlag (R oder C nach Masse), bevor ich anfange zu probieren?
- Könnten Sie den Pin 5 mal testweise an GND legen? Es könnte genau das
AGC-Problem sein. Ich weiß bis heute noch nicht, warum manche Geräte sich so verhalten, habe mir
aber vorgenommen, bei einer Neuauflage die Platine zu ändern. Wenn das bei Ihnen
Erfolg bringt wäre das eine schöne Bestätigung.
-
Tatsächlich hat das Verbinden von Pin 5 mit Masse das Problem gelöst:
Es rauscht nicht mehr und empfängt das Fingerreiben genauso empfindlich
wie der zweite Empfänger. Aus Neugierde habe ich die Stromaufnahmen
unserer beiden Empfänger gemessen: 19,6 mA beim Empfänger ohne
Massebrücke und 21,2 mA bei dem mit Massebrücke. Ich denke, das liegt
im Rahmen der üblichen Toleranzen der drei eingebauten ICs. – Ich kann
mir gut vorstellen, dass das Schwing-/Rauschproblem mit der normalen
Schwankungsbreite der Transistoren im CD2003 zusammenhängen kann. Im
ungünstigen Fall liegen alle Verstärkungen der AGC-Transistoren am
oberen Ende und führen dann manchmal bei offenem Pin 5 zum Schwingen,
... aber meistens wohl nicht.