Block Retro Game

https://www.amazon.de/FRANZIS-Block-Computerspiel-Klassiker-Bausatz-Jahren/dp/B07FT3CDVG
Bauen Sie Ihre eigene Spielekonsole für ein altbekanntes
Spiel! Der Aufbau erfordert keinen Lötkolben, weil alle nötigen Verbindungen
mit Steckern ausgerüstet sind.
Tauchen Sie ein in die Zeit vor 30 Jahren, als die ersten
elektronischen Spiele auf den Markt kamen. Das Spielfeld wird auf einem Display
aus 120 einzelnen LEDs abgebildet. Alles wird von einem modernen
Mikrocontroller ATmega168 gesteuert.
Über sechs Knöpfe bewegen und drehen Sie die herabfallenden
Blöcke, die möglichst genau passend gestapelt werden sollen. Nach jeweils fünf Spielen
schaltet sich das Spiel ab und kann mit einem Tastendruck neu gestartet werden.
Auf dem Display wird nach jedem Spiel der Punktestand angezeigt. Und Sie können
den Schwierigkeitslevel und die Spielgeschwindigkeit wählen.
Technische Daten:
Mikrocontroller ATmega168, 16 KB Flash, Taktrate 8 MHz
120 rote SMD-LEDs, gemultiplext
Soundausgabe über Piezo-Schallwandler
Betriebsspannung 4,5 V (3 AA-Batterien erforderlich)
Stromaufnahme: 5 mA bis 15 mA, je an Anzeigeinhalt
Stromaufnahme im Schlafmodus: 20 µA
Betriebsdauer mit einem Batteriesatz: ca. 100 Stunden
Material im Bausatz:
Mikrocontrollerplatine mit LED-Anzeige
Piezo-Schallwandler
Batteriefach für drei Mignon-Zellen
Schrauben, Muttern, Abstandshalter
Kunststoff-Streuscheibe
Doppelseitiges Klebeband
Montage
Kern des Bausatzes ist eine fertig bestückte Platine mit
Tastern, dem Mikrocontroller und allen LEDs. Es gibt zwei Stecker, PWR (Power)
für den Anschluss des Batteriefachs und LS (Loudspeaker) für den
Piezo-Lautsprecher.
Die passenden Anschlüsse befinden sich an den Kabelenden des
Batteriefachs und des Lautsprechers. Die dunkle Filterscheibe wird über das
LED-Feld montiert, um den Kontrast zu erhöhen. Die Schutzfolie auf beiden
Seiten muss vor dem Einbau entfernt werden.
Das passende Montagematerial umfasst jeweils sechst
Abstandshalter, Schrauben und Muttern. Die gelben Knöpfe passen auf die
Tastschalter.
Drücken Sie zuerst die Knöpfe auf die Tastschalter.
Montieren Sie dann die Abstandshalter in die sechs
Schraubenlöcher der Platine. Die 3mm-Muttern können noch mit den Fingern ohne
großen Kraftaufwand aufgeschraubt werden. Erst nach der Endmontage sollte man
sie mit einer Flachzange festziehen.
Stecken Sie die Kabelstecker zum Batteriefach (PWR) und zum
Piezo-Lautsprecher (LS) an. Die Stecker passen nur richtig herum auf die
Platine. Vermeiden Sie aber eine Verwechselung beider Anschlüsse, weil dies zu
einer Beschädigung des Mikrocontrollers führen kann.
Nun können Sie bereits Batterien einlegen und einen ersten
Testlauf noch ohne das Gehäuse durchführen.
Bauen Sie dann die Platine mit den Abstandshaltern in das Gehäuse
ein. Vier der sechs Schrauben halten damit gleichzeitig die Filterscheibe, die
zuvor von außen so auf das Gehäuse gelegt wird, dass die vier
Befestigungslöcher über die des Gehäuses passen. Bevor Sie alle Schrauben
festziehen, sollten Sie alle Teile auf den korrekten Sitz kontrollieren. Die
Tatschalter sollen frei beweglich sein, und die Filterscheibe soll mittig über
dem Anzeigefeld liegen.
Achtung, in der ersten Auflage gab es ein Problem mit der
Genauigkeit der Stanzungen. Franzis hat einen entsprechenden Aufkleber
angebracht. Der Taster "Rechts Drehen" klemmt etwas. Man sollte das
Gehäuse nachbearbeiten und das Loch etwas vergrößern. Es passt
auch, wenn man zunächst die Kappe dieses Tasters noch nicht
aufsetzt.
Kleben Sie das Batteriefach mit doppelseitigem Klebeband auf
die Rückseite der Platine in den Bereich der LED-Anzeige. Das Klebeband ist
gleichzeitig eine wichtige Isolierung zwischen der Platine und leitenden Teilen
des Batteriefachs. Entfernen sie zunächst nur die untere Schutzfolie des
beiliegenden doppelseitigen Klebebandes und kleben Sie das Klebeband dann mittig
auf die Rückseite der Platine in den Bereich der LEDs. Ziehen Sie dann erst die
obere Schutzfolie ab und drücken Sie das Batteriefach so auf die Platine, wie
es das Foto zeigt.
Befestigen Sie auch den Piezo-Lautsprecher mit Klebeband oder
einem geeigneten Kleber im Gehäuse. Die Position ist nicht kritisch, weil der
gesamte Karton als Membran wirkt und mit zur Schallabstrahlung beiträgt.
Spielanleitung
Starten Sie das Spiel mit der Start/Stop-Taste. Das ist die
oberste Taste im Tastenkreuz. Zu Beginn sehen Sie einen Vorspann mit bewegten
LED-Reihen, der auch als Anzeigetest dienen kann. Darauf folgt eine kurze
Anzeige der Einstellungen, die unverändert bleiben können. Nach zwei Sekunden
beginnt das erste Spiel.
Von oben her fallen zufällige Blöcke unterschiedlicher Form
herab. Mit dem Tastenkreuz können Sie die Position nach links oder rechts
verschieben. Außerdem können Sie den Fall mit der oberen Taste aufhalten und
mit der unteren Taste beschleunigen. Mit den rechten Tasten lassen sich die
Blöcke links oder rechts herum drehen. Das Ziel des Spiels ist es, die Blöcke
passend zu stapeln, sodass keine Lücken gelassen werden.
Immer wenn eine Reihe vollständig gefüllt ist, wird sie
gelöscht. So entsteht wieder Platz für weitere Blöcke. Wenn man immer die
optimalen Entscheidungen trifft, hört das Spiel theoretisch niemals auf. Aber
mit jedem Fehler werden die Stapel höher. Und wenn die obersten Zeilen des
Spielfelds erreicht werden, ist das Spiel beendet.
Ein passend ausgerichteter Block
Während des Fallens können die Blöcke gedreht werden. Das folgende
Bild zeigt einen L-förmigen Block in seiner Ausgangsposition, um 90 Grad nach links
gedreht und um 180 Grad gedreht. Bei einer Drehung bleibt grundsätzlich die linke
Spalte als aktuelle Position erhalten.
Drehung eines Blocks
Wenn Sie überschauen, um wie viele Positionen ein Block nach
links oder rechts verschoben werden soll, können Sie in schneller Folge auf die
entsprechende Taste drücken und müssen nicht die Bewegung abwarten. Die
Kommandos werden gespeichert und zusammen ausgeführt. Ebenso kann eine Drehung
um 90 Grad oder eine zweifache Drehung um insgesamt 180 Grad gleichzeitig mit
Verschiebungen ausgeführt werden.
Tatsächlich ist es nicht ganz einfach, alle Tasten
gleichzeitig zu bedienen. Für den Anfang kann man daher auf die Drehung
verzichten und nur die Position der fallenden Blöcke verschieben. Allerdings
kommt es dann öfter zu Situationen, wo eine Lücke unvermeidbar wird.
Eine typische Spielsituation
Das Bild zeigt eine typische Spielsituation, in der es auf
den nächsten Zug ankommt. Das Spielfeld ist nämlich fast bis zur Hälfte
gefüllt, weil sich im unteren Bereich zahlreiche Lücken gebildet haben. Gerade
fällt ein Dreierblock herab. Die Chance besteht in diesem Fall darin, ihn um 90
Grad zu drehen und um drei Positionen weiter nach links zu verschieben. Dann
ist die obere Reihe vollständig und wird gelöscht. Danach hat man mit etwas
Glück noch die Möglichkeit, weiter unten liegende Lücken zu füllen und das Feld
im Idealfall langsam wieder abzubauen.
Während des Spiels hört man Töne, die allerdings auch
abgeschaltet werden können. Jeder gelandete Block erzeugt einen Ton. Die Töne
werden mit der Landeposition höher, was die steigende Spannung auch für außen
stehende Personen hörbar werden lasst. Am Ende des Spiels wird ein Trällerton
gespielt.
Punktestand
Zusätzlich werden am Ende eines Spiels die erreichten Punkte
angezeigt, wobei jeder gelandete Block entsprechend der Anzahl der LEDs
zwischen zwei und vier Punkte bringt. Jede Ziffer wird durch eine senkrechte
Säule dargestellt, die über der Position 5 zur besseren Lesbarkeit eine Lücke
enthält. Im Beispiel wurden 167 Punkte erreicht, was schon ein sehr gutes
Ergebnis ist. Nach insgesamt fünf Spielen wird jeweils das Gesamtergebnis
angezeigt, also die Summe aller fünf Einzelergebnisse.
Ein- und Ausschalten
Das Gerät schaltet sich nach jeweils fünf Spielen komplett
aus. Es kann dann mit der Start/Stop-Taste neu gestartet werden. Bei jedem
Neustart erscheint ein kurzer Vorspann. Dann werden die Level-Einstellungen
gezeigt, bevor das eigentliche Spiel beginnt.
Wenn Sie nicht mehr weiter spielen möchten, legen Sie das
Gerät einfach zur Seite. Es spielt dann von allein bis zum Ende des fünften
Spiels weiter, was ohne Eingriffe über die Tasten relativ schnell geht. Dann
schaltet sich der Controller ab.
Falls einmal ein Neustart nicht funktioniert, nehmen Sie
bitte eine der Batterien heraus, warten eine Minute und legen die Batterie
wieder ein. Damit wird ein vollständiger Reset ausgeführt und das Spiel startet
neu.
Spiele-Level
Das Spiel kann in fünf unterschiedlichen Geschwindigkeiten
und mit fünf unterschiedlichen Blockleveln gespielt werden. Nach dem ersten
Start gilt der Blocklevel 5 und die Geschwindigkeit 3. Der Ton ist
eingeschaltet. Diese Einstellungen werden am Anfang kurz angezeigt.
Blocklevel 5, Geschwindigkeit 3, Ton an
Solange die Levelanzeige zu sehen ist, kann man die
Einstellungen verändern. Mit den Tasten nach rechts und links verändert man den
Geschwindigkeitslevel. Mit den Tasten Start/Stop und Runter wird der Blocklevel
eingestellt. Die beiden rechten Tasten (Drehung) schalten den Ton ein oder aus.
Sobald zwei Sekunden lang keine Taste mehr betätigt wurde, startet das Spiel
mit den getätigten Einstellungen.
Der eingestellte Geschwindigkeitslevel bestimmt die Zeit, in
der ein Bock um eine Spalte nach unten fällt. In der ersten Stufe mit einer
Sekunde pro Spalte hat man bis zu zwölf Sekunden Zeit, um die Position und die
Richtung eines Blocks einzustellen. Diese Einstellung ist günstig, wenn man
gerade angefangen hat zu spielen. Wenn man das Spiel besser kennt, kann man die
Geschwindigkeit steigern.
Geschwindigkeit 1: 1,0 Sekunden
Geschwindigkeit 2: 0,5 Sekunden
Geschwindigkeit 3: 0,3 Sekunden
Geschwindigkeit 4: 0,2 Sekunden
Geschwindigkeit 5: 0,1 Sekunden
Der Blocklevel bestimmt, ob mit allen Blöcken oder nur mit
einer Auswahl gespielt wird. Insgesamt gibt es neun unterschiedliche Blöcke,
die im Level 5 verwendet werden.
Alle Blöcke im Level 5
Wenn man ganz einfach anfangen möchte, kann man im
Blocklevel 1 mit nur einem Dreierblock spielen. Im zweiten Level spielt man
bereits mit drei einfachen Blöcken.
Blocklevel 1 (oben) und 2 (unten)
Im Level 3 kommen drei weitere Blöcke hinzu.
Sechs Blöcke im Level 3
Im Level 4 hat man zwar nur vier unterschiedliche Blöcke.
Aber es handelt sich um die Auswahl der schwierigsten Blöcke, die meist gedreht
werden müssen, um optimal gestapelt zu werden. Der Level 4 ist daher noch
schwieriger als der Level 5, bei dem man auch immer wieder einfache Blöcke
bekommt, um Lücken zu füllen. Im Level 4 übt man besonders effektiv die
gleichzeitige Drehung und Positionsänderung, wobei es nützlich ist, die
Geschwindigkeit langsam zu steigern.
Schwierige Blöcke im Level 4
Wer sich so durch alle Level gearbeitet hat, kann am Ende im
Blocklevel 5 mit seiner eigenen Geschwindigkeit spielen. Ein erstes Etappenziel
könnte sein, 100 Punkte pro Spiel zu erreichen. Vielleicht werden Sie am Ende
regelrechte Turniere mit Gleichgesinnten austragen. Jeder spielt dann fünf
Spiele, und die Gesamtpunktzahl aller fünf Spiele wird notiert. Die
Punkteanzeige reicht übrigens bis 9999, aber das hat noch niemand erreicht.
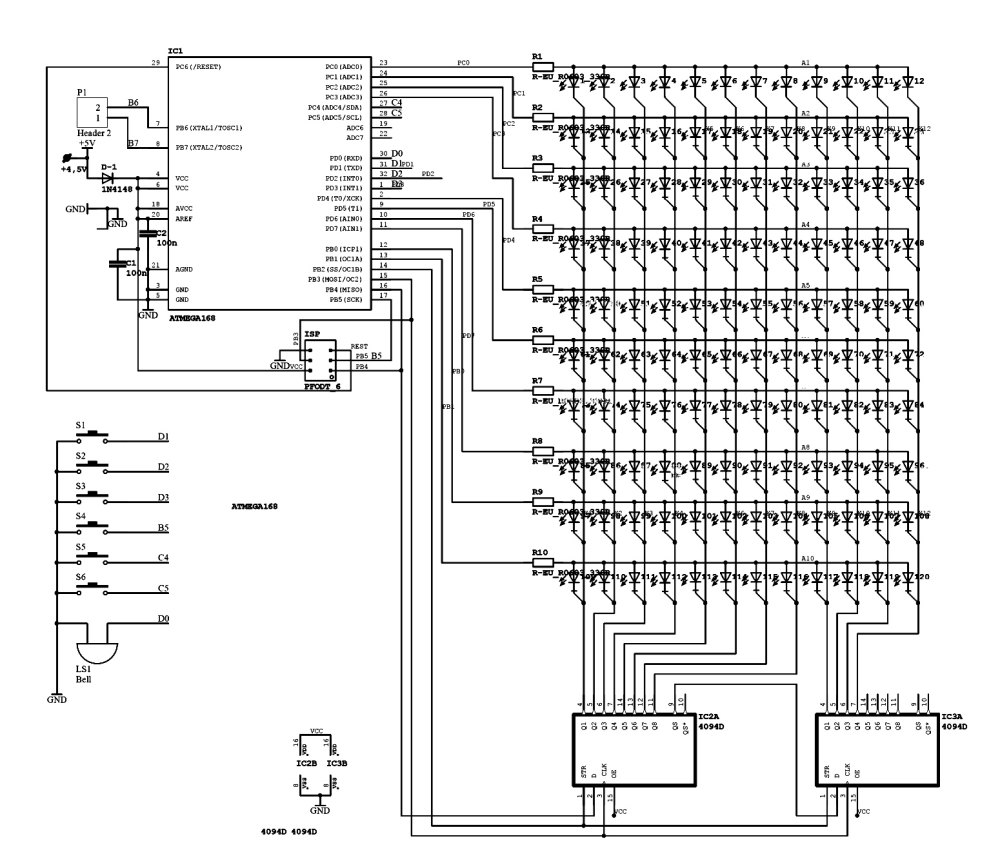
Technische Beschreibung
Den Kern des Spiels bildet ein ATmega168-Controller, der von
seinem internen RC-Oszillator mit 8 MHz getaktet wird. Eine Matrix mit 120 LEDs
ist in zehn Reihen mit je 12 LEDs angeordnet. Der Mikrocontroller steuert die
Reihen in einem Multiplex-Verfahren. Dabei werden die Anoden direkt über Ports
angesteuert, die Kathoden über zwei Schieberegister HC4094.
Der Controller kann sich selbst in den Power-Down-Modus
versetzen. Alle LEDs werden abgeschaltet, sodass der Stromverbrauch auf 20 µA sinkt.
Deshalb wird kein Hauptschalter benötigt. Der Taster S2 an PD2/INT0 und an GND
kann einen Interrupt auslösen und das Spiel neu starten.
Auf der Platine finden Sie einige nicht verwendete
Anschlüsse. Sie werden teilweise für die Produktion benötigt und sind auch für
eigene Projekte nützlich. Über den sechspoligen ISP-Anschluss können Sie den
Controller neu programmieren und damit eigene Projekte entwickeln. Tun Sie dies
jedoch nur, wenn Sie bereits über Erfahrungen mit Mikrocontrollern verfügen,
denn bei einem Fehler könnte das System Schaden erleiden.