Labortagebuch Dezember 2025

Elektronik-Labor  Notizen  Projekte  Labortagebuch

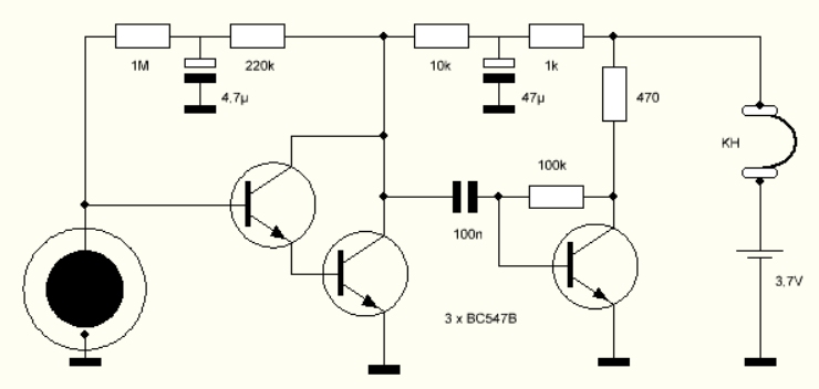
19.12.25: Ein Körperschall-Mikrofon



Um Geräusche an einer Heizung aufzuspüren habe ich dieses Körperschallmikrofon gebaut. Das eigentliche Mikrofon ist eine Piezoscheibe, die fest eigeklebt wurde- Zuerst dachte ich, dass ich mit einer Darlington-Schaltung auskommen könnte. Das Gerät sollte ohne einen Schalter auskommen und aktiv werden, wenn man den niederohmigen Kopfhörer einsteckt. Aber dann zeigte sich, dass die Verstärkung zu gering war. Eine zweite Stufe musste her. Das schalterlose Konzept konnte ich trotzdem retten, indem ich die Betriebsspannung für die erste Stufe mit 47 µF geglättet habe.



Das Gehäuse hatte mir mal mein Freund Rainer mit seinem 3D-Drucker für einen ganz anderen Zweck gedruckt. Es passte hervorragend für diesen Zweck.



Das Gerät funktioniert nun sehr gut. Ich kann die Heizung abhören, aber auch Uhren, Trafos und das eigene Herz. Und auch jeder Tisch und jede Wand offenbart Geräusche, die man sonst nie wahrnimmt. Sie stammen vom Straßenverkehr, aus Nachbarhäusern oder aus ganz anderen Quellen.



Mit diesem Stethoskop habe ich gefunden, dass alle Muskeln beim Anspannen eine Art Brummen und unregelmäßige Knackimpulse erzeugen, deren Frequenz mit der Anspannung steigt. Das war mir neu. Aber der Effekt ist bekannt:  https://en.wikipedia.org/wiki/Mechanomyogram   Meine Schwester kannte es auch schon. Wenn man kräftig gähnt, kann man dieses Geräusch auch ohne Hilfsmittel hören. Ich habe es probiert, es ist dasselbe Geräusch, aber ohne die Knackimpulse.


15.12.25: Oszillatorsignal am Antenneneingang



Bei den Versuchen mit einem AM-Sender ist es mir zuerst aufgefallen: Am Antenneneingang eines Röhrenradios kann man Reste des Oszillatorsignals messen. Hier messe ich am Ende einer langen Zweidrahtleitung und über einen kleinen Trenntrafo ca. 20 mV. Auch die Frequenz kann gemessen werden. Das Radio hatte ich vorher auf ca. 7 MHz eingestellt, erkennbar an CW-Aktivitäten im 40m-Band. Nun sehe ich, dass der Oszillator  um die Zwischenfrequenz von ca. 470 kHz unterhalb der Empfangsfrequenz schwingt. Auf Mittelwelle und Langwelle ist es anders, da liegt die Oszillatorfrequenz oberhalb der Empfangsfrequenz.




10.12.25: Ein Zinkoxid-Sender von Roland Jäggi



In den Labornotizen vom 24.Mai 24 beschreiben Sie Ihre Versuche mit ZnO. Von einer verzinkten Lochplatte habe ich Streifen geschnitten und diese mit einem Gasbrenner oxydiert. Ich habe gestern  Kennlinien fotografiert: Die fallenden Kennlinien einer solchen ZnO Diode entdämpfen den Schwingkreis eines Modulators im Lang- oder Mittelwellenband. Damit kann ich z.B. Musik übertragen. Reichweite etwa 1 Meter.




Elektronik-Labor  Notizen  Projekte  Labortagebuch