Labortagebuch Oktober 2024

Elektronik-Labor  Notizen  Projekte  Labortagebuch

14.10.24: Ein Siebensegment-Display



Kürzlich habe ich wieder einige verbrauchte E-Zigaretten mit Siebensegment-Anzeige in die Hände bekommen. Eine war wohl unter einen Lastwagen geraten und funktionierte nicht mehr. Eine gute Chance, einen Blick ins Innere zu werfen. Auf einer schwarzen Platine sitzen viele kleine SMD-LEDs. Darüber gibt es ein weißes Plastikteil, das das Licht auf die Segmente der Frontplatte leitet. Alle Segment-LEDs sind in diesem Fall blau. Auf der Frontplatte gibt es eine Beschichtung mit einem Leuchtstoff, der weißes Licht daraus macht. Nur im Bereich der Levelanzeige fehlt dieser Leuchtstoff, weil die LEDs an dieser Stelle andere Farben haben.



Die Folie wurde hier über eine normale blaue LED gelegt. Man sieht, dass die blaue Farbe im Bereich der farbigen Leichtbalken durchleuchtet. Aber alle anderen Segmente leuchten weiß.






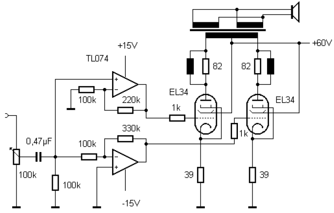
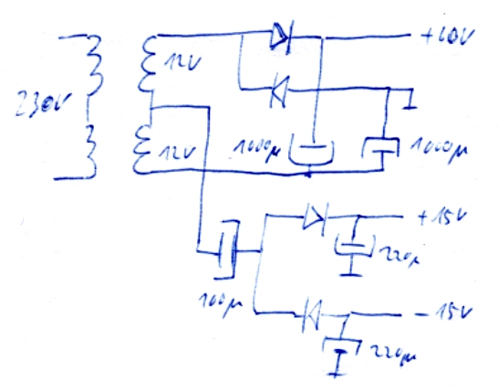
4.10.24: Ein Röhren-Netzteil




In meinem Buch "Röhrenversuche von 6 bis 60 V" gibt es einen Röhrenverstärker mit jeweils zwei EL34 in einer Gegentakt-Endstufe. Ich hatte damals Netztrafos mit 2 x 12V sowohl für die Stromversorgung als auch als Ausgangsübertrager verwendet. Das Netzteil dazu wurde nicht explizit beschrieben. Den Verstärker habe ich nicht mehr. Aber aus der Erinnerung konnte ich das Netzteil aufzeichnen. Eine Besonderheit ist, dass hier auch eine doppelte Stromversorgung für die OPV-Treiberstufe nötig war. Mit ein paar Dioden und Elkos konnten mit einem Trafo +60 V, + 15 V und - 15 V erzeugt werden.





Elektronik-Labor  Notizen  Projekte  Labortagebuch