Labortagebuch Oktober 2021

 Elektronik-Labor  Notizen  Projekte  Labortagebuch

5.10.21: HT7022A, 2.2V Voltage Detector



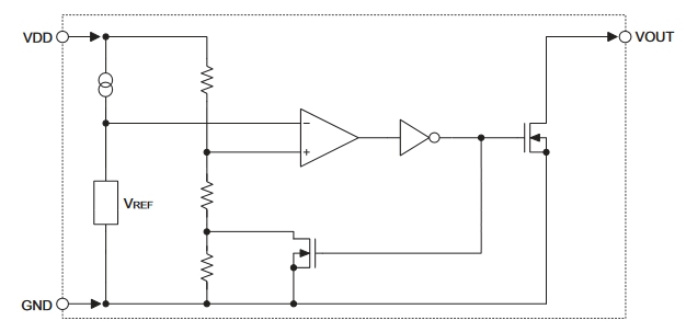
Im Urlaub wird immer mal wieder locker herumgebastelt. Ich hatte einen Lötkolben dabei, mein Bruder ein Multimeter und anderen Kram. Ein altes Fahrrad-Rücklicht musste zerlegt werden, weil wir eine LED für einen anderen Versuch brauchten. Dann wurden andere LEDs eingelötet, und ich wollte die Schaltung verstehen. Was soll der "Transistor" in der Schaltung?! Ich konnte es nicht herausbekommen. Wieder zu Hause habe ich gleich mal ein Labornetzteil angeschlossen. Da wurde klar: Die große LED leuchtet immer, aber die kleine wird eingeschaltet, wenn die Batteriespannung unter 2,2 V fällt. Dann ist klar, dass die Batterie gewechselt werden soll. Mit der Lupe konnte ich erkennen, dass das IC mit M23Y beschriftet ist. Das führte zum Holtek HT7022A, einem 2.2V Voltage Detector.


Das Datenblatt zeigt eine Spannungsreferenz und einen Komparator. Außerdem ist eine Rückkopplung für eine kleine Hysterese von ca. 0,1 V eingebaut, die mir auch schon im Test mit dem Netzteil aufgefallen war. Die technischen Daten sind beeindruckend, besonders die geringe Stromaufnahme von 1,8 µA.





 Elektronik-Labor  Notizen  Projekte  Labortagebuch